Запчасти Komatsu SAA6D170E-2D ВОЗВРАТ ТОПЛИВА(№8-) ДВИГАТЕЛЬ

Схема запчастей Komatsu SAA6D170E-2D - ВОЗВРАТ ТОПЛИВА(№8-) ДВИГАТЕЛЬ
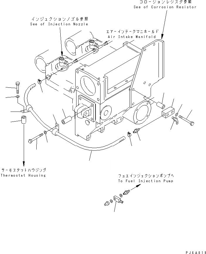
1
2
2
3
4
5
6
7
8
9
9
10
11
12
13
14
15
16
FIT
1:1
100%

Артикул

Название

Примечание

Количество

1

07270-40406

TUBE

SN: 18553-UP

1шт.

2

04434-50810

CLIP

SN: 19218-UP

2шт.

|2

0

CLIP

SN: 18553-19217

2шт.

3

01010-81055

BOLT

SN: 18553-UP

1шт.

4

01643-31032

WASHER

SN: 18553-UP

1шт.

5

6144-11-5630

SPACER

SN: 18553-UP

1шт.

6

01010-81070

BOLT

SN: 18553-UP

1шт.

7

01643-31032

WASHER

SN: 18553-UP

1шт.

8

6134-11-5120

SPACER

SN: 18553-UP

1шт.

9

07285-00080

CLIP

SN: 18553-UP

2шт.

10

6162-75-5430

JOINT

SN: 18553-UP

1шт.

11

01010-81085

BOLT

SN: 19927-UP

1шт.

|11

0

BOLT

SN: 18553-19926

1шт.

12

01643-31032

WASHER

SN: 18553-UP

1шт.

13

07209-01040

NIPPLE

SN: 18553-UP

1шт.

14

6128-82-4810

ELBOW

SN: 18553-UP

1шт.

15

6128-71-1932

JOINT

SN: 18553-UP

1шт.

16

203-54-11170

SPACER

SN: 19927-UP

1шт.

Выбрано товаров: 0