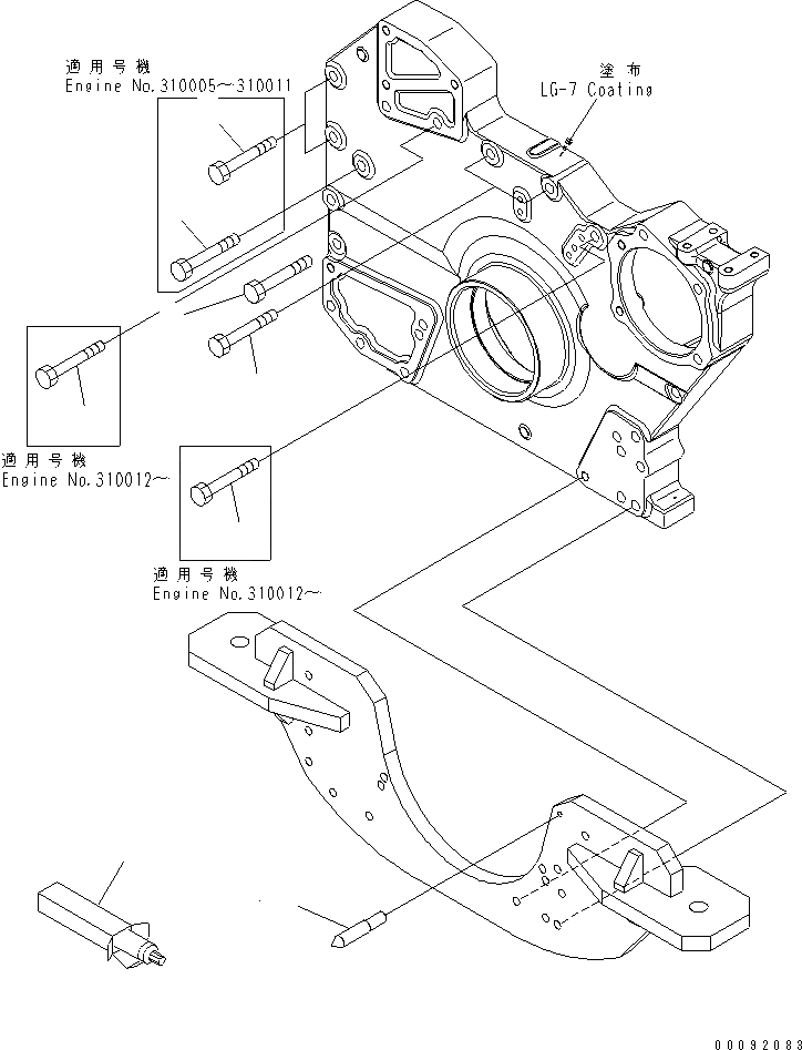
Запчасти Komatsu SAA6D170E-3B-8 ПЕРЕДН. КРЫШКАКРЕПЛЕНИЕ(№-) ДВИГАТЕЛЬ

Схема запчастей Komatsu SAA6D170E-3B-8 - ПЕРЕДН. КРЫШКАКРЕПЛЕНИЕ(№-) ДВИГАТЕЛЬ
1
2
2
2
2
2
3
4
FIT
1:1
100%

Артикул

Название

Примечание

Количество

1

6150-22-3340

POINTER

SN: 310005-UP

1шт.

2

01010-81275

BOLT

SN: 310012-UP

4шт.

2

01010-81275

BOLT

SN: 310005-310011

5шт.

3

01010-81265

BOLT

SN: 310005-UP

1шт.

4

09920-00150

LIQUID GASKET,LG-7, 150G

SN: 310005-UP

-2шт.

Выбрано товаров: 5