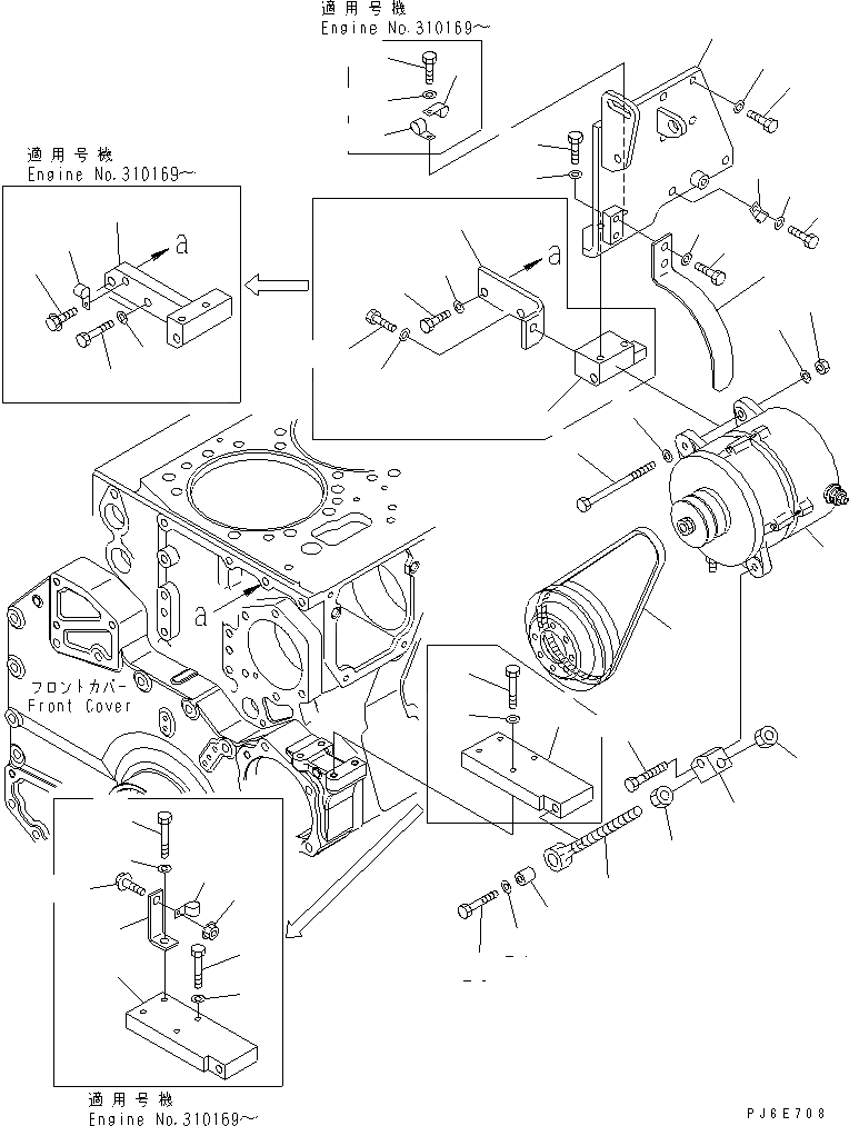
Запчасти Komatsu SAA6D170E-3B-8 КРЕПЛЕНИЕ ГЕНЕРАТОРА (7A)(№-) ДВИГАТЕЛЬ

Схема запчастей Komatsu SAA6D170E-3B-8 - КРЕПЛЕНИЕ ГЕНЕРАТОРА (7A)(№-) ДВИГАТЕЛЬ
1
2
3
3
4
5
6
6
7
7
8
8
9
9
10
10
11
12
12
13
13
14
14
15
16
17
17
18
19
20
21
22
22
23
23
23
24
25
26
27
28
29
30
31
32
33
34
35
36
37
38
39
FIT
1:1
100%

Артикул

Название

Примечание

Количество

1

600-821-9631

ALTERNATOR A. (75A),(SEE FIG.A6010-B6F5)

SN: 311140-UP

1шт.

1

0

ALTERNATOR A. (75A),(SEE FIG.A6010-B6F5)

SN: 310005-311139

1шт.

2

6128-21-6780

BOLT

SN: 310005-UP

1шт.

3

01640-21323

WASHER

SN: 310005-UP

2шт.

4

02205-10812

NUT

SN: 310005-UP

1шт.

5

426-S62-2412

BRACKET

SN: 310012-UP

1шт.

5

0

BRACKET

SN: 310005-310011

1шт.

6

01010-81025

BOLT

SN: 310005-UP

6шт.

7

01640-21016

WASHER

SN: 310005-UP

6шт.

8

6240-81-6760

BRACKET

SN: 310169-UP

1шт.

8

0

BRACKET

SN: 310005-310168

1шт.

9

01010-81245

BOLT

SN: 310169-UP

2шт.

9

0

BOLT

SN: 310005-310168

2шт.

10

01643-31232

WASHER

SN: 310169-UP

2шт.

10

0

WASHER

SN: 310005-310168

2шт.

11

6240-81-6730

BRACKET

SN: 310005-310168

1шт.

12

01010-81025

BOLT

SN: 310169-UP

1шт.

12

01010-81025

BOLT

SN: 310005-310168

3шт.

13

01640-21016

WASHER

SN: 310169-UP

1шт.

13

01640-21016

WASHER

SN: 310005-310168

3шт.

14

6240-81-6740

BRACKET

SN: 310005-UP

1шт.

15

6240-81-8640

ROD

SN: 310005-UP

1шт.

16

6150-82-8690

PLATE

SN: 310005-UP

1шт.

17

01580-11411

NUT

SN: 310005-UP

2шт.

18

01050-51255

BOLT

SN: 310005-UP

1шт.

19

6215-81-6150

PIN

SN: 310005-UP

1шт.

20

01010-81250

BOLT

SN: 310169-UP

1шт.

20

0

BOLT

SN: 310005-310168

1шт.

21

01643-31232

WASHER

SN: 310005-UP

1шт.

22

01010-81045

BOLT

SN: 310169-UP

3шт.

22

01010-81045

BOLT

SN: 310005-310168

4шт.

23

01643-31032

WASHER

SN: 310169-UP

3шт.

23

01643-31032

WASHER

SN: 310005-310168

4шт.

24

04120-21740

V-BELT

SN: 310005-UP

1шт.

25

6240-81-6750

COVER

SN: 310005-UP

1шт.

26

01010-81020

BOLT

SN: 310005-UP

2шт.

27

01643-31032

WASHER

SN: 310005-UP

2шт.

28

04434-51210

CLIP

SN: 310169-UP

1шт.

28

0

CLIP

SN: 310005-310168

1шт.

29

04434-50610

CLIP

SN: 310169-UP

1шт.

30

04434-51210

CLIP

SN: 310169-UP

1шт.

31

01010-81030

BOLT

SN: 310169-UP

1шт.

32

01643-31032

WASHER

SN: 310169-UP

1шт.

33

6212-55-5960

STAY

SN: 310169-UP

1шт.

34

01010-81050

BOLT

SN: 310169-UP

1шт.

35

04434-51210

CLIP

SN: 310169-UP

1шт.

36

01435-01020

BOLT

SN: 310169-UP

1шт.

37

01584-01008

NUT

SN: 310169-UP

1шт.

38

04434-50612

CLIP

SN: 310169-UP

1шт.

39

01435-01220

BOLT

SN: 310169-UP

1шт.

Выбрано товаров: 50