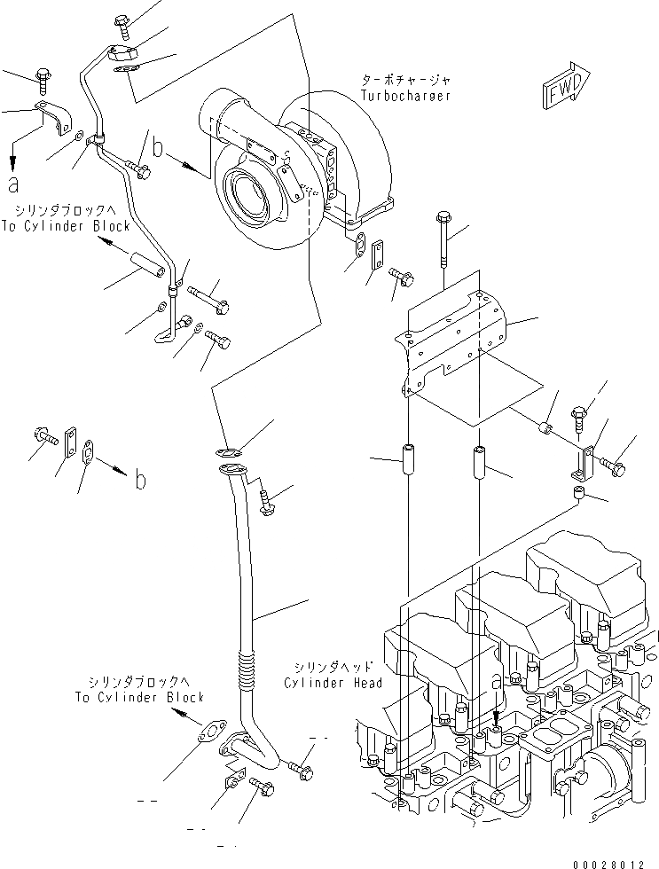
Запчасти Komatsu SAA6D170E-3BC-8C МАСЛОПРОВОДЯЩИЕ ТРУБКИ ТУРБОНАГНЕТАТЕЛЯ (СПЕЦ-Я ДЛЯ БОЛЬШИХ ВЫСОТ.)(№-) ДВИГАТЕЛЬ

Схема запчастей Komatsu SAA6D170E-3BC-8C - МАСЛОПРОВОДЯЩИЕ ТРУБКИ ТУРБОНАГНЕТАТЕЛЯ (СПЕЦ-Я ДЛЯ БОЛЬШИХ ВЫСОТ.)(№-) ДВИГАТЕЛЬ
1
2
3
4
5
6
7
7
8
9
9
10
11
12
13
14
14
15
15
16
17
18
19
20
20
20
21
22
23
24
25
25
26
26
27
27
FIT
1:1
100%

Артикул

Название

Примечание

Количество

1

6240-51-8180

TUBE

SN: 312026-UP

1шт.

2

01435-01030

BOLT

SN: 312026-UP

2шт.

3

6151-51-8161

GASKET (K1)

SN: 312026-UP

1шт.

4

6240-51-8910

BRACKET

SN: 312026-UP

1шт.

5

01435-01020

BOLT

SN: 312026-UP

1шт.

6

01640-21016

WASHER

SN: 312026-UP

1шт.

7

6151-53-8280

CLIP

SN: 312026-UP

2шт.

8

07206-31014

BOLT,JOINT

SN: 312026-UP

1шт.

9

07005-01412

SEAL, WASHER (K1)

SN: 312026-UP

2шт.

10

6240-21-7470

SPACER

SN: 312026-UP

1шт.

11

01436-01005

BOLT

SN: 312026-UP

1шт.

12

6240-51-8710

COVER

SN: 312026-UP

1шт.

13

6136-21-5630

BRACKET

SN: 312026-UP

2шт.

14

6631-11-5630

SPACER

SN: 312026-UP

4шт.

15

01435-01035

BOLT

SN: 312026-UP

4шт.

16

6240-51-8760

SPACER

SN: 312026-UP

1шт.

17

6240-51-8770

SPACER

SN: 312026-UP

1шт.

18

01435-01095

BOLT

SN: 312026-UP

2шт.

19

6240-51-8280

TUBE

SN: 312026-UP

1шт.

20

01435-01025

BOLT

SN: 312026-UP

4шт.

21

6151-51-8151

GASKET (K1)

SN: 312026-UP

1шт.

22

6127-51-6822

GASKET (K1)

SN: 312026-UP

1шт.

23

426-06-11570

BRACKET

SN: 312026-UP

1шт.

24

01435-01030

BOLT

SN: 312026-UP

1шт.

25

6164-62-8230

PLATE

SN: 312026-UP

4шт.

26

6164-62-8241

GASKET (K1)

SN: 312026-UP

4шт.

27

01435-01025

BOLT

SN: 312026-UP

8шт.

Выбрано товаров: 27