Качественные детали и логистика
Оригинальные и аналоговые запчасти с доставкой по России, Казахстану и Беларуси
©2022 PartSell ООО "Система" ИНН 2463123282 ОГРН 1212400004838
Центральный офис: г. Красноярск, Академика Киренского, д.87, пом.4
Телефон: 8 (800) 777-65-74 Email: zakaz@partsell.ru
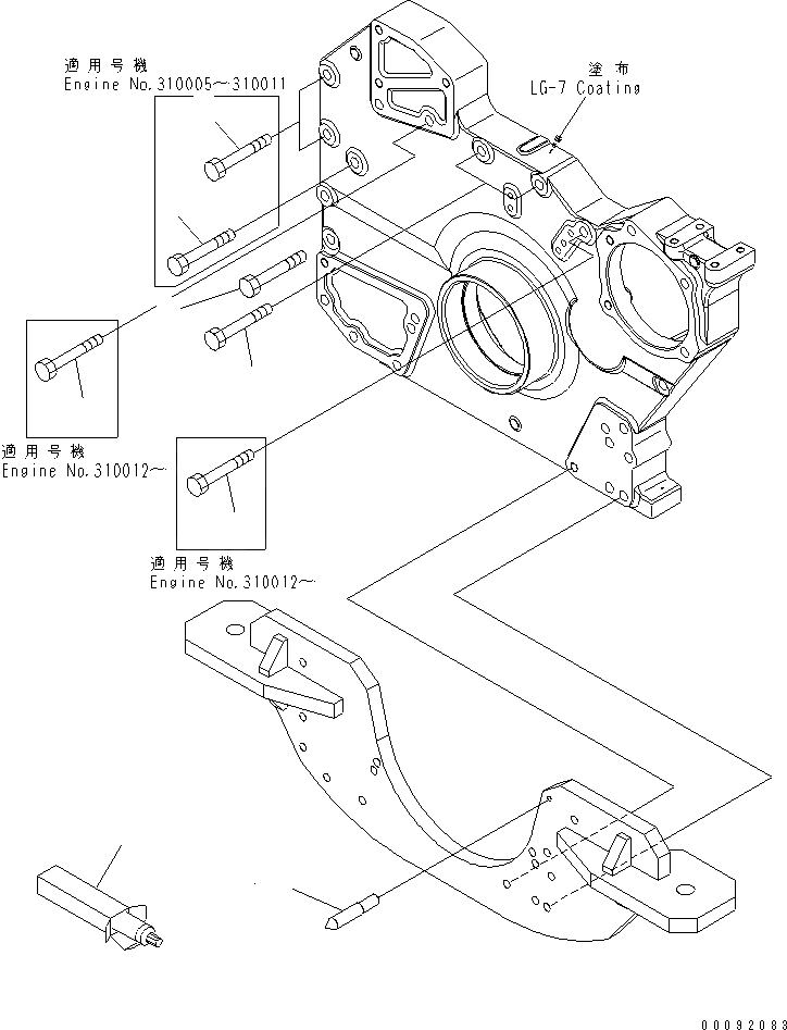
ПЕРЕДН. КРЫШКАКРЕПЛЕНИЕ(№-)
№
Артикул
Название
Примечание
Количество
1
6150-22-3340
POINTER
SN: 310005-UP
1шт.
2
01010-81275
BOLT
SN: 310012-UP
4шт.
SN: 310005-310011
5шт.
3
01010-81265
4
09920-00150
LIQUID GASKET,LG-7, 150G
-2шт.
Выбрано товаров: 0