Запчасти Komatsu SAA6D170E-3C-8 КРЕПЛЕНИЕ ГЕНЕРАТОРА (A)(№-) ДВИГАТЕЛЬ

Схема запчастей Komatsu SAA6D170E-3C-8 - КРЕПЛЕНИЕ ГЕНЕРАТОРА (A)(№-) ДВИГАТЕЛЬ
1
2
3
3
4
5
6
6
7
7
8
9
10
11
12
12
13
14
15
16
16
17
18
19
20
21
22
23
24
25
26
27
28
29
30
1
2
3
3
4
5
6
6
7
7
8
9
10
11
12
12
13
14
15
16
16
17
18
19
20
21
22
23
24
25
26
27
28
29
30
FIT
1:1
100%

Артикул

Название

Примечание

Количество

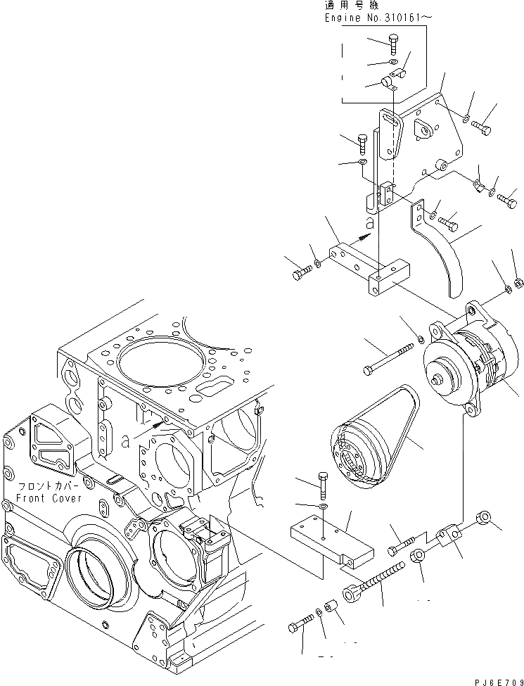
1

600-825-6720

ALTERNATOR A. (50A)

SN: 310024-UP

1шт.

2

6128-21-6780

BOLT

SN: 310024-UP

1шт.

3

01640-21323

WASHER

SN: 310024-UP

2шт.

4

02205-10812

NUT

SN: 310024-UP

1шт.

5

426-S62-2412

BRACKET

SN: 310024-UP

1шт.

6

01010-81025

BOLT

SN: 310024-UP

6шт.

7

01640-21016

WASHER

SN: 310024-UP

6шт.

8

6240-81-6760

BRACKET

SN: 310024-UP

1шт.

9

01010-81245

BOLT

SN: 310024-UP

2шт.

10

01643-31232

WASHER

SN: 310024-UP

2шт.

11

01010-81025

BOLT

SN: 310161-UP

1шт.

|11

01010-81025

BOLT

SN: 310024-310160

2шт.

12

01643-31032

WASHER

SN: 310024-UP

2шт.

13

6240-81-6740

BRACKET

SN: 310024-UP

1шт.

14

6240-81-8640

ROD

SN: 310024-UP

1шт.

15

6150-82-8690

PLATE

SN: 310024-UP

1шт.

16

01580-11411

NUT

SN: 310024-UP

2шт.

17

01050-51255

BOLT

SN: 310024-UP

1шт.

18

6215-81-6150

PIN

SN: 310024-UP

1шт.

19

01010-81250

BOLT

SN: 310161-UP

1шт.

|19

0

BOLT

SN: 310024-310160

1шт.

20

01643-31232

WASHER

SN: 310024-UP

1шт.

21

01010-81045

BOLT

SN: 310024-UP

4шт.

22

01643-31032

WASHER

SN: 310024-UP

4шт.

23

04120-21740

V-BELT

SN: 310024-UP

1шт.

24

6240-81-6750

COVER

SN: 310024-UP

1шт.

25

01010-81020

BOLT

SN: 310024-UP

2шт.

26

01643-31032

WASHER

SN: 310024-UP

2шт.

27

04435-50610

CLIP

SN: 310024-UP

1шт.

28

04434-50610

CLIP

SN: 310161-UP

1шт.

29

04434-51210

CLIP

SN: 310161-UP

1шт.

30

01010-81030

BOLT

SN: 310161-UP

1шт.

1

600-825-6720

ALTERNATOR A. (50A)

SN: 310024-UP

1шт.

2

6128-21-6780

BOLT

SN: 310024-UP

1шт.

3

01640-21323

WASHER

SN: 310024-UP

2шт.

4

02205-10812

NUT

SN: 310024-UP

1шт.

5

426-S62-2412

BRACKET

SN: 310024-UP

1шт.

6

01010-81025

BOLT

SN: 310024-UP

6шт.

7

01640-21016

WASHER

SN: 310024-UP

6шт.

8

6240-81-6760

BRACKET

SN: 310024-UP

1шт.

9

01010-81245

BOLT

SN: 310024-UP

2шт.

10

01643-31232

WASHER

SN: 310024-UP

2шт.

11

01010-81025

BOLT

SN: 310161-UP

1шт.

|11

01010-81025

BOLT

SN: 310024-310160

2шт.

12

01643-31032

WASHER

SN: 310024-UP

2шт.

13

6240-81-6740

BRACKET

SN: 310024-UP

1шт.

14

6240-81-8640

ROD

SN: 310024-UP

1шт.

15

6150-82-8690

PLATE

SN: 310024-UP

1шт.

16

01580-11411

NUT

SN: 310024-UP

2шт.

17

01050-51255

BOLT

SN: 310024-UP

1шт.

18

6215-81-6150

PIN

SN: 310024-UP

1шт.

19

01010-81250

BOLT

SN: 310161-UP

1шт.

|19

0

BOLT

SN: 310024-310160

1шт.

20

01643-31232

WASHER

SN: 310024-UP

1шт.

21

01010-81045

BOLT

SN: 310024-UP

4шт.

22

01643-31032

WASHER

SN: 310024-UP

4шт.

23

04120-21740

V-BELT

SN: 310024-UP

1шт.

24

6240-81-6750

COVER

SN: 310024-UP

1шт.

25

01010-81020

BOLT

SN: 310024-UP

2шт.

26

01643-31032

WASHER

SN: 310024-UP

2шт.

27

04435-50610

CLIP

SN: 310024-UP

1шт.

28

04434-50610

CLIP

SN: 310161-UP

1шт.

29

04434-51210

CLIP

SN: 310161-UP

1шт.

30

01010-81030

BOLT

SN: 310161-UP

1шт.

Выбрано товаров: 64