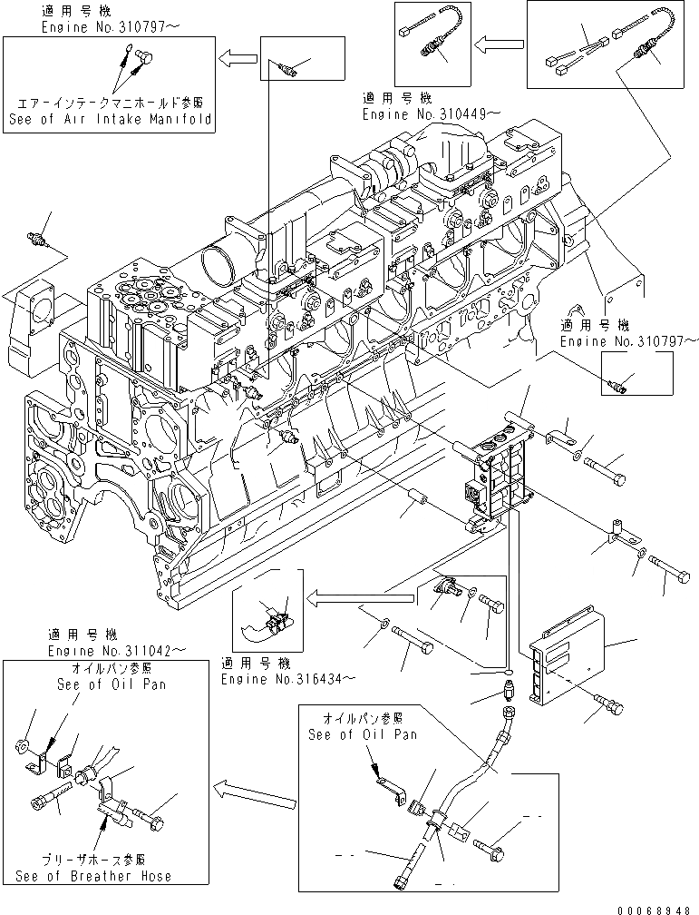
Запчасти Komatsu SAA6D170E-3C-8 УПРАВЛ-Е ПОДАЧ. ТОПЛИВА КЛАПАН(№8-) ДВИГАТЕЛЬ

Схема запчастей Komatsu SAA6D170E-3C-8 - УПРАВЛ-Е ПОДАЧ. ТОПЛИВА КЛАПАН(№8-) ДВИГАТЕЛЬ
1
2
3
4
4
5
6
7
7
8
9
9
10
10
11
12
13
13
14
14
15
16
17
18
19
20
20
21
22
23
23
23
23
24
24
25
25
26
1
2
3
4
4
5
6
7
7
8
9
9
10
10
11
12
13
13
14
14
15
16
17
18
19
20
20
21
22
23
23
23
23
24
24
25
25
26
FIT
1:1
100%

Артикул

Название

Примечание

Количество

1

6560-41-3100

CONTROL VALVE ASS'Y,(SEE FIG.A4710-B6F7)

SN: 310448-UP

1шт.

2

0

CONTROLLER ASS'Y

SN: 315841-UP

1шт.

2

0

CONTROLLER ASS'Y

SN: 315382-315840

1шт.

2

0

CONTROLLER ASS'Y

SN: 313940-315381

1шт.

2

0

CONTROLLER ASS'Y

SN: 311791-313939

1шт.

2

0

CONTROLLER ASS'Y

SN: 311218-311790

1шт.

2

0

CONTROLLER ASS'Y

SN: 310652-311217

1шт.

2

0

CONTROLLER ASS'Y

SN: 310448-310651

1шт.

3

6216-84-9320

SCREW

SN: 310448-UP

6шт.

4

6560-61-2110

SENSOR,REVOLUTION

SN: 310448-UP

1шт.

5

6560-61-9190

HARNESS

SN: 310448-310448

1шт.

6

6216-84-9140

SENSOR ASS'Y,TEMPERATURE

SN: 310448-UP

1шт.

7

6216-84-9331

SENSOR,AMBIENT AIR PRESSURE

SN: 316434-UP

1шт.

7

6216-84-9330

SENSOR,AMBIENT AIR PRESSURE

SN: 310448-316433

1шт.

8

02010-70425

BOLT

SN: 310448-316433

2шт.

9

08034-20536

BAND

SN: 316434-UP

2шт.

9

01640-20610

WASHER

SN: 310448-316433

2шт.

10

6560-61-7300

SENSOR ASS'Y,INTAKE AIR TEMPERATURE

SN: 311550-UP

1шт.

10

0

SENSOR,INTAKE AIR TEMPERATURE

SN: 310448-311549

1шт.

11

6560-61-7102

SENSOR ASS'Y,BOOST PRESSURE

SN: 311911-UP

1шт.

11

0

SENSOR,BOOST PRESSURE

SN: 310448-311910

1шт.

12

6216-84-9111

SENSOR ASS'Y,OIL PRESSURE

SN: 314037-UP

1шт.

12

0

SENSOR ASS'Y,OIL PRESSURE

SN: 310448-314036

1шт.

13

01011-81010

BOLT

SN: 310448-UP

2шт.

14

01643-31032

WASHER

SN: 310448-UP

2шт.

15

01010-81085

BOLT

SN: 310448-UP

2шт.

16

01643-31032

WASHER

SN: 310448-UP

2шт.

17

6152-21-6590

SPACER

SN: 310448-UP

2шт.

18

6240-71-8930

BRACKET

SN: 310448-UP

1шт.

19

6240-71-8940

BRACKET

SN: 310448-UP

1шт.

20

6240-71-5980

HOSE

SN: 310448-UP

1шт.

21

6240-71-5990

NIPPLE

SN: 310448-UP

1шт.

22

07002-21423

O-RING

SN: 310448-UP

1шт.

23

07094-10315

CLAMP

SN: 310448-UP

2шт.

24

07095-00316

CUSHION

SN: 310448-UP

1шт.

25

01435-01065

BOLT

SN: 311186-UP

1шт.

25

01435-01060

BOLT

SN: 311042-311185

1шт.

25

01435-01055

BOLT

SN: 310448-311041

1шт.

26

01584-01008

NUT

SN: 311042-UP

1шт.

1

6560-41-3100

CONTROL VALVE ASS'Y,(SEE FIG.A4710-B6F7)

SN: 310448-UP

1шт.

2

0

CONTROLLER ASS'Y

SN: 315841-UP

1шт.

2

0

CONTROLLER ASS'Y

SN: 315382-315840

1шт.

2

0

CONTROLLER ASS'Y

SN: 313940-315381

1шт.

2

0

CONTROLLER ASS'Y

SN: 311791-313939

1шт.

2

0

CONTROLLER ASS'Y

SN: 311218-311790

1шт.

2

0

CONTROLLER ASS'Y

SN: 310652-311217

1шт.

2

0

CONTROLLER ASS'Y

SN: 310448-310651

1шт.

3

6216-84-9320

SCREW

SN: 310448-UP

6шт.

4

6560-61-2110

SENSOR,REVOLUTION

SN: 310448-UP

1шт.

5

6560-61-9190

HARNESS

SN: 310448-310448

1шт.

6

6216-84-9140

SENSOR ASS'Y,TEMPERATURE

SN: 310448-UP

1шт.

7

6216-84-9331

SENSOR,AMBIENT AIR PRESSURE

SN: 316434-UP

1шт.

7

6216-84-9330

SENSOR,AMBIENT AIR PRESSURE

SN: 310448-316433

1шт.

8

02010-70425

BOLT

SN: 310448-316433

2шт.

9

08034-20536

BAND

SN: 316434-UP

2шт.

9

01640-20610

WASHER

SN: 310448-316433

2шт.

10

6560-61-7300

SENSOR ASS'Y,INTAKE AIR TEMPERATURE

SN: 311550-UP

1шт.

10

0

SENSOR,INTAKE AIR TEMPERATURE

SN: 310448-311549

1шт.

11

6560-61-7102

SENSOR ASS'Y,BOOST PRESSURE

SN: 311911-UP

1шт.

11

0

SENSOR,BOOST PRESSURE

SN: 310448-311910

1шт.

12

6216-84-9111

SENSOR ASS'Y,OIL PRESSURE

SN: 314037-UP

1шт.

12

0

SENSOR ASS'Y,OIL PRESSURE

SN: 310448-314036

1шт.

13

01011-81010

BOLT

SN: 310448-UP

2шт.

14

01643-31032

WASHER

SN: 310448-UP

2шт.

15

01010-81085

BOLT

SN: 310448-UP

2шт.

16

01643-31032

WASHER

SN: 310448-UP

2шт.

17

6152-21-6590

SPACER

SN: 310448-UP

2шт.

18

6240-71-8930

BRACKET

SN: 310448-UP

1шт.

19

6240-71-8940

BRACKET

SN: 310448-UP

1шт.

20

6240-71-5980

HOSE

SN: 310448-UP

1шт.

21

6240-71-5990

NIPPLE

SN: 310448-UP

1шт.

22

07002-21423

O-RING

SN: 310448-UP

1шт.

23

07094-10315

CLAMP

SN: 310448-UP

2шт.

24

07095-00316

CUSHION

SN: 310448-UP

1шт.

25

01435-01065

BOLT

SN: 311186-UP

1шт.

25

01435-01060

BOLT

SN: 311042-311185

1шт.

25

01435-01055

BOLT

SN: 310448-311041

1шт.

26

01584-01008

NUT

SN: 311042-UP

1шт.

Выбрано товаров: 78