Запчасти Komatsu SAA6D170E-3D-8 ЭЛЕКТРОПРОВОДКА (/) (УПРАВЛ-Е ПОДАЧ. ТОПЛИВА)(№-) ДВИГАТЕЛЬ

Схема запчастей Komatsu SAA6D170E-3D-8 - ЭЛЕКТРОПРОВОДКА (/) (УПРАВЛ-Е ПОДАЧ. ТОПЛИВА)(№-) ДВИГАТЕЛЬ
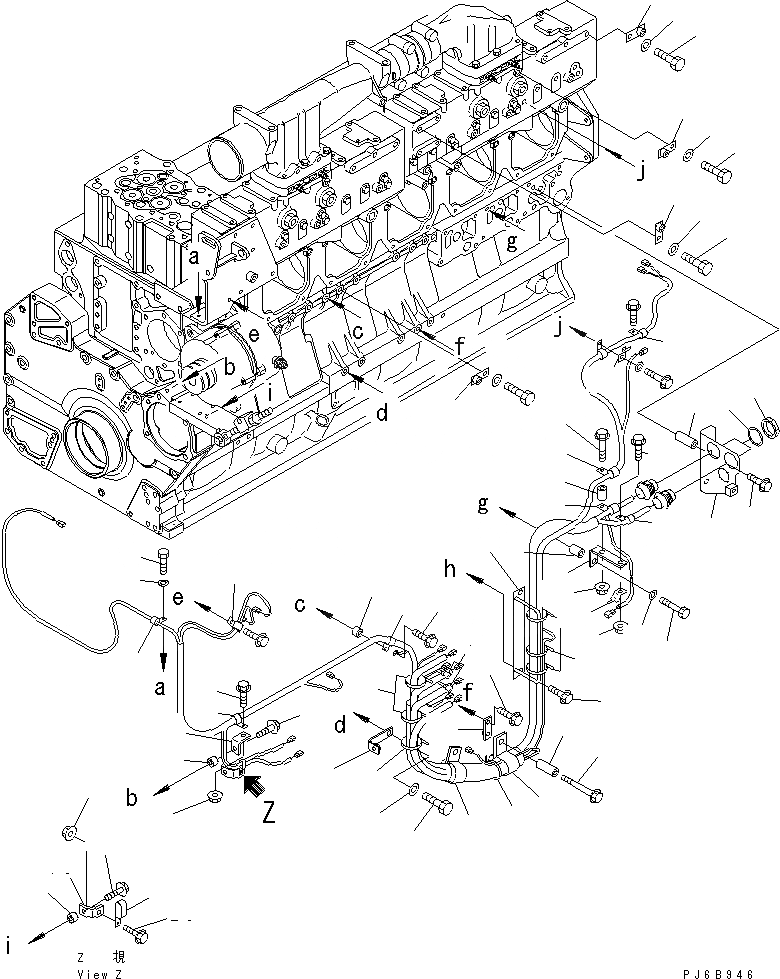
1
2
3
4
5
6
7
7
8
9
10
10
11
12
13
14
14
15
16
17
17
18
18
19
19
20
20
21
21
22
23
24
25
26
27
28
29
29
29
29
30
31
32
33
34
34
35
36
36
37
38
39
40
41
42
43
43
43
43
44
44
45
45
46
47
1
2
3
4
5
6
7
7
8
9
10
10
11
12
13
14
14
15
16
17
17
18
18
19
19
20
20
21
21
22
23
24
25
26
27
28
29
29
29
29
30
31
32
33
34
34
35
36
36
37
38
39
40
41
42
43
43
43
43
44
44
45
45
46
47
FIT
1:1
100%

Артикул

Название

Примечание

Количество

1

6240-81-5551

BRACKET

SN: 310021-UP

1шт.

|1

0

BRACKET

SN: 310005-310020

1шт.

2

01435-01075

BOLT

SN: 310005-UP

2шт.

3

6150-81-6940

SPACER

SN: 310005-UP

2шт.

4

08191-50808

NUT

SN: 310005-UP

2шт.

5

08191-50809

WASHER¤ LOCK

SN: 310005-UP

2шт.

6

6240-81-5440

BRACKET

SN: 310005-UP

1шт.

7

6167-21-5910

SPACER

SN: 310005-UP

2шт.

8

01010-81065

BOLT

SN: 310005-UP

1шт.

9

01640-21016

WASHER

SN: 310005-UP

1шт.

10

08193-20010

CLIP

SN: 310005-UP

2шт.

11

04434-51810

CLIP

SN: 310005-UP

1шт.

12

01435-01055

BOLT

SN: 310005-UP

1шт.

13

01584-01008

NUT

SN: 310005-UP

1шт.

14

04434-51310

CLIP

SN: 310005-UP

2шт.

15

01435-01020

BOLT

SN: 310005-UP

1шт.

16

01584-01008

NUT

SN: 310005-UP

1шт.

17

195-01-14540

COLLAR

SN: 310005-UP

2шт.

18

6150-61-6370

BRACKET

SN: 310005-UP

2шт.

19

01435-01035

BOLT

SN: 310005-UP

2шт.

20

01435-01025

BOLT

SN: 310005-UP

2шт.

21

01584-01008

NUT

SN: 310005-UP

2шт.

22

04434-51510

CLIP

SN: 310005-UP

1шт.

23

04435-51010

CLIP

SN: 310005-UP

1шт.

24

195-01-14540

COLLAR

SN: 310005-UP

1шт.

25

04434-51510

CLIP

SN: 310005-UP

1шт.

26

01435-01030

BOLT

SN: 310005-UP

1шт.

27

6240-81-5410

BRACKET

SN: 310005-UP

1шт.

28

01435-01020

BOLT

SN: 310005-UP

2шт.

29

08034-20536

BAND

SN: 310005-UP

9шт.

30

01435-01020

BOLT

SN: 310005-UP

1шт.

31

6212-85-2440

PLATE

SN: 310005-UP

1шт.

32

6207-11-5970

SPACER

SN: 310164-UP

1шт.

|32

0

SPACER

SN: 310005-310163

1шт.

33

01436-01020

BOLT

SN: 310164-UP

1шт.

|33

0

BOLT

SN: 310005-310163

1шт.

34

04434-52110

CLIP

SN: 310164-UP

4шт.

|34

0

CLIP

SN: 310005-310163

4шт.

35

08038-00519

CAP

SN: 310005-UP

2шт.

36

04434-51210

CLIP

SN: 310005-UP

2шт.

37

01010-81030

BOLT

SN: 310005-UP

1шт.

38

01643-31032

WASHER

SN: 310005-UP

1шт.

39

04434-51012

CLIP

SN: 310005-UP

1шт.

40

426-35-11590

BRACKET

SN: 310005-UP

1шт.

41

01010-81020

BOLT

SN: 310005-UP

1шт.

42

01643-31032

WASHER

SN: 310005-UP

1шт.

43

426-06-11570

BRACKET

SN: 310005-UP

4шт.

44

01010-81020

BOLT

SN: 310005-UP

2шт.

45

01643-31032

WASHER

SN: 310005-UP

2шт.

46

01010-81225

BOLT

SN: 310005-UP

1шт.

47

01643-31232

WASHER

SN: 310005-UP

1шт.

1

6240-81-5551

BRACKET

SN: 310021-UP

1шт.

|1

0

BRACKET

SN: 310005-310020

1шт.

2

01435-01075

BOLT

SN: 310005-UP

2шт.

3

6150-81-6940

SPACER

SN: 310005-UP

2шт.

4

08191-50808

NUT

SN: 310005-UP

2шт.

5

08191-50809

WASHER¤ LOCK

SN: 310005-UP

2шт.

6

6240-81-5440

BRACKET

SN: 310005-UP

1шт.

7

6167-21-5910

SPACER

SN: 310005-UP

2шт.

8

01010-81065

BOLT

SN: 310005-UP

1шт.

9

01640-21016

WASHER

SN: 310005-UP

1шт.

10

08193-20010

CLIP

SN: 310005-UP

2шт.

11

04434-51810

CLIP

SN: 310005-UP

1шт.

12

01435-01055

BOLT

SN: 310005-UP

1шт.

13

01584-01008

NUT

SN: 310005-UP

1шт.

14

04434-51310

CLIP

SN: 310005-UP

2шт.

15

01435-01020

BOLT

SN: 310005-UP

1шт.

16

01584-01008

NUT

SN: 310005-UP

1шт.

17

195-01-14540

COLLAR

SN: 310005-UP

2шт.

18

6150-61-6370

BRACKET

SN: 310005-UP

2шт.

19

01435-01035

BOLT

SN: 310005-UP

2шт.

20

01435-01025

BOLT

SN: 310005-UP

2шт.

21

01584-01008

NUT

SN: 310005-UP

2шт.

22

04434-51510

CLIP

SN: 310005-UP

1шт.

23

04435-51010

CLIP

SN: 310005-UP

1шт.

24

195-01-14540

COLLAR

SN: 310005-UP

1шт.

25

04434-51510

CLIP

SN: 310005-UP

1шт.

26

01435-01030

BOLT

SN: 310005-UP

1шт.

27

6240-81-5410

BRACKET

SN: 310005-UP

1шт.

28

01435-01020

BOLT

SN: 310005-UP

2шт.

29

08034-20536

BAND

SN: 310005-UP

9шт.

30

01435-01020

BOLT

SN: 310005-UP

1шт.

31

6212-85-2440

PLATE

SN: 310005-UP

1шт.

32

6207-11-5970

SPACER

SN: 310164-UP

1шт.

|32

0

SPACER

SN: 310005-310163

1шт.

33

01436-01020

BOLT

SN: 310164-UP

1шт.

|33

0

BOLT

SN: 310005-310163

1шт.

34

04434-52110

CLIP

SN: 310164-UP

4шт.

|34

0

CLIP

SN: 310005-310163

4шт.

35

08038-00519

CAP

SN: 310005-UP

2шт.

36

04434-51210

CLIP

SN: 310005-UP

2шт.

37

01010-81030

BOLT

SN: 310005-UP

1шт.

38

01643-31032

WASHER

SN: 310005-UP

1шт.

39

04434-51012

CLIP

SN: 310005-UP

1шт.

40

426-35-11590

BRACKET

SN: 310005-UP

1шт.

41

01010-81020

BOLT

SN: 310005-UP

1шт.

42

01643-31032

WASHER

SN: 310005-UP

1шт.

43

426-06-11570

BRACKET

SN: 310005-UP

4шт.

44

01010-81020

BOLT

SN: 310005-UP

2шт.

45

01643-31032

WASHER

SN: 310005-UP

2шт.

46

01010-81225

BOLT

SN: 310005-UP

1шт.

47

01643-31232

WASHER

SN: 310005-UP

1шт.

Выбрано товаров: 102