Запчасти Komatsu SAA6D170E-3D-8 НАТЯЖНОЙ РОЛИК(№-) ДВИГАТЕЛЬ

Схема запчастей Komatsu SAA6D170E-3D-8 - НАТЯЖНОЙ РОЛИК(№-) ДВИГАТЕЛЬ
1
2
3
4
5
6
7
8
9
10
11
12
13
14
15
16
17
18
19
19
20
21
21
22
23
24
25
26
27
28
29
30
31
32
33
34
35
36
1
2
3
4
5
6
7
8
9
10
11
12
13
14
15
16
17
18
19
19
20
21
21
22
23
24
25
26
27
28
29
30
31
32
33
34
35
36
FIT
1:1
100%

Артикул

Название

Примечание

Количество

|1

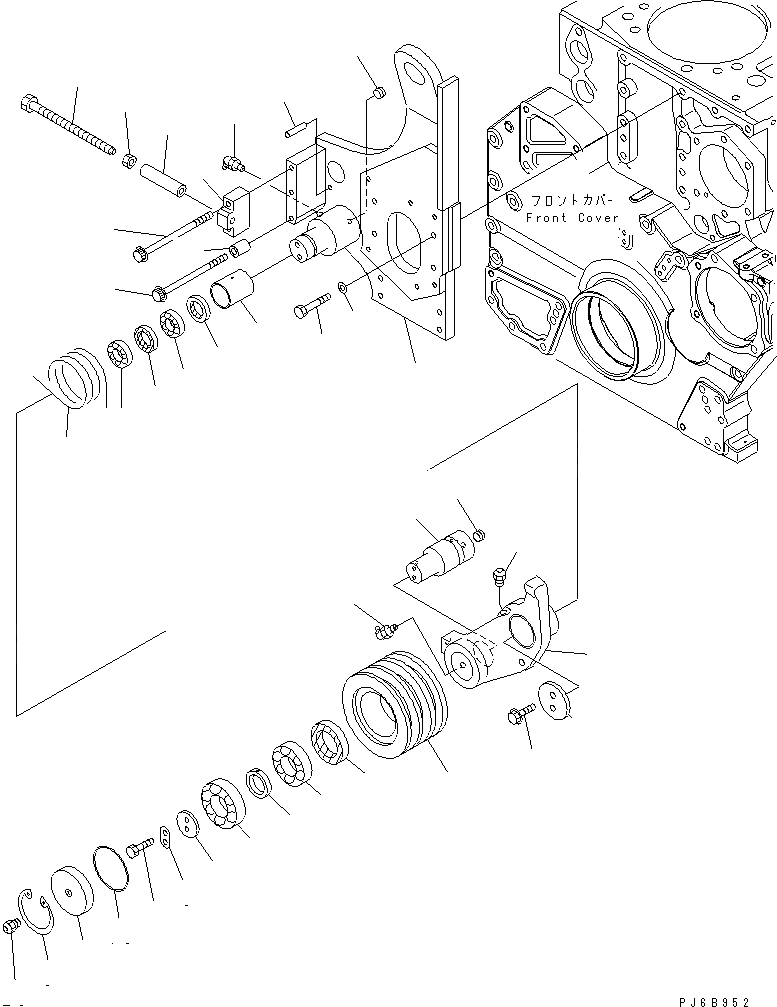
6240-61-4601

TENSION PULLEY ASS'Y

SN: 310005-UP

1шт.

1

6240-61-4611

BRACKET

SN: 310005-UP

1шт.

2

6240-61-4622

BRACKET

SN: 310005-UP

1шт.

3

6240-61-4630

SHAFT

SN: 310005-UP

1шт.

4

6240-61-4640

COVER

SN: 310005-UP

1шт.

5

6127-61-3780

WASHER

SN: 310005-UP

1шт.

6

6127-61-3790

LOCK

SN: 310005-UP

1шт.

7

01010-80820

BOLT

SN: 310005-UP

2шт.

8

6240-61-4660

PULLEY

SN: 310005-UP

1шт.

9

04065-08025

RING,SNAP

SN: 310005-UP

1шт.

10

07000-12080

O-RING

SN: 310005-UP

1шт.

11

6240-61-4670

SPACER

SN: 310005-UP

1шт.

12

06000-06207

BEARING

SN: 310005-UP

1шт.

13

06000-06307

BEARING,BALL

SN: 310005-UP

1шт.

14

07012-00050

SEAL,OIL

SN: 310005-UP

1шт.

15

6127-61-3890

VALVE

SN: 310005-UP

1шт.

16

07020-00675

FITTING

SN: 310005-UP

1шт.

17

6240-61-3460

SPRING

SN: 310005-UP

1шт.

18

04022-12040

PIN,DOWEL

SN: 310005-UP

2шт.

|19

6127-61-3900

BEARING ASS'Y

SN: 310005-UP

1шт.

19

6127-61-3910

BEARING,NEEDLE

SN: 310005-UP

2шт.

20

6127-61-3920

RACE,INNER

SN: 310005-UP

1шт.

21

06122-04504

SEAL,DUST

SN: 310005-UP

2шт.

22

6240-61-4650

PLATE

SN: 310005-UP

1шт.

23

6127-61-3890

VALVE

SN: 310005-UP

1шт.

24

07020-00000

FITTING

SN: 310005-UP

1шт.

25

07043-00108

PLUG

SN: 310005-UP

1шт.

26

01435-01020

BOLT

SN: 310005-UP

2шт.

27

6240-61-4680

BRACKET

SN: 310005-UP

1шт.

28

01437-11050

BOLT

SN: 310005-UP

2шт.

29

708-21-12541

PLUG,DOWEL

SN: 310005-UP

1шт.

30

01437-11040

BOLT

SN: 310005-UP

1шт.

31

6134-12-5120

SPACER

SN: 310005-UP

1шт.

32

6240-61-4770

BOLT

SN: 310005-UP

1шт.

33

6240-61-4790

SPACER

SN: 310005-UP

1шт.

34

01580-11613

NUT

SN: 310005-UP

1шт.

35

01643-31232

WASHER

SN: 310005-UP

8шт.

36

01010-81240

BOLT

SN: 310005-UP

8шт.

|1

6240-61-4601

TENSION PULLEY ASS'Y

SN: 310005-UP

1шт.

1

6240-61-4611

BRACKET

SN: 310005-UP

1шт.

2

6240-61-4622

BRACKET

SN: 310005-UP

1шт.

3

6240-61-4630

SHAFT

SN: 310005-UP

1шт.

4

6240-61-4640

COVER

SN: 310005-UP

1шт.

5

6127-61-3780

WASHER

SN: 310005-UP

1шт.

6

6127-61-3790

LOCK

SN: 310005-UP

1шт.

7

01010-80820

BOLT

SN: 310005-UP

2шт.

8

6240-61-4660

PULLEY

SN: 310005-UP

1шт.

9

04065-08025

RING,SNAP

SN: 310005-UP

1шт.

10

07000-12080

O-RING

SN: 310005-UP

1шт.

11

6240-61-4670

SPACER

SN: 310005-UP

1шт.

12

06000-06207

BEARING

SN: 310005-UP

1шт.

13

06000-06307

BEARING,BALL

SN: 310005-UP

1шт.

14

07012-00050

SEAL,OIL

SN: 310005-UP

1шт.

15

6127-61-3890

VALVE

SN: 310005-UP

1шт.

16

07020-00675

FITTING

SN: 310005-UP

1шт.

17

6240-61-3460

SPRING

SN: 310005-UP

1шт.

18

04022-12040

PIN,DOWEL

SN: 310005-UP

2шт.

|19

6127-61-3900

BEARING ASS'Y

SN: 310005-UP

1шт.

19

6127-61-3910

BEARING,NEEDLE

SN: 310005-UP

2шт.

20

6127-61-3920

RACE,INNER

SN: 310005-UP

1шт.

21

06122-04504

SEAL,DUST

SN: 310005-UP

2шт.

22

6240-61-4650

PLATE

SN: 310005-UP

1шт.

23

6127-61-3890

VALVE

SN: 310005-UP

1шт.

24

07020-00000

FITTING

SN: 310005-UP

1шт.

25

07043-00108

PLUG

SN: 310005-UP

1шт.

26

01435-01020

BOLT

SN: 310005-UP

2шт.

27

6240-61-4680

BRACKET

SN: 310005-UP

1шт.

28

01437-11050

BOLT

SN: 310005-UP

2шт.

29

708-21-12541

PLUG,DOWEL

SN: 310005-UP

1шт.

30

01437-11040

BOLT

SN: 310005-UP

1шт.

31

6134-12-5120

SPACER

SN: 310005-UP

1шт.

32

6240-61-4770

BOLT

SN: 310005-UP

1шт.

33

6240-61-4790

SPACER

SN: 310005-UP

1шт.

34

01580-11613

NUT

SN: 310005-UP

1шт.

35

01643-31232

WASHER

SN: 310005-UP

8шт.

36

01010-81240

BOLT

SN: 310005-UP

8шт.

Выбрано товаров: 76