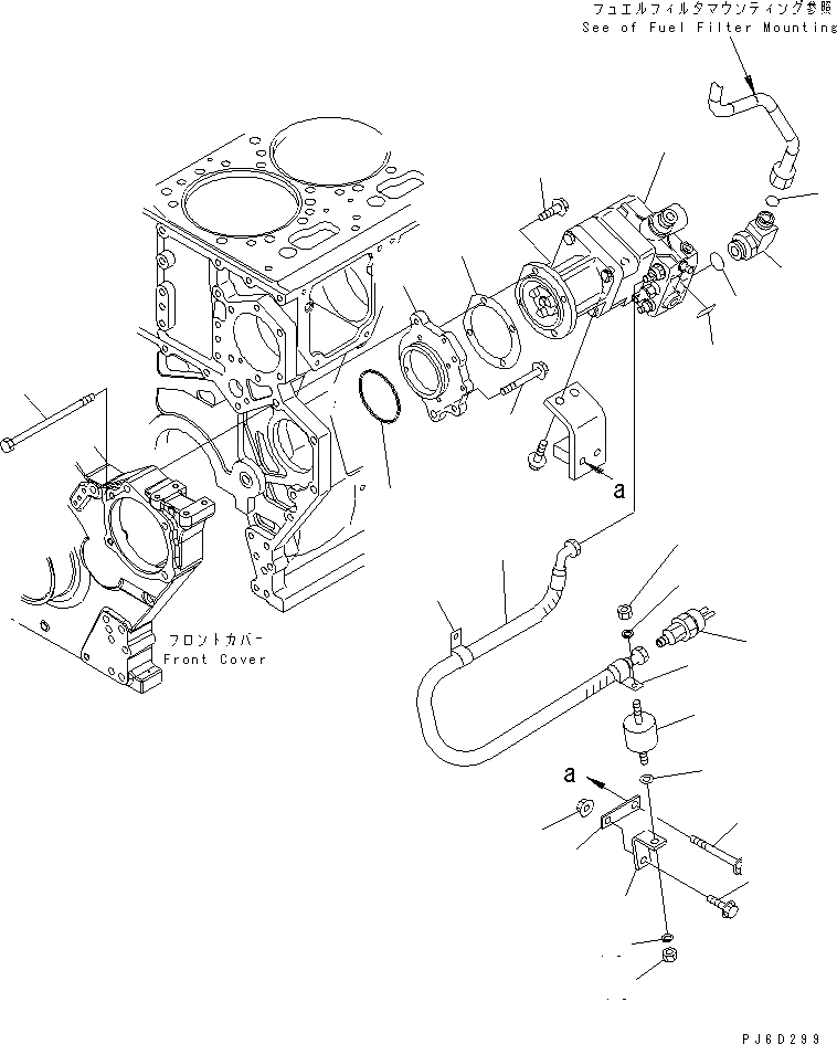
Запчасти Komatsu SAA6D170E-3E-8 КРЕПЛЕНИЕ ТОПЛ. НАСОСА ДВИГАТЕЛЬ

Схема запчастей Komatsu SAA6D170E-3E-8 - КРЕПЛЕНИЕ ТОПЛ. НАСОСА ДВИГАТЕЛЬ
1
2
3
4
5
6
7
8
9
10
11
12
13
14
15
16
16
17
18
18
19
20
21
22
23
24
FIT
1:1
100%

Артикул

Название

Примечание

Количество

1

6560-71-1102

FUEL PUMP ASS'Y,(SEE FIG.A4010-B6E9)

SN: 310085-UP

1шт.

|1

0

FUEL PUMP ASS'Y

SN: 310005-310084

1шт.

|1

0

FUEL PUMP ASS'Y

SN: 310001-310004

1шт.

2

6560-81-7810

HOSE,(SEE FIG.A4010-B6E9)

SN: 310001-UP

1шт.

3

6560-81-7820

BRACKET,(SEE FIG.A4010-B6E9)

SN: 310001-UP

1шт.

4

6560-81-8100

SENSOR ASS'Y,(SEE FIG.A4010-B6E9)

SN: 310001-UP

1шт.

5

6560-81-7850

ISOLATOR,(SEE FIG.A4010-B6E9)

SN: 310001-UP

1шт.

6

01435-01025

BOLT

SN: 310001-UP

4шт.

7

6240-71-1910

ELBOW

SN: 310001-UP

1шт.

8

6240-71-5850

O-RING (K2)

SN: 310001-UP

1шт.

9

6240-71-5860

O-RING (K2)

SN: 310001-UP

1шт.

10

6240-71-3180

GASKET (K2)

SN: 310001-UP

1шт.

11

6560-51-9712

PLATE

SN: 310085-UP

1шт.

|11

0

PLATE

SN: 310005-310084

1шт.

|11

0

PLATE

SN: 310001-310004

1шт.

12

01435-01075

BOLT

SN: 310001-UP

1шт.

13

6162-73-4540

STAY

SN: 310001-UP

1шт.

14

01435-01025

BOLT

SN: 310001-UP

1шт.

15

01584-01008

NUT

SN: 310001-UP

1шт.

16

02205-10609

NUT

SN: 310001-UP

2шт.

17

02300-11226

WASHER

SN: 310001-UP

1шт.

18

706-73-77140

PLATE

SN: 310001-UP

2шт.

19

04434-52110

CLIP

SN: 310001-UP

1шт.

20

04434-51810

CLIP

SN: 310001-UP

1шт.

21

6240-71-3111

PLATE

SN: 310001-UP

1шт.

22

07000-72095

O-RING (K2)

SN: 310001-UP

1шт.

23

01435-01265

BOLT

SN: 310001-UP

1шт.

24

01011-81215

BOLT

SN: 310001-UP

1шт.

Выбрано товаров: 28