Запчасти Komatsu SAA6D170E-3E-8 ЭЛЕКТРОПРОВОДКА (/)(№-) ДВИГАТЕЛЬ

Схема запчастей Komatsu SAA6D170E-3E-8 - ЭЛЕКТРОПРОВОДКА (/)(№-) ДВИГАТЕЛЬ
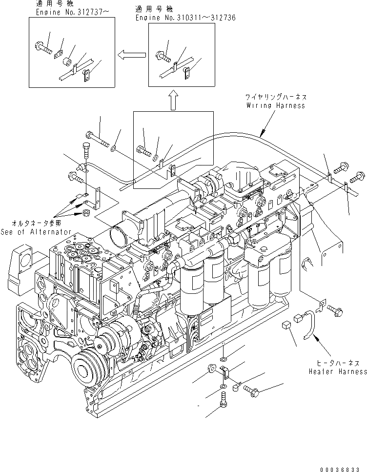
1
2
3
3
4
5
6
7
7
8
8
8
9
10
11
11
11
12
12
12
13
14
15
16
17
FIT
1:1
100%

Артикул

Название

Примечание

Количество

1

6150-21-5790

STAY

SN: 310213-UP

1шт.

2

01010-81050

BOLT

SN: 311778-UP

1шт.

2

01010-81055

BOLT

SN: 311092-311777

1шт.

2

01010-81045

BOLT

SN: 310213-311091

1шт.

3

01643-31032

WASHER

SN: 310213-UP

2шт.

4

04434-50610

CLIP

SN: 310213-UP

1шт.

5

01435-01020

BOLT

SN: 310311-UP

1шт.

5

0

BOLT

SN: 310213-310310

1шт.

6

01584-01008

NUT

SN: 310311-UP

1шт.

6

0

NUT

SN: 310213-310310

1шт.

7

04434-51612

CLIP

SN: 310213-UP

2шт.

8

426-06-11570

BRACKET

SN: 310213-UP

1шт.

9

01010-81085

BOLT

SN: 310213-UP

1шт.

10

01643-31032

WASHER

SN: 310213-UP

1шт.

11

04434-51610

CLIP

SN: 310213-UP

1шт.

12

01435-01040

BOLT

SN: 312737-UP

1шт.

12

01435-01016

BOLT

SN: 310311-312736

1шт.

12

0

BOLT

SN: 310213-310310

1шт.

13

6210-11-5820

SPACER

SN: 312737-UP

1шт.

14

01643-31032

WASHER

SN: 310213-310310

1шт.

15

426-06-11570

BRACKET

SN: 312737-UP

1шт.

16

04434-50810

CLIP

SN: 310213-UP

1шт.

17

6240-81-5470

CONNECTOR

SN: 310213-UP

1шт.

Выбрано товаров: 23