Запчасти Komatsu SAA6D170E-3E-8 КОМПРЕССОР (ВОДН. ГИДРОЛИНИЯ) (БЕЗ АНТИКОРРОЗ. ЭЛЕМЕНТА) (/)(№9-) ДВИГАТЕЛЬ

Схема запчастей Komatsu SAA6D170E-3E-8 - КОМПРЕССОР (ВОДН. ГИДРОЛИНИЯ) (БЕЗ АНТИКОРРОЗ. ЭЛЕМЕНТА) (/)(№9-) ДВИГАТЕЛЬ
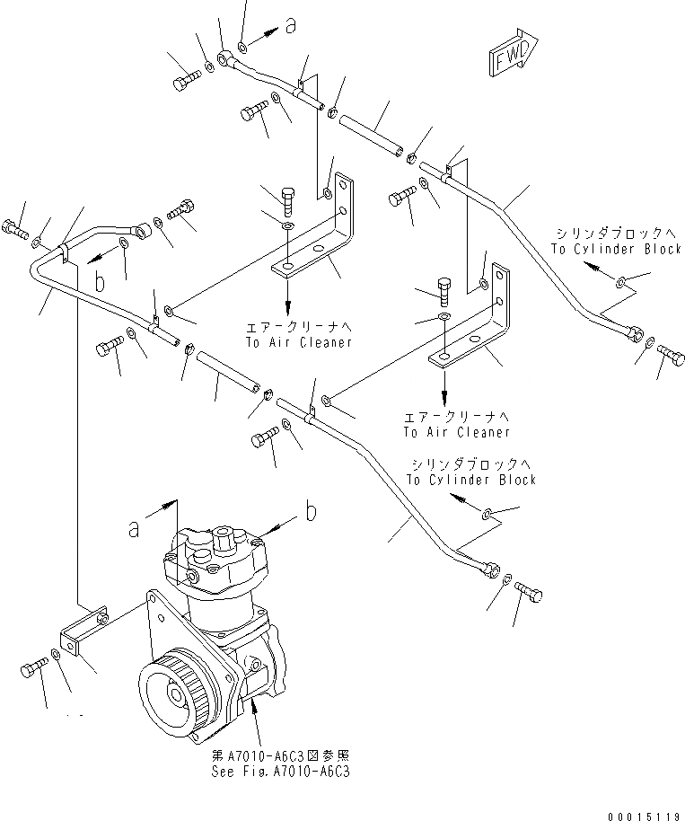
1
2
3
3
4
4
4
4
5
5
6
6
7
7
8
8
8
8
9
9
10
10
10
10
11
11
11
11
12
12
12
12
12
12
12
12
13
14
15
16
17
18
19
19
20
20
21
21
21
21
FIT
1:1
100%

Артикул

Название

Примечание

Количество

1

6240-61-8410

TUBE

SN: 311092-UP

1шт.

2

6240-61-8420

TUBE

SN: 311092-UP

1шт.

3

07206-31014

BOLT,JOINT

SN: 311092-UP

2шт.

4

07005-01412

SEAL, WASHER (K8)

SN: 311092-UP

4шт.

5

6240-61-8430

BRACKET

SN: 311092-UP

2шт.

6

01010-81240

BOLT

SN: 311092-UP

4шт.

7

01643-31232

WASHER

SN: 311092-UP

4шт.

8

07281-00197

CLAMP

SN: 311092-UP

4шт.

9

07260-20913

HOSE

SN: 311092-UP

2шт.

10

04434-51010

CLIP

SN: 311092-UP

4шт.

11

01010-81025

BOLT

SN: 311092-UP

4шт.

12

01643-31032

WASHER

SN: 311092-UP

8шт.

13

6240-61-8460

TUBE

SN: 311092-UP

1шт.

14

6240-61-8470

TUBE

SN: 311092-UP

1шт.

15

23S-44-14540

PLATE

SN: 311092-UP

1шт.

16

01010-81025

BOLT

SN: 311092-UP

1шт.

17

04434-51010

CLIP

SN: 311092-UP

1шт.

18

01010-81020

BOLT

SN: 311092-UP

1шт.

19

01643-31032

WASHER

SN: 311092-UP

2шт.

20

07206-31014

BOLT,JOINT

SN: 311092-UP

2шт.

21

07005-01412

SEAL, WASHER (K8)

SN: 311092-UP

4шт.

Выбрано товаров: 21