Запчасти Komatsu SAA6D170E-3E-8 УПРАВЛ-Е ПОДАЧ. ТОПЛИВА КЛАПАН(№-) ДВИГАТЕЛЬ

Схема запчастей Komatsu SAA6D170E-3E-8 - УПРАВЛ-Е ПОДАЧ. ТОПЛИВА КЛАПАН(№-) ДВИГАТЕЛЬ
1
2
3
4
4
5
5
6
7
8
9
9
9
10
11
12
12
13
14
14
15
15
16
17
18
19
20
21
22
23
FIT
1:1
100%

Артикул

Название

Примечание

Количество

1

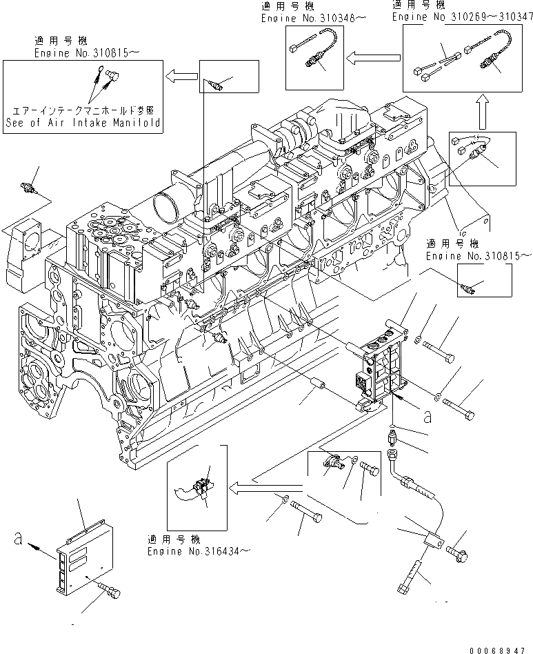
6560-41-3100

CONTROL VALVE ASS'Y,(SEE FIG.A4710-B6F5)

SN: 310213-UP

1шт.

2

0

CONTROLLER ASS'Y

SN: 315670-UP

1шт.

2

0

CONTROLLER ASS'Y

SN: 315382-315669

1шт.

2

0

CONTROLLER ASS'Y

SN: 311778-315381

1шт.

2

0

CONTROLLER ASS'Y

SN: 311141-311777

1шт.

2

0

CONTROLLER ASS'Y

SN: 310735-311140

1шт.

2

0

CONTROLLER ASS'Y

SN: 310213-310734

1шт.

3

6216-84-9320

SCREW

SN: 310213-UP

6шт.

4

01011-81000

BOLT

SN: 310213-UP

2шт.

5

01643-31032

WASHER

SN: 310213-UP

2шт.

6

01010-81085

BOLT

SN: 310213-UP

2шт.

7

01643-31032

WASHER

SN: 310213-UP

2шт.

8

6152-21-6590

SPACER

SN: 310213-UP

2шт.

9

6560-61-2110

SENSOR,REVOLUTION

SN: 310269-UP

1шт.

9

0

SENSOR,REVOLUTION

SN: 310213-310268

1шт.

|$$16

(6560-61-2110,6560-61-9190)

-1шт.

10

6560-61-9190

HARNESS

SN: 310269-310347

1шт.

11

6216-84-9140

SENSOR ASS'Y,TEMPERATURE

SN: 310213-UP

1шт.

12

6216-84-9331

SENSOR,AMBIENT AIR PRESSURE

SN: 316434-UP

1шт.

12

6216-84-9330

SENSOR,AMBIENT AIR PRESSURE

SN: 310213-316433

1шт.

13

02010-70425

BOLT

SN: 310213-316433

2шт.

14

08034-20536

BAND

SN: 316434-UP

2шт.

14

01640-20610

WASHER

SN: 310213-316433

2шт.

15

6560-61-7300

SENSOR ASS'Y,INTAKE AIR TEMPERATURE

SN: 311550-UP

1шт.

15

0

SENSOR,INTAKE AIR TEMPERATURE

SN: 310213-311549

1шт.

16

6560-61-7102

SENSOR ASS'Y,BOOST PRESSURE

SN: 311919-UP

1шт.

16

0

SENSOR,BOOST PRESSURE

SN: 310213-311918

1шт.

17

6216-84-9111

SENSOR ASS'Y,OIL PRESSURE

SN: 314083-UP

1шт.

17

6216-84-9110

SENSOR ASS'Y,OIL PRESSURE

SN: 310213-314082

1шт.

18

6240-71-5980

HOSE

SN: 310213-UP

1шт.

19

6240-71-5990

NIPPLE

SN: 310213-UP

1шт.

20

07002-21423

O-RING

SN: 310213-UP

1шт.

21

07094-10315

CLAMP

SN: 310213-UP

2шт.

22

07095-00316

CUSHION

SN: 310213-UP

1шт.

23

01435-01055

BOLT

SN: 310213-UP

1шт.

Выбрано товаров: 35