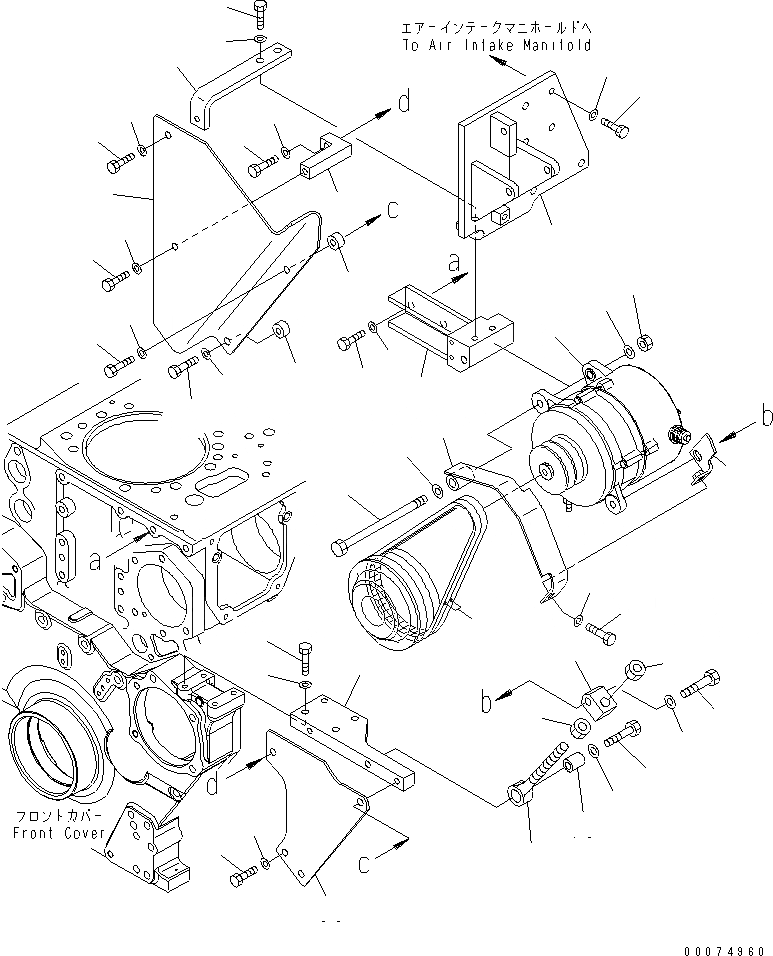
Запчасти Komatsu SAA6D170E-3F-8 КРЕПЛЕНИЕ ГЕНЕРАТОРА (7A) (MSHA СПЕЦ-Я.)(№-) ДВИГАТЕЛЬ

Схема запчастей Komatsu SAA6D170E-3F-8 - КРЕПЛЕНИЕ ГЕНЕРАТОРА (7A) (MSHA СПЕЦ-Я.)(№-) ДВИГАТЕЛЬ
1
2
3
4
5
6
7
8
9
10
11
12
13
14
15
16
17
18
19
20
21
22
23
23
24
25
26
27
28
28
29
29
30
30
31
32
33
34
35
36
37
38
39
40
41
41A
42
43
FIT
1:1
100%

Артикул

Название

Примечание

Количество

1

600-821-9731

ALTERNATOR A. (75A),(SEE FIG.A6010-B6H9)

SN: 311145-UP

1шт.

1

0

ALTERNATOR A. (75A),(SEE FIG.A6010-B6H9)

SN: 310262-311144

1шт.

2

6732-81-6840

BOLT

SN: 310262-UP

1шт.

3

01643-31232

WASHER

SN: 310262-UP

1шт.

4

01582-11210

NUT

SN: 310262-UP

1шт.

5

01640-21323

WASHER

SN: 310262-UP

1шт.

6

6240-81-6630

BRACKET

SN: 310262-UP

1шт.

7

01010-81230

BOLT

SN: 310262-UP

2шт.

8

01643-31232

WASHER

SN: 310262-UP

2шт.

9

569-07-81210

BRACKET

SN: 310302-UP

1шт.

9

0

BRACKET

SN: 310262-310301

1шт.

10

01010-81030

BOLT

SN: 310262-UP

6шт.

11

01643-31032

WASHER

SN: 310262-UP

6шт.

12

6240-81-6461

BRACKET

SN: 310262-UP

1шт.

13

01010-81040

BOLT

SN: 310262-UP

2шт.

14

01643-31032

WASHER

SN: 310262-UP

2шт.

15

6240-81-6420

BRACKET

SN: 310262-UP

1шт.

16

01010-81045

BOLT

SN: 310262-UP

4шт.

17

01643-31032

WASHER

SN: 310262-UP

4шт.

18

6240-81-8640

ROD

SN: 310262-UP

1шт.

19

6215-81-6150

PIN

SN: 310262-UP

1шт.

20

01010-81255

BOLT

SN: 310262-UP

1шт.

21

01643-31232

WASHER

SN: 310262-UP

1шт.

22

6150-82-8690

PLATE

SN: 310262-UP

1шт.

23

01580-11411

NUT

SN: 310262-UP

2шт.

24

01050-51260

BOLT

SN: 310262-UP

1шт.

25

01643-31232

WASHER

SN: 310262-UP

1шт.

26

04121-21740

V-BELT SET

SN: 310262-UP

1шт.

27

6240-81-6411

COVER

SN: 310262-UP

1шт.

28

01010-81040

BOLT

SN: 310262-UP

2шт.

29

01643-31032

WASHER

SN: 310262-UP

2шт.

30

195-03-41520

COLLAR

SN: 310262-UP

2шт.

31

01010-81025

BOLT

SN: 310262-UP

1шт.

32

01643-31032

WASHER

SN: 310262-UP

1шт.

33

01010-81020

BOLT

SN: 310262-UP

1шт.

34

01643-31032

WASHER

SN: 310262-UP

1шт.

35

6240-81-6440

COVER

SN: 310262-UP

1шт.

36

6240-81-6450

BRACKET

SN: 310262-UP

1шт.

37

01010-81025

BOLT

SN: 310262-UP

1шт.

38

01643-31032

WASHER

SN: 310262-UP

1шт.

39

6240-81-6470

COVER

SN: 310262-UP

1шт.

40

6240-81-6530

BRACKET

SN: 310262-UP

1шт.

41

01010-81020

BOLT

SN: 310262-UP

1шт.

41A

01643-31032

WASHER

SN: 310262-UP

1шт.

42

01010-81045

BOLT

SN: 310262-UP

1шт.

43

01643-31032

WASHER

SN: 310262-UP

1шт.

Выбрано товаров: 46