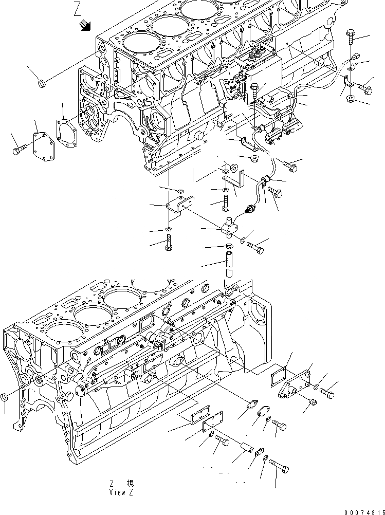
Запчасти Komatsu SAA6D170E-3F-8 ЗАГЛУШКА БЛОКА ЦИЛИНДРОВ И ДАТЧИК(№7-) ДВИГАТЕЛЬ

Схема запчастей Komatsu SAA6D170E-3F-8 - ЗАГЛУШКА БЛОКА ЦИЛИНДРОВ И ДАТЧИК(№7-) ДВИГАТЕЛЬ
1
2
3
4
5
6
7
8
9
10
11
12
13
14
15
16
17
18
19
20
21
21
22
23
24
25
25A
26
27
28
29
30
31
32
33
33A
34
35
36
37
38
39
40
41
42
43
44
44
45
46
47
48
49
FIT
1:1
100%

Артикул

Название

Примечание

Количество

1

6162-23-6530

PLATE

SN: 313271-UP

1шт.

2

6127-51-6822

GASKET (K2)

SN: 313271-UP

1шт.

3

01010-81025

BOLT

SN: 313271-UP

2шт.

4

01643-31032

WASHER

SN: 313271-UP

2шт.

5

6240-21-3850

PLATE

SN: 313271-UP

1шт.

6

6240-21-3810

GASKET

SN: .-UP

1шт.

6

0

GASKET

SN: 313272-.

1шт.

6

0

GASKET (K2)

SN: 313271-313271

1шт.

7

01010-81225

BOLT

SN: 313271-UP

6шт.

8

6240-11-8161

BRACKET

SN: 313271-UP

1шт.

9

6210-21-1971

GASKET (K2)

SN: 313271-UP

1шт.

10

01010-81035

BOLT

SN: 313271-UP

4шт.

11

01643-51032

WASHER

SN: 313271-UP

4шт.

12

07042-A0415

PLUG

SN: 313271-UP

1шт.

13

6162-63-6710

PLATE

SN: 313271-UP

1шт.

14

6162-63-6731

GASKET (K2)

SN: 313271-UP

1шт.

15

01010-80820

BOLT

SN: 313271-UP

5шт.

16

01640-20816

WASHER

SN: 313271-UP

5шт.

17

01010-80870

BOLT

SN: 313271-UP

1шт.

18

01640-20816

WASHER

SN: 313271-UP

1шт.

19

426-01-11310

BRACKET

SN: 313271-UP

1шт.

20

6152-51-5520

SPACER

SN: 313271-UP

1шт.

21

07046-44016

PLUG

SN: 313271-UP

2шт.

22

6218-81-4111

SENSOR ASS'Y,BLOWBY

SN: 313271-UP

1шт.

23

6240-81-8120

BRACKET

SN: 313271-UP

1шт.

24

01010-81050

BOLT

SN: 313271-UP

2шт.

25

01643-31032

WASHER

SN: 313271-UP

2шт.

25A

01643-31032

WASHER

SN: 313271-UP

1шт.

26

6240-81-8110

CONNECTOR

SN: 313271-UP

1шт.

27

01010-81060

BOLT

SN: 313271-UP

2шт.

28

01643-31032

WASHER

SN: 313271-UP

2шт.

29

07286-02652

HOSE

SN: 313271-UP

1шт.

30

07281-00359

CLAMP

SN: 313271-UP

1шт.

31

6240-81-8130

BRACKET

SN: 313271-UP

1шт.

32

01010-81045

BOLT

SN: 313271-UP

1шт.

33

01643-31032

WASHER

SN: 313271-UP

1шт.

33A

01643-31032

WASHER

SN: 313271-UP

1шт.

34

198-06-53520

BUSHING

SN: 313271-UP

1шт.

35

04434-51410

CLIP

SN: 313271-UP

1шт.

36

01435-01020

BOLT

SN: 313271-UP

1шт.

37

01584-01008

NUT

SN: 313271-UP

1шт.

38

6240-81-8140

BRACKET

SN: 313271-UP

1шт.

39

01435-01030

BOLT

SN: 313271-UP

1шт.

40

198-06-53520

BUSHING

SN: 313271-UP

1шт.

41

04434-51410

CLIP

SN: 313271-UP

1шт.

42

01435-01020

BOLT

SN: 313271-UP

1шт.

43

01584-01008

NUT

SN: 313271-UP

1шт.

44

08034-20536

BAND

SN: 313271-UP

3шт.

45

6210-81-5540

BRACKET

SN: 313271-UP

1шт.

46

01435-01085

BOLT

SN: 313271-UP

1шт.

47

08193-20010

CLIP

SN: 313271-UP

1шт.

48

01435-01020

BOLT

SN: 313271-UP

1шт.

49

01584-01008

NUT

SN: 313271-UP

1шт.

Выбрано товаров: 53