Запчасти Komatsu SAA6D170E-3F-8 ЗАГЛУШКА БЛОКА ЦИЛИНДРОВ И ДАТЧИК (МОРОЗОУСТОЙЧИВ. СПЕЦИФИКАЦИЯ.)(№7-) ДВИГАТЕЛЬ

Схема запчастей Komatsu SAA6D170E-3F-8 - ЗАГЛУШКА БЛОКА ЦИЛИНДРОВ И ДАТЧИК (МОРОЗОУСТОЙЧИВ. СПЕЦИФИКАЦИЯ.)(№7-) ДВИГАТЕЛЬ
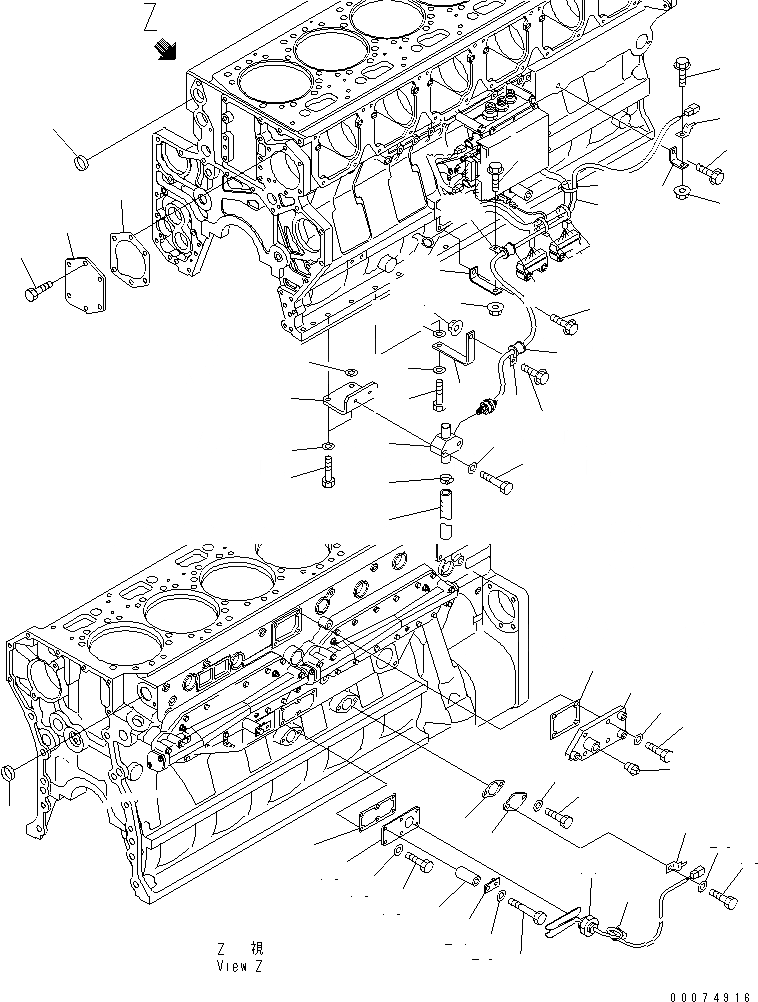
1
2
3
4
5
6
7
8
9
10
11
12
13
14
15
16
17
18
19
20
21
22
23
24
25
26
26
27
28
29
30
30A
31
32
33
34
35
36
37
38
38A
39
40
41
42
43
44
45
46
47
48
49
49
50
51
52
53
54
FIT
1:1
100%

Артикул

Название

Примечание

Количество

1

6162-23-6530

PLATE

SN: 313271-UP

1шт.

2

6127-51-6822

GASKET (K2)

SN: 313271-UP

1шт.

3

01010-81025

BOLT

SN: 313271-UP

2шт.

4

01643-31032

WASHER

SN: 313271-UP

2шт.

5

6240-21-3850

PLATE

SN: 313271-UP

1шт.

6

6240-21-3810

GASKET

SN: .-UP

1шт.

6

0

GASKET

SN: 313272-.

1шт.

6

0

GASKET (K2)

SN: 313271-313271

1шт.

7

01010-81225

BOLT

SN: 313271-UP

6шт.

8

6240-11-8161

BRACKET

SN: 313271-UP

1шт.

9

6210-21-1971

GASKET (K2)

SN: 313271-UP

1шт.

10

01010-81035

BOLT

SN: 313271-UP

4шт.

11

01643-51032

WASHER

SN: 313271-UP

4шт.

12

07042-A0415

PLUG

SN: 313271-UP

1шт.

13

6162-63-6630

PLATE

SN: 313271-UP

1шт.

14

6162-63-6731

GASKET (K2)

SN: 313271-UP

1шт.

15

01010-80820

BOLT

SN: 313271-UP

5шт.

16

01640-20816

WASHER

SN: 313271-UP

5шт.

17

600-815-9350

HEATER

SN: 313271-UP

1шт.

18

08193-20010

CLIP

SN: 313271-UP

1шт.

19

01010-81025

BOLT

SN: 313271-UP

1шт.

20

01640-21016

WASHER

SN: 313271-UP

1шт.

21

08034-20310

BAND

SN: 313271-UP

1шт.

22

01010-80870

BOLT

SN: 313271-UP

1шт.

23

01640-20816

WASHER

SN: 313271-UP

1шт.

24

426-01-11310

BRACKET

SN: 313271-UP

1шт.

25

6152-51-5520

SPACER

SN: 313271-UP

1шт.

26

07046-44016

PLUG

SN: 313271-UP

2шт.

27

6218-81-4111

SENSOR ASS'Y,BLOWBY

SN: 313271-UP

1шт.

28

6240-81-8120

BRACKET

SN: 313271-UP

1шт.

29

01010-81050

BOLT

SN: 313271-UP

2шт.

30

01643-31032

WASHER

SN: 313271-UP

2шт.

30A

01643-31032

WASHER

SN: 313271-UP

1шт.

31

6240-81-8110

CONNECTOR

SN: 313271-UP

1шт.

32

01010-81060

BOLT

SN: 313271-UP

2шт.

33

01643-31032

WASHER

SN: 313271-UP

2шт.

34

07286-02652

HOSE

SN: 313271-UP

1шт.

35

07281-00359

CLAMP

SN: 313271-UP

1шт.

36

6240-81-8130

BRACKET

SN: 313271-UP

1шт.

37

01010-81045

BOLT

SN: 313271-UP

1шт.

38

01643-31032

WASHER

SN: 313271-UP

1шт.

38A

01643-31032

WASHER

SN: 313271-UP

1шт.

39

198-06-53520

BUSHING

SN: 313271-UP

1шт.

40

04434-51410

CLIP

SN: 313271-UP

1шт.

41

01435-01020

BOLT

SN: 313271-UP

1шт.

42

01584-01008

NUT

SN: 313271-UP

1шт.

43

6240-81-8140

BRACKET

SN: 313271-UP

1шт.

44

01435-01030

BOLT

SN: 313271-UP

1шт.

45

198-06-53520

BUSHING

SN: 313271-UP

1шт.

46

04434-51410

CLIP

SN: 313271-UP

1шт.

47

01435-01020

BOLT

SN: 313271-UP

1шт.

48

01584-01008

NUT

SN: 313271-UP

1шт.

49

08034-20536

BAND

SN: 313271-UP

3шт.

50

6210-81-5540

BRACKET

SN: 313271-UP

1шт.

51

01435-01085

BOLT

SN: 313271-UP

1шт.

52

08193-20010

CLIP

SN: 313271-UP

1шт.

53

01435-01020

BOLT

SN: 313271-UP

1шт.

54

01584-01008

NUT

SN: 313271-UP

1шт.

Выбрано товаров: 58