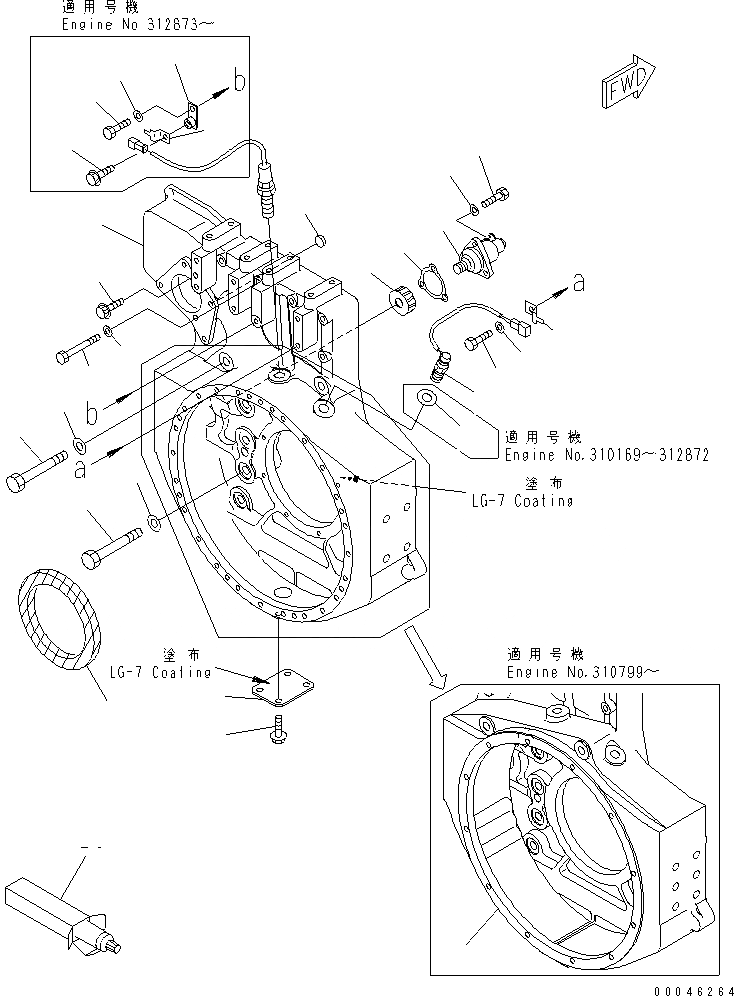
Запчасти Komatsu SAA6D170E-3F-8 КАРТЕР МАХОВИКА(№9-) ДВИГАТЕЛЬ

Схема запчастей Komatsu SAA6D170E-3F-8 - КАРТЕР МАХОВИКА(№9-) ДВИГАТЕЛЬ
1
1
2
3
4
5
6
7
8
8
9
10
11
12
13
14
15
15
16
17
18
19
20
21
22
23
24
25
26
FIT
1:1
100%

Артикул

Название

Примечание

Количество

1

6240-21-4142

HOUSING,FLYWHEEL

SN: 310799-UP

1шт.

1

0

HOUSING,FLYWHEEL

SN: 310169-310798

1шт.

|$$3

(6240-21-4142,208-27-52341(2))

-1шт.

2

07046-21410

PLUG

SN: 310169-UP

1шт.

3

01011-81215

BOLT

SN: 310169-UP

5шт.

4

01643-31232

WASHER

SN: 310169-UP

5шт.

5

01438-01205

BOLT

SN: 310169-UP

1шт.

6

208-27-52341

BOLT

SN: 310799-UP

2шт.

6

01011-81825

BOLT

SN: 310169-310798

2шт.

7

01011-61810

BOLT

SN: 312873-UP

9шт.

7

0

BOLT

SN: 310169-312872

9шт.

8

01643-21845

WASHER

SN: 310169-UP

11шт.

9

6162-25-4251

SEAL, REAR

SN: 310169-UP

1шт.

10

07005-02216

SEAL, WASHER (K2)

SN: 310169-312872

1шт.

11

7861-93-2330

SENSOR,REVOLUTION

SN: 310169-UP

1шт.

12

08193-20012

CLIP

SN: 310169-UP

1шт.

13

01010-81220

BOLT

SN: 310169-UP

1шт.

14

01643-31232

WASHER

SN: 311782-UP

1шт.

14

01643-31032

WASHER

SN: 310169-311781

1шт.

15

6162-23-4500

BARING DIVICE ASS'Y

SN: 310169-UP

1шт.

15

0

CASE

SN: 310169-UP

1шт.

15

0

SHAFT

SN: 310169-UP

1шт.

15

0

GEAR

SN: 310169-UP

1шт.

15

0

SPRING

SN: 310169-UP

1шт.

15

0

PIN,SNAP

SN: 315526-UP

1шт.

15

0

PIN,SNAP

SN: 310169-315525

1шт.

15

0

SEAL

SN: 310169-UP

1шт.

16

6162-23-4941

GASKET (K2)

SN: 310169-UP

1шт.

17

01010-81030

BOLT

SN: 310169-UP

3шт.

18

01643-31032

WASHER

SN: 314559-UP

3шт.

18

01643-01032

WASHER

SN: 310169-314558

3шт.

19

6240-21-4310

PLATE

SN: 310169-UP

1шт.

20

01435-01220

BOLT

SN: 310169-UP

4шт.

21

01010-81220

BOLT

SN: 312872-UP

1шт.

22

01643-31232

WASHER

SN: 312872-UP

1шт.

23

426-06-11570

BRACKET

SN: 312872-UP

1шт.

24

01435-01016

BOLT

SN: 312872-UP

1шт.

25

08193-20010

CLIP

SN: 312872-UP

1шт.

26

09920-00150

LIQUID GASKET,LG-7, 150G

SN: 310169-UP

-2шт.

Выбрано товаров: 39