Запчасти Komatsu SAA6D170E-3F-8 КРЕПЛЕНИЕ И ТРУБКИ СИСТЕМЫ ПОДАЧИ ТОПЛИВА(№9-) ДВИГАТЕЛЬ

Схема запчастей Komatsu SAA6D170E-3F-8 - КРЕПЛЕНИЕ И ТРУБКИ СИСТЕМЫ ПОДАЧИ ТОПЛИВА(№9-) ДВИГАТЕЛЬ
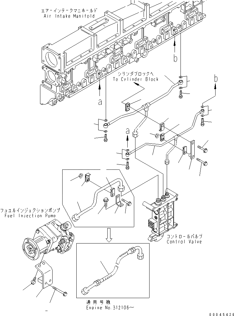
1
2
3
4
4
5
6
7
8
9
10
11
12
12
13
13
14
15
16
17
18
19
19
20
20
21
22
23
24
FIT
1:1
100%

Артикул

Название

Примечание

Количество

1

6240-71-1320

BRACKET

SN: 310169-UP

1шт.

2

01435-01070

BOLT

SN: 310169-UP

2шт.

3

01435-01225

BOLT

SN: 310169-UP

2шт.

4

6240-71-5251

HOSE

SN: 312106-UP

1шт.

4

0

TUBE,INJECTION

SN: 310169-312105

1шт.

5

6240-71-6530

CLAMP

SN: 310169-312105

1шт.

6

6240-71-6540

CLAMP

SN: 310169-312105

1шт.

7

01435-01045

BOLT

SN: 310169-312105

1шт.

8

01584-01008

NUT

SN: 310169-312105

1шт.

9

6240-71-6620

BRACKET

SN: 310169-312105

1шт.

10

01435-01025

BOLT

SN: 310169-312105

1шт.

11

6240-71-5310

TUBE

SN: 310169-UP

1шт.

12

07206-31216

BOLT

SN: 310169-UP

2шт.

13

07005-01612

SEAL, WASHER (K2)

SN: 310169-UP

4шт.

14

6240-71-6510

CLAMP

SN: 310169-UP

1шт.

15

6240-71-6520

CLAMP

SN: 310169-UP

1шт.

16

6240-71-6610

BRACKET

SN: 310169-UP

1шт.

17

01435-01045

BOLT

SN: 310169-UP

1шт.

18

6240-71-5410

TUBE

SN: 310169-UP

1шт.

19

07206-31014

BOLT,JOINT

SN: 310169-UP

2шт.

20

07005-01412

SEAL, WASHER (K2)

SN: 310169-UP

4шт.

21

6240-71-6570

CLAMP

SN: 310169-UP

1шт.

22

6240-71-6580

CLAMP

SN: 310169-UP

1шт.

23

01435-01060

BOLT

SN: 310169-UP

1шт.

24

01584-01008

NUT

SN: 310169-UP

1шт.

Выбрано товаров: 0