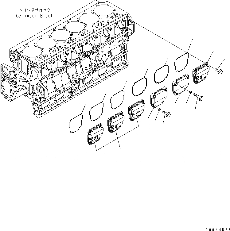
Запчасти Komatsu SAA6D170E-5-B КРЫШКА ТОЛКАТЕЛЕЙ КЛАПАНА ДВИГАТЕЛЬ

Схема запчастей Komatsu SAA6D170E-5-B - КРЫШКА ТОЛКАТЕЛЕЙ КЛАПАНА ДВИГАТЕЛЬ
1
1
2
2
3
3
4
5
6
6
7
7
7
7
8
FIT
1:1
100%

Артикул

Название

Примечание

Количество

1

6240-21-6410

COVER,CAMFOLLOWER

SN: 510017-UP

2шт.

2

6240-21-6450

O-RING (K2)

SN: 510017-UP

2шт.

3

6150-21-6391

PACKING (K2)

SN: 510017-UP

8шт.

4

01435-01030

BOLT

SN: 510017-UP

4шт.

5

01435-01050

BOLT

SN: 510017-UP

4шт.

6

6245-21-6411

COVER,CAMFOLLOWER¤ WITH FLANGE

SN: 510081-UP

4шт.

|6

0

COVER,CAMFOLLOWER¤ WITH FLANGE

SN: 510017-510080

4шт.

7

6245-21-6420

O-RING (K2)

SN: 510017-UP

4шт.

8

01435-01025

BOLT

SN: 510017-UP

16шт.

Выбрано товаров: 9