Запчасти Komatsu SAA6D170E-5-B МАСЛООХЛАДИТЕЛЬ ДВИГАТЕЛЬ

Схема запчастей Komatsu SAA6D170E-5-B - МАСЛООХЛАДИТЕЛЬ ДВИГАТЕЛЬ
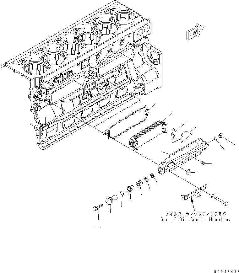
1
2
3
4
5
6
7
8
9
10
11
12
13
14
15
16
17
FIT
1:1
100%

Артикул

Название

Примечание

Количество

1

6240-61-2110

ELEMENT

SN: 510017-UP

2шт.

2

6240-61-2120

COVER

SN: 510017-UP

2шт.

3

6240-61-2560

GASKET (K2)

SN: 510017-UP

4шт.

4

6150-61-2510

O-RING (K2)

SN: 510017-UP

4шт.

5

6150-61-2520

O-RING (K2)

SN: 510017-UP

8шт.

6

6150-61-2580

NUT

SN: 510017-UP

8шт.

7

6150-61-2530

PLUG

SN: 510017-UP

2шт.

8

6151-62-2130

COVER

SN: 510017-UP

2шт.

9

07000-63042

O-RING (K2)

SN: 510017-UP

2шт.

10

6212-65-2610

THERMOSTAT

SN: 510017-UP

2шт.

11

6150-61-2540

SEAL (K2)

SN: 510017-UP

2шт.

12

6150-61-2141

CASE

SN: 510017-UP

2шт.

13

6150-61-2151

PLATE

SN: 510017-UP

2шт.

14

01435-00825

BOLT

SN: 510017-UP

4шт.

15

6150-61-2550

O-RING (K2)

SN: 510017-UP

2шт.

16

6150-61-2815

GASKET (K2)

SN: 510017-UP

2шт.

17

07043-70312

PLUG

SN: 510017-UP

2шт.

Выбрано товаров: 17