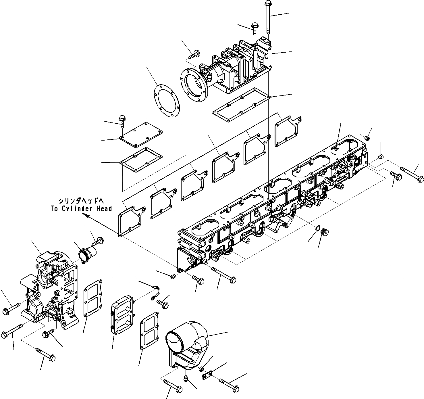
Запчасти Komatsu SAA6D170E-5A ТРУБОПРОВОД ВПУСКА ВОЗДУХА (/) ДВИГАТЕЛЬ ГОЛОВКА ЦИЛИНДРОВ И ITS КОМПОНЕНТЫ

Схема запчастей Komatsu SAA6D170E-5A - ТРУБОПРОВОД ВПУСКА ВОЗДУХА (/) ДВИГАТЕЛЬ ГОЛОВКА ЦИЛИНДРОВ И ITS КОМПОНЕНТЫ
19
18
17
16
15
14
13
12
11
6
20
21
22
23
24
25
26
28
29
30
31
32
33
34
35
36
34
1
2
3
4
5
10
8
9
7
27
2
FIT
1:1
100%

Артикул

Название

Примечание

Количество

1

6245-11-4110

Manifold, Air Intake

SN: 510001-UP

1шт.

2

07043-70108

Plug

SN: 510001-UP

2шт.

3

6215-81-9540

Plug

SN: 510001-UP

6шт.

4

6215-81-9740

O-ring

SN: 510001-UP

6шт.

5

07043-A0108

Plug

SN: 510001-UP

1шт.

6

6245-11-4810

Gasket

SN: 510001-UP

6шт.

7

01436-01045

Bolt

SN: 510001-UP

15шт.

8

01436-01040

Bolt

SN: 510001-UP

2шт.

9

01435-01055

Bolt

SN: 510001-UP

1шт.

10

01435-01030

Bolt

SN: 510001-UP

18шт.

11

6245-11-4120

Plate

SN: 510001-UP

1шт.

12

6245-11-4130

Gasket

SN: 510001-UP

1шт.

13

01435-01020

Bolt

SN: 510001-UP

6шт.

14

6245-11-7410

Connector

SN: 510001-UP

1шт.

15

6245-11-4140

Gasket

SN: 510001-UP

1шт.

16

01436-01080

Bolt

SN: 510001-UP

7шт.

17

01435-01035

Bolt

SN: 510001-UP

1шт.

18

6245-11-7420

Gasket

SN: 510001-UP

1шт.

19

01435-01030

Bolt

SN: 510001-UP

6шт.

20

6245-11-9710

Nozzle

SN: 510001-UP

1шт.

21

01437-10816

Bolt

SN: 510001-UP

2шт.

22

6245-11-4210

Connector

SN: 510001-UP

1шт.

23

01435-01235

Bolt

SN: 510001-UP

1шт.

24

01436-01200

Bolt

SN: 510001-UP

1шт.

25

01436-01205

Bolt

SN: 510001-UP

3шт.

26

01436-01220

Bolt

SN: 510001-UP

2шт.

27

6245-11-4410

Connector

SN: 510001-UP

1шт.

28

07042-A0108

Plug

SN: 510001-UP

1шт.

29

600-815-3811

Heater, Ribbon

SN: 510001-UP

1шт.

30

01435-01060

Bolt

SN: 510001-UP

5шт.

31

01435-01075

Bolt

SN: 510001-UP

1шт.

32

426-01-11310

Bracket

SN: 510001-UP

1шт.

33

419-15-17540

Spacer

SN: 510001-UP

1шт.

34

6150-11-4821

Gasket

SN: 510001-UP

2шт.

35

6212-82-4350

Wire

SN: 510001-UP

1шт.

36

01435-01016

Bolt

SN: 510001-UP

1шт.

Выбрано товаров: 36