Запчасти Komatsu SAA6D170E-5A ТОПЛ. НАСОС (/) ДВИГАТЕЛЬ ТОПЛИВН. СИСТЕМА

Схема запчастей Komatsu SAA6D170E-5A - ТОПЛ. НАСОС (/) ДВИГАТЕЛЬ ТОПЛИВН. СИСТЕМА
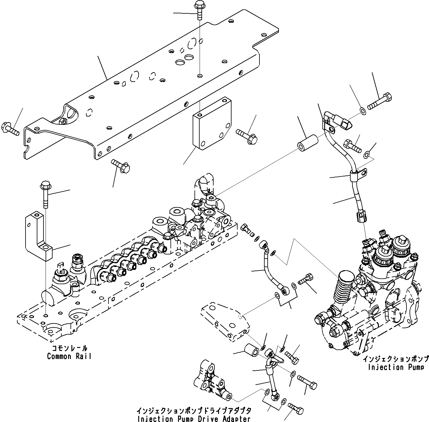
22
21
20
19
18
17
6
5
4
3
2
1
18
6
2
18
16
15
14
13
12
11
10
9
8
7
9
8
9
FIT
1:1
100%

Артикул

Название

Примечание

Количество

1

6245-81-9130

Wire Harness

SN: 510001-UP

1шт.

2

600-051-2100

Clip

SN: 510001-UP

2шт.

3

01010-81065

Bolt

SN: 510001-UP

1шт.

4

6152-21-6590

Spacer

SN: 510001-UP

1шт.

5

01010-81020

Bolt

SN: 510001-UP

1шт.

6

01643-31032

Washer

SN: 510001-UP

2шт.

7

6245-51-6130

Tube

SN: 510001-UP

1шт.

8

07206-30710

Bolt

SN: 510001-UP

2шт.

9

07005-01012

Gasket

SN: 510001-UP

4шт.

10

6210-51-8320

Clip

SN: 510001-UP

1шт.

11

01010-81045

Bolt

SN: 510001-UP

1шт.

12

01643-31032

Washer

SN: 510001-UP

1шт.

13

6128-21-6730

Spacer

SN: 510001-UP

1шт.

14

6245-51-6120

Tube

SN: 510001-UP

1шт.

15

07206-30710

Bolt

SN: 510001-UP

1шт.

16

07005-01012

Gasket

SN: 510001-UP

2шт.

17

6245-11-4150

Bracket

SN: 510001-UP

1шт.

18

01435-01020

Bolt

SN: 510001-UP

7шт.

19

6245-11-4230

Block

SN: 510001-UP

1шт.

20

01435-01055

Bolt

SN: 510001-UP

1шт.

21

6245-11-4250

Plate

SN: 510001-UP

1шт.

22

01435-01040

Bolt

SN: 510001-UP

3шт.

Выбрано товаров: 22