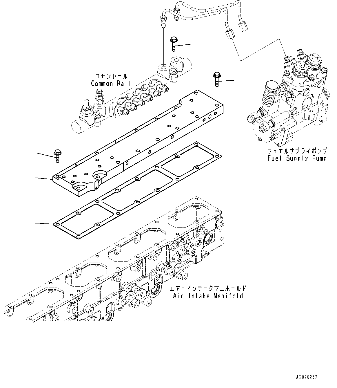
Запчасти Komatsu SAA6D170E-5A ТОПЛИВН. НАСОС, COMMON RAIL КРЕПЛЕНИЕ (№9-) ТОПЛИВН. НАСОС

Схема запчастей Komatsu SAA6D170E-5A - ТОПЛИВН. НАСОС, COMMON RAIL КРЕПЛЕНИЕ (№9-) ТОПЛИВН. НАСОС
5
1
4
3
2
5
1
4
3
2
FIT
1:1
100%

Артикул

Название

Примечание

Количество

1

01435-01045

Bolt

SN: 511694-UP

2шт.

2

6245-71-5210

Plate

SN: 511694-UP

1шт.

3

6245-11-4170

Gasket

SN: 511694-UP

1шт.

4

01435-01050

Bolt

SN: 511694-UP

7шт.

5

01435-01035

Bolt

SN: 511694-UP

9шт.

1

01435-01045

Bolt

SN: 511694-UP

2шт.

2

6245-71-5210

Plate

SN: 511694-UP

1шт.

3

6245-11-4170

Gasket

SN: 511694-UP

1шт.

4

01435-01050

Bolt

SN: 511694-UP

7шт.

5

01435-01035

Bolt

SN: 511694-UP

9шт.

Выбрано товаров: 10