Запчасти Komatsu SAA6D170E-5A ГЕНЕРАТОР, НАТЯЖЕНИЕ РЕМНЯ И КРЫШКА (№9-) ГЕНЕРАТОР, 9AMP, ДЛЯ СТРАН ЕС БЕЗОПАСН. REGULATION

Схема запчастей Komatsu SAA6D170E-5A - ГЕНЕРАТОР, НАТЯЖЕНИЕ РЕМНЯ И КРЫШКА (№9-) ГЕНЕРАТОР, 9AMP, ДЛЯ СТРАН ЕС БЕЗОПАСН. REGULATION
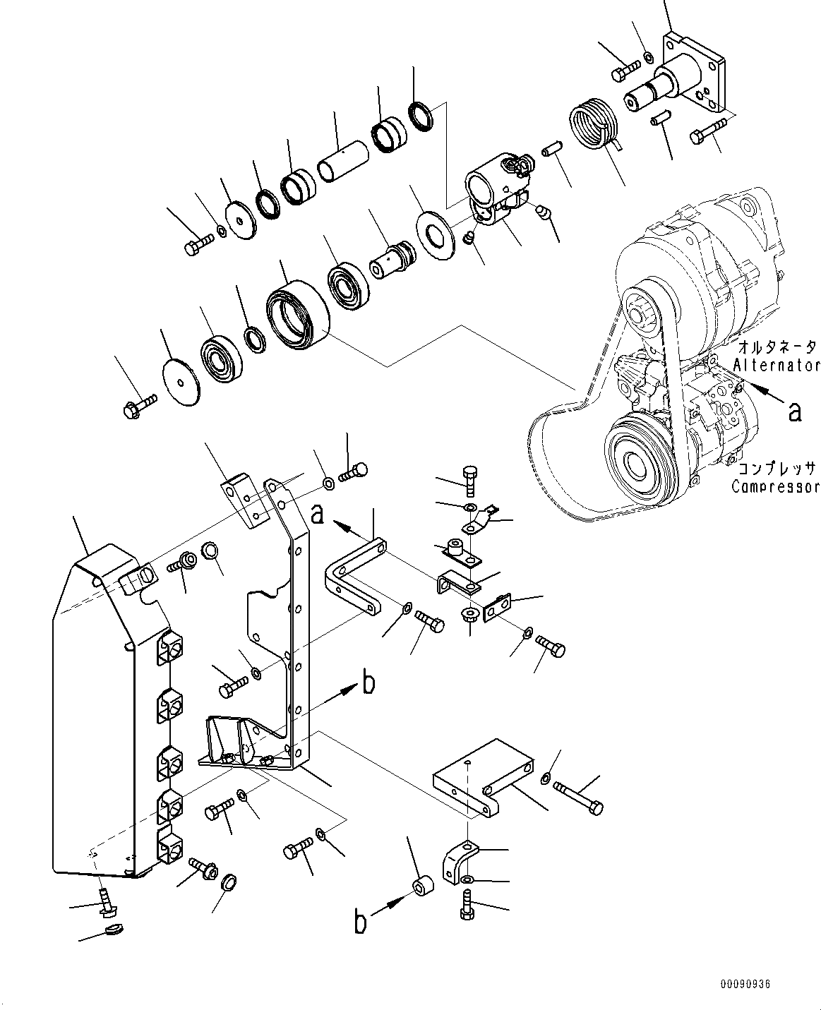
1
2
3
4
5
6
7
8
9
10
18
19
20
21
22
2
4
10
17
16
15
14
13
12
11
12
23
24
25
26
27
28
29
30
31
32
33
34
35
36
37
38
39
40
51
41
42
43
44
45
46
47
48
49
50
52
53
54
54
53
53
54
1
2
3
4
5
6
7
8
9
10
18
19
20
21
22
2
4
10
17
16
15
14
13
12
11
12
23
24
25
26
27
28
29
30
31
32
33
34
35
36
37
38
39
40
51
41
42
43
44
45
46
47
48
49
50
52
53
54
54
53
53
54
FIT
1:1
100%

Артикул

Название

Примечание

Количество

|$0

6245-81-6902

Tension Pulley Assembly

SN: 511694-UP

1шт.

1

6245-81-6912

Bracket

SN: 511694-UP

1шт.

2

6162-64-3910

Bearing, Needle

SN: 511694-UP

2шт.

3

6245-81-6840

Race,Inner

SN: 511694-UP

1шт.

4

6162-64-3930

Seal, Dust

SN: 511694-UP

2шт.

5

6245-81-6941

Shaft

SN: 511694-UP

1шт.

6

6245-81-6950

Spring

SN: 511694-UP

1шт.

7

6245-81-6961

Plate

SN: 511694-UP

1шт.

8

01010-81020

Bolt

SN: 511694-UP

1шт.

9

01643-31032

Washer

SN: 511694-UP

1шт.

10

04022-12035

Pin, Dowel

SN: 511694-UP

2шт.

11

6245-81-6971

Shaft

SN: 511694-UP

1шт.

12

06301-06306

Bearing, Ball

SN: 511694-UP

2шт.

13

6245-81-6981

Spacer

SN: 511694-UP

1шт.

14

6245-81-6990

Plate

SN: 511694-UP

1шт.

15

6245-81-6820

Pulley, Tension

SN: 511694-UP

1шт.

16

6245-81-6830

Plate

SN: 511694-UP

1шт.

17

01435-01020

Bolt

SN: 511694-UP

1шт.

18

07043-00108

Plug, Taper

SN: 511694-UP

3шт.

19

07029-00000

Valve, Relief

SN: 511694-UP

1шт.

20

01010-81090

Bolt

SN: 511694-UP

1шт.

21

01010-81030

Bolt

SN: 511694-UP

4шт.

22

01643-31032

Washer

SN: 511694-UP

4шт.

23

6245-81-6790

Bracket

SN: 511694-UP

1шт.

24

6245-81-6290

Block

SN: 511694-UP

1шт.

25

01010-81020

Bolt

SN: 511694-UP

1шт.

26

01643-31032

Washer

SN: 511694-UP

1шт.

27

6245-81-6561

Bracket

SN: 511694-UP

1шт.

28

01010-81025

Bolt

SN: 511694-UP

2шт.

29

01643-31032

Washer

SN: 511694-UP

2шт.

30

01010-81030

Bolt

SN: 511694-UP

1шт.

31

01643-31032

Washer

SN: 511694-UP

1шт.

32

6934-71-5830

Bracket

SN: 511694-UP

1шт.

33

426-01-11310

Bracket

SN: 511694-UP

1шт.

34

01010-81040

Bolt

SN: 511694-UP

1шт.

35

01643-31032

Washer

SN: 511694-UP

1шт.

36

426-06-11570

Bracket

SN: 511694-UP

1шт.

37

08193-20010

Clip

SN: 511694-UP

1шт.

38

01010-81025

Bolt

SN: 511694-UP

1шт.

39

01643-31032

Washer

SN: 511694-UP

1шт.

40

01584-01008

Nut

SN: 511694-UP

1шт.

41

6245-81-6890

Bracket

SN: 511694-UP

1шт.

42

01010-81025

Bolt

SN: 511694-UP

2шт.

43

01643-31032

Washer

SN: 511694-UP

2шт.

44

01011-81000

Bolt

SN: 511694-UP

2шт.

45

01643-31032

Washer

SN: 511694-UP

2шт.

46

6217-11-9770

Bracket

SN: 511694-UP

1шт.

47

6127-92-1250

Spacer

SN: 511694-UP

1шт.

48

01010-81040

Bolt

SN: 511694-UP

1шт.

49

01643-31032

Washer

SN: 511694-UP

1шт.

50

01010-81025

Bolt

SN: 511694-UP

1шт.

51

01643-31032

Washer

SN: 511694-UP

1шт.

51

6245-81-6880

Cover

SN: 511694-UP

1шт.

52

Cover

SN: 511694-UP

1шт.

53

01026-A1025

Bolt

SN: 511694-UP

8шт.

54

17M-911-6330

Grommet

SN: 511694-UP

8шт.

|$0

6245-81-6902

Tension Pulley Assembly

SN: 511694-UP

1шт.

1

6245-81-6912

Bracket

SN: 511694-UP

1шт.

2

6162-64-3910

Bearing, Needle

SN: 511694-UP

2шт.

3

6245-81-6840

Race,Inner

SN: 511694-UP

1шт.

4

6162-64-3930

Seal, Dust

SN: 511694-UP

2шт.

5

6245-81-6941

Shaft

SN: 511694-UP

1шт.

6

6245-81-6950

Spring

SN: 511694-UP

1шт.

7

6245-81-6961

Plate

SN: 511694-UP

1шт.

8

01010-81020

Bolt

SN: 511694-UP

1шт.

9

01643-31032

Washer

SN: 511694-UP

1шт.

10

04022-12035

Pin, Dowel

SN: 511694-UP

2шт.

11

6245-81-6971

Shaft

SN: 511694-UP

1шт.

12

06301-06306

Bearing, Ball

SN: 511694-UP

2шт.

13

6245-81-6981

Spacer

SN: 511694-UP

1шт.

14

6245-81-6990

Plate

SN: 511694-UP

1шт.

15

6245-81-6820

Pulley, Tension

SN: 511694-UP

1шт.

16

6245-81-6830

Plate

SN: 511694-UP

1шт.

17

01435-01020

Bolt

SN: 511694-UP

1шт.

18

07043-00108

Plug, Taper

SN: 511694-UP

3шт.

19

07029-00000

Valve, Relief

SN: 511694-UP

1шт.

20

01010-81090

Bolt

SN: 511694-UP

1шт.

21

01010-81030

Bolt

SN: 511694-UP

4шт.

22

01643-31032

Washer

SN: 511694-UP

4шт.

23

6245-81-6790

Bracket

SN: 511694-UP

1шт.

24

6245-81-6290

Block

SN: 511694-UP

1шт.

25

01010-81020

Bolt

SN: 511694-UP

1шт.

26

01643-31032

Washer

SN: 511694-UP

1шт.

27

6245-81-6561

Bracket

SN: 511694-UP

1шт.

28

01010-81025

Bolt

SN: 511694-UP

2шт.

29

01643-31032

Washer

SN: 511694-UP

2шт.

30

01010-81030

Bolt

SN: 511694-UP

1шт.

31

01643-31032

Washer

SN: 511694-UP

1шт.

32

6934-71-5830

Bracket

SN: 511694-UP

1шт.

33

426-01-11310

Bracket

SN: 511694-UP

1шт.

34

01010-81040

Bolt

SN: 511694-UP

1шт.

35

01643-31032

Washer

SN: 511694-UP

1шт.

36

426-06-11570

Bracket

SN: 511694-UP

1шт.

37

08193-20010

Clip

SN: 511694-UP

1шт.

38

01010-81025

Bolt

SN: 511694-UP

1шт.

39

01643-31032

Washer

SN: 511694-UP

1шт.

40

01584-01008

Nut

SN: 511694-UP

1шт.

41

6245-81-6890

Bracket

SN: 511694-UP

1шт.

42

01010-81025

Bolt

SN: 511694-UP

2шт.

43

01643-31032

Washer

SN: 511694-UP

2шт.

44

01011-81000

Bolt

SN: 511694-UP

2шт.

45

01643-31032

Washer

SN: 511694-UP

2шт.

46

6217-11-9770

Bracket

SN: 511694-UP

1шт.

47

6127-92-1250

Spacer

SN: 511694-UP

1шт.

48

01010-81040

Bolt

SN: 511694-UP

1шт.

49

01643-31032

Washer

SN: 511694-UP

1шт.

50

01010-81025

Bolt

SN: 511694-UP

1шт.

51

01643-31032

Washer

SN: 511694-UP

1шт.

51

6245-81-6880

Cover

SN: 511694-UP

1шт.

52

Cover

SN: 511694-UP

1шт.

53

01026-A1025

Bolt

SN: 511694-UP

8шт.

54

17M-911-6330

Grommet

SN: 511694-UP

8шт.

Выбрано товаров: 112