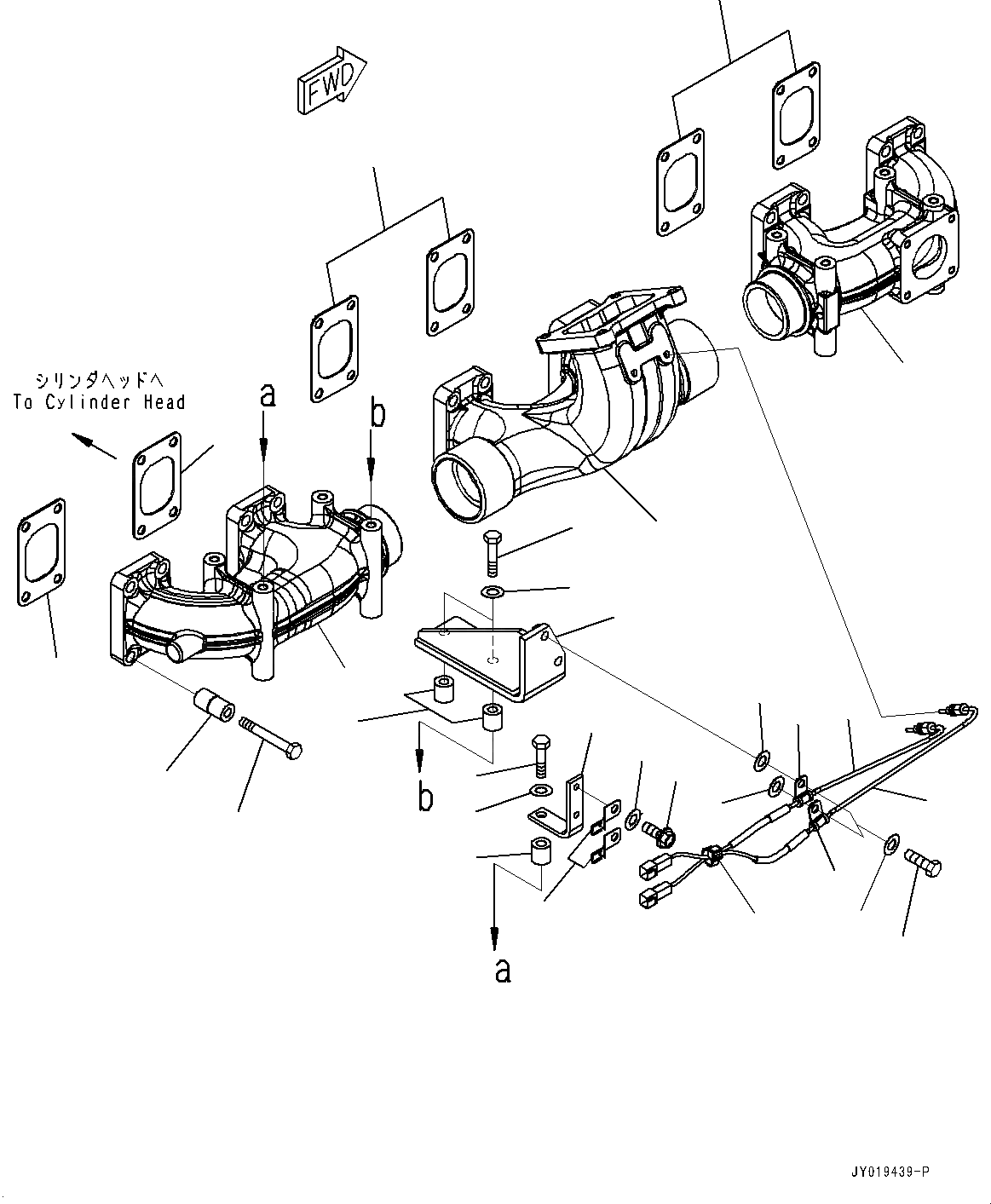
Запчасти Komatsu SAA6D170E-5A ВЫПУСКНОЙ КОЛЛЕКТОР, (№7-) ВЫПУСКНОЙ КОЛЛЕКТОР

Схема запчастей Komatsu SAA6D170E-5A - ВЫПУСКНОЙ КОЛЛЕКТОР, (№7-) ВЫПУСКНОЙ КОЛЛЕКТОР
10
11
12
13
14
15
16
17
18
19
20
21
22
23
24
12
9
8
9
7
3
5
6
4
2
4
4
1
4
10
11
12
13
14
15
16
17
18
19
20
21
22
23
24
12
9
8
9
7
3
5
6
4
2
4
4
1
4
FIT
1:1
100%

Артикул

Название

Примечание

Количество

1

6245-11-5110

Manifold,Front

SN: 511694-UP

1шт.

2

6240-11-5111

Manifold,Rear

SN: 511804-UP

1шт.

3

6245-11-5210

Manifold,Center

SN: 511694-UP

1шт.

4

6240-11-5820

Gasket

SN: 511694-UP

6шт.

5

01010-E1290

Bolt

SN: 511694-UP

24шт.

6

6245-11-5190

Spacer

SN: 511694-UP

24шт.

7

6245-11-5550

Sensor

SN: 512638-UP

1шт.

8

6245-11-5570

Sensor

SN: 512638-UP

1шт.

9

6245-71-5950

Clip

SN: 512638-UP

2шт.

10

01010-81030

Bolt

SN: 512638-UP

2шт.

11

01643-31032

Washer

SN: 511694-UP

2шт.

12

01643-31032

Washer

SN: 512638-UP

2шт.

13

6245-11-5590

Bracket

SN: 512638-UP

1шт.

14

01010-E1255

Bolt

SN: 511694-UP

2шт.

15

01643-31232

Washer

SN: 511694-UP

2шт.

16

6144-81-6680

Spacer

SN: 511694-UP

2шт.

17

08193-20010

Clip

SN: 511694-UP

2шт.

18

01435-01016

Bolt

SN: 512638-UP

2шт.

19

01643-31032

Washer

SN: 512638-UP

2шт.

20

6245-11-4440

Stay

SN: 512746-UP

1шт.

20

6215-85-4120

Stay

SN: 511694-512745

1шт.

21

01010-E1250

Bolt

SN: 511694-UP

1шт.

22

01643-31232

Washer

SN: 511694-UP

1шт.

23

6144-81-6680

Spacer

SN: 511694-UP

1шт.

24

6218-81-8480

Band

SN: 512638-UP

1шт.

1

6245-11-5110

Manifold,Front

SN: 511694-UP

1шт.

2

6240-11-5111

Manifold,Rear

SN: 511804-UP

1шт.

3

6245-11-5210

Manifold,Center

SN: 511694-UP

1шт.

4

6240-11-5820

Gasket

SN: 511694-UP

6шт.

5

01010-E1290

Bolt

SN: 511694-UP

24шт.

6

6245-11-5190

Spacer

SN: 511694-UP

24шт.

7

6245-11-5550

Sensor

SN: 512638-UP

1шт.

8

6245-11-5570

Sensor

SN: 512638-UP

1шт.

9

6245-71-5950

Clip

SN: 512638-UP

2шт.

10

01010-81030

Bolt

SN: 512638-UP

2шт.

11

01643-31032

Washer

SN: 511694-UP

2шт.

12

01643-31032

Washer

SN: 512638-UP

2шт.

13

6245-11-5590

Bracket

SN: 512638-UP

1шт.

14

01010-E1255

Bolt

SN: 511694-UP

2шт.

15

01643-31232

Washer

SN: 511694-UP

2шт.

16

6144-81-6680

Spacer

SN: 511694-UP

2шт.

17

08193-20010

Clip

SN: 511694-UP

2шт.

18

01435-01016

Bolt

SN: 512638-UP

2шт.

19

01643-31032

Washer

SN: 512638-UP

2шт.

20

6245-11-4440

Stay

SN: 512746-UP

1шт.

20

6215-85-4120

Stay

SN: 511694-512745

1шт.

21

01010-E1250

Bolt

SN: 511694-UP

1шт.

22

01643-31232

Washer

SN: 511694-UP

1шт.

23

6144-81-6680

Spacer

SN: 511694-UP

1шт.

24

6218-81-8480

Band

SN: 512638-UP

1шт.

Выбрано товаров: 50