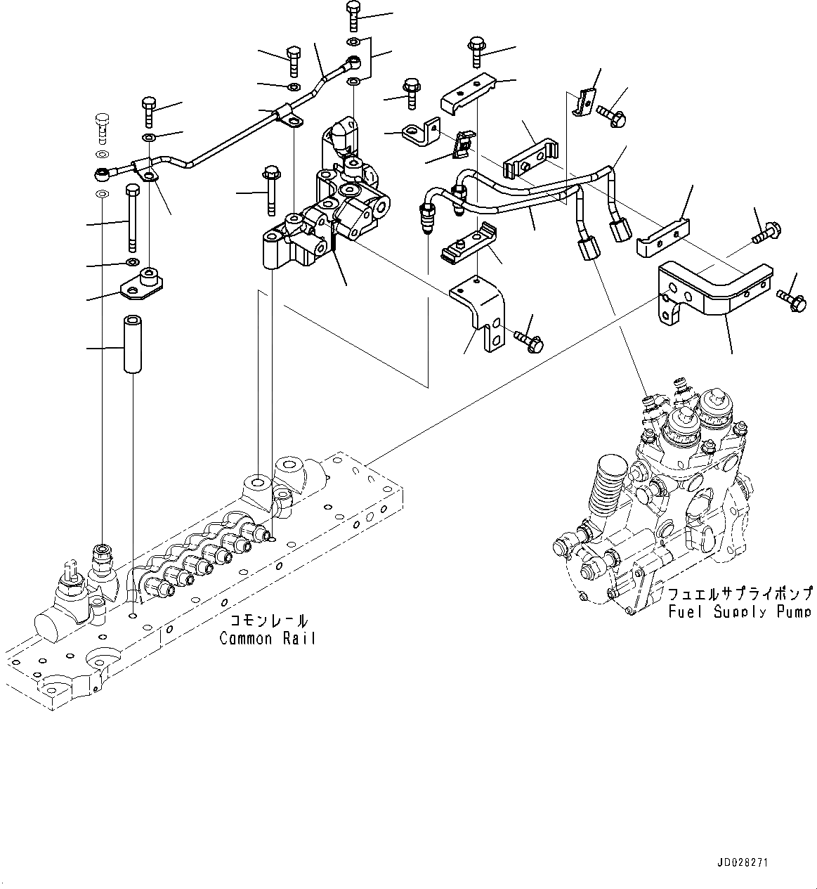
Запчасти Komatsu SAA6D170E-5AR ТОПЛИВН. НАСОС, ТОПЛИВН. ПОДАЮЩ. И ВОЗВРАТ. ТРУБЫ (№-) ТОПЛИВН. НАСОС

Схема запчастей Komatsu SAA6D170E-5AR - ТОПЛИВН. НАСОС, ТОПЛИВН. ПОДАЮЩ. И ВОЗВРАТ. ТРУБЫ (№-) ТОПЛИВН. НАСОС
29
28
27
26
25
24
23
22
21
20
19
18
17
16
15
13
12
11
10
9
8
7
6
5
4
3
2
1
14
13
9
1
29
28
27
26
25
24
23
22
21
20
19
18
17
16
15
13
12
11
10
9
8
7
6
5
4
3
2
1
14
13
9
1
FIT
1:1
100%

Артикул

Название

Примечание

Количество

1

6245-71-5181

Tube

SN: 610512-UP

2шт.

2

6245-71-5410

Bracket

SN: 610512-UP

1шт.

3

01435-01025

Bolt

SN: 610512-UP

2шт.

4

6217-71-5211

Clamp

SN: 610557-UP

1шт.

4

6217-71-5210

Clamp

SN: 610512-610556

1шт.

5

6217-71-5171

Clamp

SN: 610556-UP

1шт.

5

6217-71-5170

Clamp

SN: 610512-610557

1шт.

6

01435-00635

Bolt

SN: 610512-UP

2шт.

7

6245-71-5420

Bracket

SN: 610512-UP

1шт.

8

01435-01020

Bolt

SN: 610512-UP

1шт.

9

6162-75-5820

Clamp

SN: 610512-UP

2шт.

10

01435-00625

Bolt

SN: 610512-UP

1шт.

11

6245-71-5490

Bracket

SN: 610512-UP

1шт.

12

01435-01025

Bolt

SN: 610512-UP

2шт.

13

6217-71-5211

Clamp

SN: 611018-UP

2шт.

13

6217-71-5210

Clamp

SN: 610512-611017

2шт.

14

01435-00630

Bolt

SN: 610512-UP

2шт.

15

6245-71-5520

Tube

SN: 610512-UP

1шт.

16

07206-30710

Bolt, Joint

SN: 610512-UP

1шт.

17

07005-01012

Seal, Washer

SN: 610512-UP

2шт.

18

6933-71-8230

Clip

SN: 610512-UP

1шт.

19

01010-81020

Bolt

SN: 610512-UP

1шт.

20

01643-31032

Washer

SN: 610512-UP

1шт.

21

6245-71-5570

Bracket

SN: 610512-UP

1шт.

22

01010-81095

Bolt

SN: 610512-UP

1шт.

23

01643-31032

Washer

SN: 610512-UP

1шт.

24

6130-12-4571

Spacer

SN: 610512-UP

1шт.

25

6933-71-8230

Clip

SN: 610512-UP

1шт.

26

01010-81020

Bolt

SN: 610512-UP

1шт.

27

01643-31032

Washer

SN: 610512-UP

1шт.

28

6245-71-5430

Block

SN: 610512-UP

1шт.

29

01435-01060

Bolt

SN: 610512-UP

3шт.

1

6245-71-5181

Tube

SN: 610512-UP

2шт.

2

6245-71-5410

Bracket

SN: 610512-UP

1шт.

3

01435-01025

Bolt

SN: 610512-UP

2шт.

4

6217-71-5211

Clamp

SN: 610557-UP

1шт.

4

6217-71-5210

Clamp

SN: 610512-610556

1шт.

5

6217-71-5171

Clamp

SN: 610556-UP

1шт.

5

6217-71-5170

Clamp

SN: 610512-610557

1шт.

6

01435-00635

Bolt

SN: 610512-UP

2шт.

7

6245-71-5420

Bracket

SN: 610512-UP

1шт.

8

01435-01020

Bolt

SN: 610512-UP

1шт.

9

6162-75-5820

Clamp

SN: 610512-UP

2шт.

10

01435-00625

Bolt

SN: 610512-UP

1шт.

11

6245-71-5490

Bracket

SN: 610512-UP

1шт.

12

01435-01025

Bolt

SN: 610512-UP

2шт.

13

6217-71-5211

Clamp

SN: 611018-UP

2шт.

13

6217-71-5210

Clamp

SN: 610512-611017

2шт.

14

01435-00630

Bolt

SN: 610512-UP

2шт.

15

6245-71-5520

Tube

SN: 610512-UP

1шт.

16

07206-30710

Bolt, Joint

SN: 610512-UP

1шт.

17

07005-01012

Seal, Washer

SN: 610512-UP

2шт.

18

6933-71-8230

Clip

SN: 610512-UP

1шт.

19

01010-81020

Bolt

SN: 610512-UP

1шт.

20

01643-31032

Washer

SN: 610512-UP

1шт.

21

6245-71-5570

Bracket

SN: 610512-UP

1шт.

22

01010-81095

Bolt

SN: 610512-UP

1шт.

23

01643-31032

Washer

SN: 610512-UP

1шт.

24

6130-12-4571

Spacer

SN: 610512-UP

1шт.

25

6933-71-8230

Clip

SN: 610512-UP

1шт.

26

01010-81020

Bolt

SN: 610512-UP

1шт.

27

01643-31032

Washer

SN: 610512-UP

1шт.

28

6245-71-5430

Block

SN: 610512-UP

1шт.

29

01435-01060

Bolt

SN: 610512-UP

3шт.

Выбрано товаров: 64