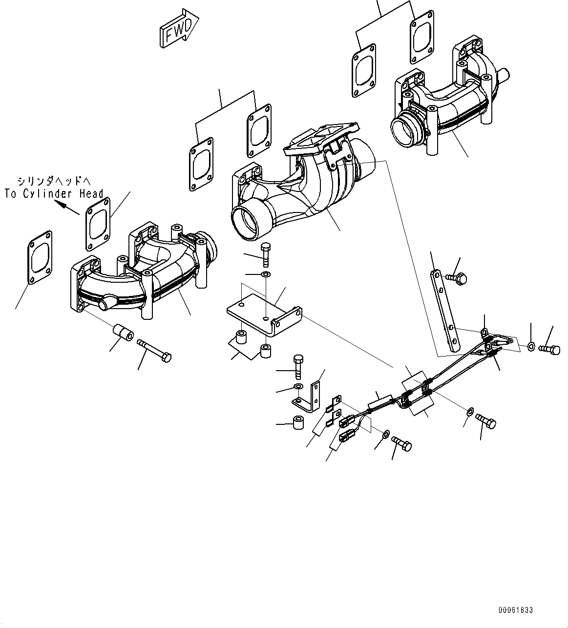
Запчасти Komatsu SAA6D170E-5AR ВЫПУСКНОЙ КОЛЛЕКТОР, (№-9) ВЫПУСКНОЙ КОЛЛЕКТОР

Схема запчастей Komatsu SAA6D170E-5AR - ВЫПУСКНОЙ КОЛЛЕКТОР, (№-9) ВЫПУСКНОЙ КОЛЛЕКТОР
26
25
24
23
22
21
20
19
18
17
16
15
14
13
12
11
10
9
8
7
6
7
12
3
1
1
5
4
3
3
2
3
26
25
24
23
22
21
20
19
18
17
16
15
14
13
12
11
10
9
8
7
6
7
12
3
1
1
5
4
3
3
2
3
FIT
1:1
100%

Артикул

Название

Примечание

Количество

1

6240-11-5111

Manifold, Front and Rear

SN: 611018-@

2шт.

1

6240-11-5110

Manifold, Front and Rear

SN: 610512-611017

2шт.

2

6245-11-5230

Manifold,Center

SN: 610512-@

1шт.

3

6240-11-5820

Gasket

SN: 610512-@

6шт.

4

01010-E1290

Bolt

SN: 610512-@

24шт.

5

6245-11-5190

Spacer

SN: 610512-@

24шт.

6

6245-11-5550

Sensor

SN: 612049-@

1шт.

6

6215-11-8281

Sensor, Exhaust Temperature

SN: 610512-612048

2шт.

7

6240-81-4431

Clip

SN: 610512-612048

2шт.

8

01010-81025

Bolt

SN: 610512-612048

2шт.

9

01643-31032

Washer

SN: 610512-612048

2шт.

10

6245-81-9280

Bracket

SN: 610512-612048

1шт.

11

01435-01030

Bolt

SN: 610512-612048

2шт.

12

6240-81-4431

Clip

SN: 610512-612048

4шт.

13

01010-81025

Bolt

SN: 610512-612048

2шт.

14

01643-31032

Washer

SN: 610512-@

2шт.

15

6245-81-9290

Bracket

SN: 610512-612048

1шт.

16

01010-E1255

Bolt

SN: 610512-@

2шт.

17

01643-31232

Washer

SN: 610512-@

2шт.

18

6144-81-6680

Spacer

SN: 610512-@

2шт.

19

08193-20010

Clip

SN: 610512-@

2шт.

20

01010-81025

Bolt

SN: 610512-612048

2шт.

21

01643-31032

Washer

SN: 610512-612048

2шт.

22

6245-11-4440

Stay

SN: 612191-@

1шт.

22

6215-85-4120

Stay

SN: 610512-612190

1шт.

23

01010-E1250

Bolt

SN: 610512-@

1шт.

24

01643-31232

Washer

SN: 610512-@

1шт.

25

6144-81-6680

Spacer

SN: 610512-@

1шт.

26

6218-81-8480

Band

SN: 610512-612048

2шт.

1

6240-11-5111

Manifold, Front and Rear

SN: 611018-@

2шт.

1

6240-11-5110

Manifold, Front and Rear

SN: 610512-611017

2шт.

2

6245-11-5230

Manifold,Center

SN: 610512-@

1шт.

3

6240-11-5820

Gasket

SN: 610512-@

6шт.

4

01010-E1290

Bolt

SN: 610512-@

24шт.

5

6245-11-5190

Spacer

SN: 610512-@

24шт.

6

6245-11-5550

Sensor

SN: 612049-@

1шт.

6

6215-11-8281

Sensor, Exhaust Temperature

SN: 610512-612048

2шт.

7

6240-81-4431

Clip

SN: 610512-612048

2шт.

8

01010-81025

Bolt

SN: 610512-612048

2шт.

9

01643-31032

Washer

SN: 610512-612048

2шт.

10

6245-81-9280

Bracket

SN: 610512-612048

1шт.

11

01435-01030

Bolt

SN: 610512-612048

2шт.

12

6240-81-4431

Clip

SN: 610512-612048

4шт.

13

01010-81025

Bolt

SN: 610512-612048

2шт.

14

01643-31032

Washer

SN: 610512-@

2шт.

15

6245-81-9290

Bracket

SN: 610512-612048

1шт.

16

01010-E1255

Bolt

SN: 610512-@

2шт.

17

01643-31232

Washer

SN: 610512-@

2шт.

18

6144-81-6680

Spacer

SN: 610512-@

2шт.

19

08193-20010

Clip

SN: 610512-@

2шт.

20

01010-81025

Bolt

SN: 610512-612048

2шт.

21

01643-31032

Washer

SN: 610512-612048

2шт.

22

6245-11-4440

Stay

SN: 612191-@

1шт.

22

6215-85-4120

Stay

SN: 610512-612190

1шт.

23

01010-E1250

Bolt

SN: 610512-@

1шт.

24

01643-31232

Washer

SN: 610512-@

1шт.

25

6144-81-6680

Spacer

SN: 610512-@

1шт.

26

6218-81-8480

Band

SN: 610512-612048

2шт.

Выбрано товаров: 58