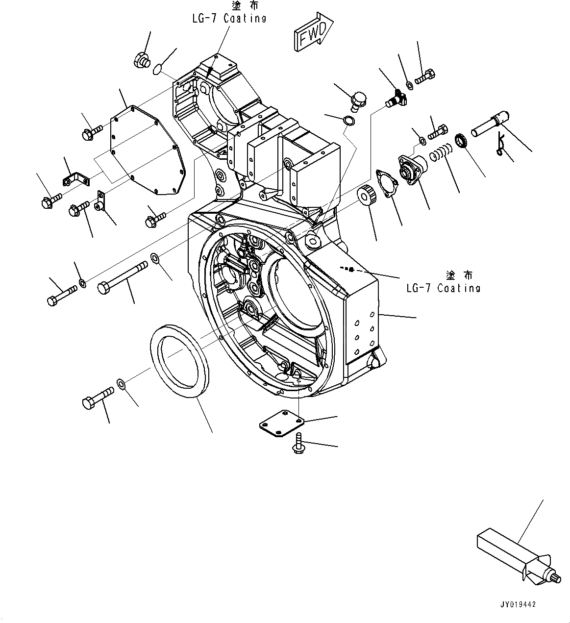
Запчасти Komatsu SAA6D170E-5AR КАРТЕР МАХОВИКА, (№78-) КАРТЕР МАХОВИКА

Схема запчастей Komatsu SAA6D170E-5AR - КАРТЕР МАХОВИКА, (№78-) КАРТЕР МАХОВИКА
25
7
11
12
10
9
6
13
26
15
18
14
22
4
1
2
19
16
17
8
31
32
3
30
29
28
27
24
23
7
5
20
33
21
25
7
11
12
10
9
6
13
26
15
18
14
22
4
1
2
19
16
17
8
31
32
3
30
29
28
27
24
23
7
5
20
33
21
FIT
1:1
100%

Артикул

Название

Примечание

Количество

1

6245-21-4130

Housing, Flywheel

SN: 610512-UP

1шт.

2

01011-81215

Bolt

SN: 610512-UP

5шт.

3

01643-31232

Washer

SN: 610512-UP

5шт.

4

6245-21-4220

Bolt

SN: 610512-UP

2шт.

5

208-27-52341

Bolt

SN: 610512-UP

2шт.

6

01011-61810

Bolt

SN: 610512-UP

9шт.

7

01643-21845

Washer

SN: 610512-UP

11шт.

8

6162-25-4251

Seal,Rear

SN: 610512-UP

1шт.

9

6204-21-5190

Plug, Drain

SN: 610512-UP

1шт.

10

07005-02216

Seal, Washer

SN: 610512-UP

1шт.

|$10

6162-23-4500

Gear Assembly

SN: 610512-UP

1шт.

11

Case

SN: 610512-UP

1шт.

12

Shaft

SN: 610512-UP

1шт.

13

Gear

SN: 610512-UP

1шт.

14

Spring

SN: 610512-UP

1шт.

15

Pin, Snap

SN: 610512-UP

1шт.

16

Seal, Dust

SN: 610512-UP

1шт.

17

6162-23-4941

Gasket

SN: 610512-UP

1шт.

18

01010-81030

Bolt

SN: 610512-UP

3шт.

19

01643-31032

Washer

SN: 610512-UP

3шт.

20

6261-81-2902

Sensor Assembly

SN: 611012-UP

1шт.

20

6261-81-2911

Sensor

SN: 610512-UP

1шт.

20

6271-81-9220

O-ring

SN: 610512-UP

1шт.

21

01010-80820

Bolt

SN: 612784-UP

1шт.

22

01643-30823

Washer

SN: 612784-UP

1шт.

23

6245-21-4150

Plate

SN: 610512-UP

1шт.

24

01435-01020

Bolt

SN: 610512-UP

7шт.

25

07040-12412

Plug

SN: 610512-UP

1шт.

26

07002-22434

O-ring

SN: 610512-UP

1шт.

27

6934-71-5860

Bracket

SN: 610512-UP

2шт.

28

01435-01025

Bolt

SN: 610512-UP

2шт.

29

426-06-11570

Bracket

SN: 610512-UP

1шт.

30

01435-01025

Bolt

SN: 610512-UP

1шт.

31

6240-21-4310

Plate

SN: 610512-UP

1шт.

32

01435-01220

Bolt

SN: 610512-UP

4шт.

33

09920-00150

Liquid gasket, LG-7, 150G

SN: 610512-UP

-2шт.

1

6245-21-4130

Housing, Flywheel

SN: 610512-UP

1шт.

2

01011-81215

Bolt

SN: 610512-UP

5шт.

3

01643-31232

Washer

SN: 610512-UP

5шт.

4

6245-21-4220

Bolt

SN: 610512-UP

2шт.

5

208-27-52341

Bolt

SN: 610512-UP

2шт.

6

01011-61810

Bolt

SN: 610512-UP

9шт.

7

01643-21845

Washer

SN: 610512-UP

11шт.

8

6162-25-4251

Seal,Rear

SN: 610512-UP

1шт.

9

6204-21-5190

Plug, Drain

SN: 610512-UP

1шт.

10

07005-02216

Seal, Washer

SN: 610512-UP

1шт.

|$10

6162-23-4500

Gear Assembly

SN: 610512-UP

1шт.

11

Case

SN: 610512-UP

1шт.

12

Shaft

SN: 610512-UP

1шт.

13

Gear

SN: 610512-UP

1шт.

14

Spring

SN: 610512-UP

1шт.

15

Pin, Snap

SN: 610512-UP

1шт.

16

Seal, Dust

SN: 610512-UP

1шт.

17

6162-23-4941

Gasket

SN: 610512-UP

1шт.

18

01010-81030

Bolt

SN: 610512-UP

3шт.

19

01643-31032

Washer

SN: 610512-UP

3шт.

20

6261-81-2902

Sensor Assembly

SN: 611012-UP

1шт.

20

6261-81-2911

Sensor

SN: 610512-UP

1шт.

20

6271-81-9220

O-ring

SN: 610512-UP

1шт.

21

01010-80820

Bolt

SN: 612784-UP

1шт.

22

01643-30823

Washer

SN: 612784-UP

1шт.

23

6245-21-4150

Plate

SN: 610512-UP

1шт.

24

01435-01020

Bolt

SN: 610512-UP

7шт.

25

07040-12412

Plug

SN: 610512-UP

1шт.

26

07002-22434

O-ring

SN: 610512-UP

1шт.

27

6934-71-5860

Bracket

SN: 610512-UP

2шт.

28

01435-01025

Bolt

SN: 610512-UP

2шт.

29

426-06-11570

Bracket

SN: 610512-UP

1шт.

30

01435-01025

Bolt

SN: 610512-UP

1шт.

31

6240-21-4310

Plate

SN: 610512-UP

1шт.

32

01435-01220

Bolt

SN: 610512-UP

4шт.

33

09920-00150

Liquid gasket, LG-7, 150G

SN: 610512-UP

-2шт.

Выбрано товаров: 72