Запчасти Komatsu SAA6D170E-5AR-W ВЫПУСКНОЙ КОЛЛЕКТОР (БЕЗ VEHICLE HEALTH СИСТЕМА МОНИТОРА PM-CLINICСПЕЦ-Я.)(№-) ДВИГАТЕЛЬ

Схема запчастей Komatsu SAA6D170E-5AR-W - ВЫПУСКНОЙ КОЛЛЕКТОР (БЕЗ VEHICLE HEALTH СИСТЕМА МОНИТОРА PM-CLINICСПЕЦ-Я.)(№-) ДВИГАТЕЛЬ
1
2
3
4
5
6
7
8
9
10
11
12
13
14
15
16
17
18
19
20
21
22
1
1
2
3
3
3
3
4
5
6
6
7
7
8
9
10
11
12
12
13
14
15
16
17
18
19
20
21
22
23
24
25
26
27
27
1
2
3
4
5
6
7
8
9
10
11
12
13
14
15
16
17
18
19
20
21
22
1
1
2
3
3
3
3
4
5
6
6
7
7
8
9
10
11
12
12
13
14
15
16
17
18
19
20
21
22
23
24
25
26
27
27
FIT
1:1
100%

Артикул

Название

Примечание

Количество

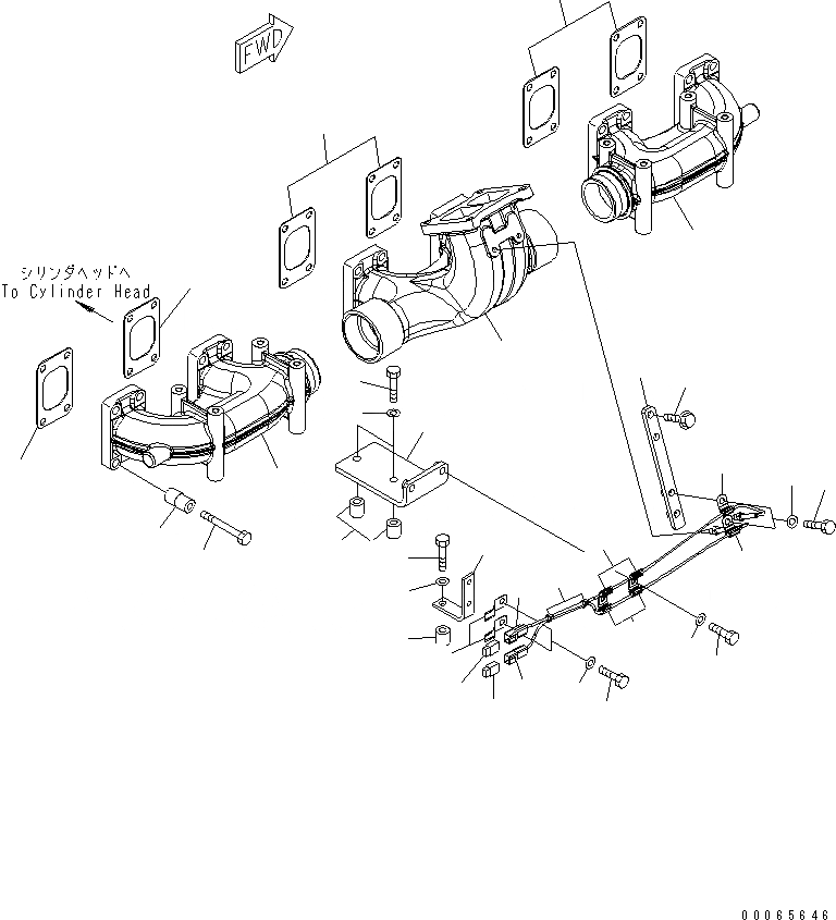
1

6240-11-5110

MANIFOLD,FRONT AND REAR

SN: 610026-UP

2шт.

2

6245-11-5230

MANIFOLD,CENTER

SN: 610026-UP

1шт.

3

6240-11-5820

GASKET

SN: 610026-UP

6шт.

4

01010-E1290

BOLT

SN: 610026-UP

24шт.

5

6245-11-5190

SPACER

SN: 610026-UP

24шт.

6

6215-11-8281

SENSOR,EXHAUST TEMPERATURE

SN: 610026-UP

2шт.

7

6240-81-4431

CLIP

SN: 610026-UP

2шт.

8

01010-81025

BOLT

SN: 610026-UP

2шт.

9

01643-31032

WASHER

SN: 610026-UP

2шт.

10

6245-81-9280

BRACKET

SN: 610026-UP

1шт.

11

01435-01030

BOLT

SN: 610026-UP

2шт.

12

6240-81-4431

CLIP

SN: 610026-UP

4шт.

13

01010-81025

BOLT

SN: 610026-UP

2шт.

14

01643-31032

WASHER

SN: 610026-UP

2шт.

15

6245-81-9290

BRACKET

SN: 610026-UP

1шт.

16

01010-E1255

BOLT

SN: 610026-UP

2шт.

17

01643-31232

WASHER

SN: 610026-UP

2шт.

18

6144-81-6680

SPACER

SN: 610026-UP

2шт.

19

08193-20010

CLIP

SN: 610026-UP

2шт.

20

01010-81025

BOLT

SN: 610026-UP

2шт.

21

01643-31032

WASHER

SN: 610026-UP

2шт.

22

6215-85-4120

STAY

SN: 610026-UP

1шт.

23

01010-E1250

BOLT

SN: 610026-UP

1шт.

24

01643-31232

WASHER

SN: 610026-UP

1шт.

25

6144-81-6680

SPACER

SN: 610026-UP

1шт.

26

6218-81-8480

BAND

SN: 610026-UP

2шт.

27

6240-81-5470

CONNECTOR

SN: 610026-UP

2шт.

1

6240-11-5110

MANIFOLD,FRONT AND REAR

SN: 610026-UP

2шт.

2

6245-11-5230

MANIFOLD,CENTER

SN: 610026-UP

1шт.

3

6240-11-5820

GASKET

SN: 610026-UP

6шт.

4

01010-E1290

BOLT

SN: 610026-UP

24шт.

5

6245-11-5190

SPACER

SN: 610026-UP

24шт.

6

6215-11-8281

SENSOR,EXHAUST TEMPERATURE

SN: 610026-UP

2шт.

7

6240-81-4431

CLIP

SN: 610026-UP

2шт.

8

01010-81025

BOLT

SN: 610026-UP

2шт.

9

01643-31032

WASHER

SN: 610026-UP

2шт.

10

6245-81-9280

BRACKET

SN: 610026-UP

1шт.

11

01435-01030

BOLT

SN: 610026-UP

2шт.

12

6240-81-4431

CLIP

SN: 610026-UP

4шт.

13

01010-81025

BOLT

SN: 610026-UP

2шт.

14

01643-31032

WASHER

SN: 610026-UP

2шт.

15

6245-81-9290

BRACKET

SN: 610026-UP

1шт.

16

01010-E1255

BOLT

SN: 610026-UP

2шт.

17

01643-31232

WASHER

SN: 610026-UP

2шт.

18

6144-81-6680

SPACER

SN: 610026-UP

2шт.

19

08193-20010

CLIP

SN: 610026-UP

2шт.

20

01010-81025

BOLT

SN: 610026-UP

2шт.

21

01643-31032

WASHER

SN: 610026-UP

2шт.

22

6215-85-4120

STAY

SN: 610026-UP

1шт.

23

01010-E1250

BOLT

SN: 610026-UP

1шт.

24

01643-31232

WASHER

SN: 610026-UP

1шт.

25

6144-81-6680

SPACER

SN: 610026-UP

1шт.

26

6218-81-8480

BAND

SN: 610026-UP

2шт.

27

6240-81-5470

CONNECTOR

SN: 610026-UP

2шт.

Выбрано товаров: 54