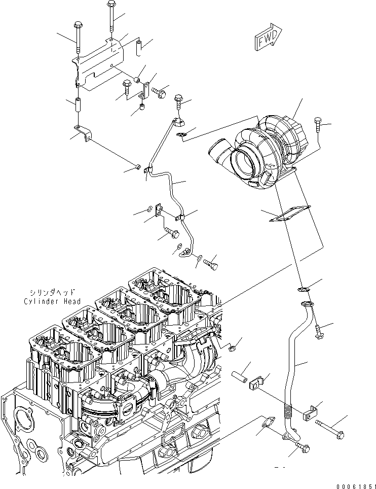
Запчасти Komatsu SAA6D170E-5AR-W КРЕПЛЕНИЕ ТУРБОНАГНЕТАТЕЛЯ И СМАЗКА (БЕЗ VEHICLE HEALTH СИСТЕМА МОНИТОРА)(№-) ДВИГАТЕЛЬ

Схема запчастей Komatsu SAA6D170E-5AR-W - КРЕПЛЕНИЕ ТУРБОНАГНЕТАТЕЛЯ И СМАЗКА (БЕЗ VEHICLE HEALTH СИСТЕМА МОНИТОРА)(№-) ДВИГАТЕЛЬ
1
2
3
4
5
6
7
8
9
10
10
11
12
13
1
2
3
4
5
6
7
8
9
10
11
12
13
14
15
16
16
17
18
19
19
20
20
21
22
23
23
24
25
25
26
27
28
29
30
31
1
2
3
4
5
6
7
8
9
10
10
11
12
13
1
2
3
4
5
6
7
8
9
10
11
12
13
14
15
16
16
17
18
19
19
20
20
21
22
23
23
24
25
25
26
27
28
29
30
31
FIT
1:1
100%

Артикул

Название

Примечание

Количество

1

6502-52-5030

TURBOCHARGER ASS'Y,(SEE FIG.A1530-C6J8)

SN: 610026-UP

1шт.

2

6240-11-5920

GASKET

SN: 610026-UP

1шт.

3

6166-11-9910

BOLT

SN: 610026-UP

4шт.

4

6685-11-5550

NUT

SN: 610026-UP

4шт.

5

6245-51-8150

TUBE,SUPPLY

SN: 610026-UP

1шт.

6

01435-01030

BOLT

SN: 610026-UP

2шт.

7

6151-51-8161

GASKET

SN: 610026-UP

1шт.

8

6240-51-8910

BRACKET

SN: 610026-UP

1шт.

9

21T-72-14930

BOSS

SN: 610026-UP

1шт.

10

6151-53-8280

CLIP

SN: 610026-UP

1шт.

11

6151-53-8280

CLIP

SN: 610026-UP

1шт.

12

6245-71-5570

BRACKET

SN: 610026-UP

1шт.

13

01643-31032

WASHER

SN: 610026-UP

1шт.

14

01435-01035

BOLT

SN: 610026-UP

1шт.

15

07206-31014

BOLT,JOINT

SN: 610026-UP

1шт.

16

07005-01412

SEAL, WASHER

SN: 610026-UP

2шт.

17

6240-51-8710

COVER

SN: 610026-UP

1шт.

18

6136-21-5630

BRACKET

SN: 610026-UP

2шт.

19

6631-11-5630

SPACER

SN: 610026-UP

4шт.

20

01435-01035

BOLT

SN: 610026-UP

4шт.

21

6240-51-8760

SPACER

SN: 610026-UP

1шт.

22

6240-51-8770

SPACER

SN: 610026-UP

1шт.

23

01435-01095

BOLT

SN: 610026-UP

2шт.

24

6245-51-8120

TUBE,RETURN

SN: 610026-UP

1шт.

25

01435-01025

BOLT

SN: 610026-UP

4шт.

26

6151-51-8151

GASKET

SN: 610026-UP

1шт.

27

6127-51-6822

GASKET

SN: 610026-UP

1шт.

28

6245-51-8350

CLAMP

SN: 610026-UP

1шт.

29

6245-51-8340

CLAMP

SN: 610026-UP

1шт.

30

01436-01035

BOLT

SN: 610026-UP

1шт.

31

6130-12-4571

SPACER

SN: 610026-UP

1шт.

1

6502-52-5030

TURBOCHARGER ASS'Y,(SEE FIG.A1530-C6J8)

SN: 610026-UP

1шт.

2

6240-11-5920

GASKET

SN: 610026-UP

1шт.

3

6166-11-9910

BOLT

SN: 610026-UP

4шт.

4

6685-11-5550

NUT

SN: 610026-UP

4шт.

5

6245-51-8150

TUBE,SUPPLY

SN: 610026-UP

1шт.

6

01435-01030

BOLT

SN: 610026-UP

2шт.

7

6151-51-8161

GASKET

SN: 610026-UP

1шт.

8

6240-51-8910

BRACKET

SN: 610026-UP

1шт.

9

21T-72-14930

BOSS

SN: 610026-UP

1шт.

10

6151-53-8280

CLIP

SN: 610026-UP

1шт.

11

6151-53-8280

CLIP

SN: 610026-UP

1шт.

12

6245-71-5570

BRACKET

SN: 610026-UP

1шт.

13

01643-31032

WASHER

SN: 610026-UP

1шт.

14

01435-01035

BOLT

SN: 610026-UP

1шт.

15

07206-31014

BOLT,JOINT

SN: 610026-UP

1шт.

16

07005-01412

SEAL, WASHER

SN: 610026-UP

2шт.

17

6240-51-8710

COVER

SN: 610026-UP

1шт.

18

6136-21-5630

BRACKET

SN: 610026-UP

2шт.

19

6631-11-5630

SPACER

SN: 610026-UP

4шт.

20

01435-01035

BOLT

SN: 610026-UP

4шт.

21

6240-51-8760

SPACER

SN: 610026-UP

1шт.

22

6240-51-8770

SPACER

SN: 610026-UP

1шт.

23

01435-01095

BOLT

SN: 610026-UP

2шт.

24

6245-51-8120

TUBE,RETURN

SN: 610026-UP

1шт.

25

01435-01025

BOLT

SN: 610026-UP

4шт.

26

6151-51-8151

GASKET

SN: 610026-UP

1шт.

27

6127-51-6822

GASKET

SN: 610026-UP

1шт.

28

6245-51-8350

CLAMP

SN: 610026-UP

1шт.

29

6245-51-8340

CLAMP

SN: 610026-UP

1шт.

30

01436-01035

BOLT

SN: 610026-UP

1шт.

31

6130-12-4571

SPACER

SN: 610026-UP

1шт.

Выбрано товаров: 62