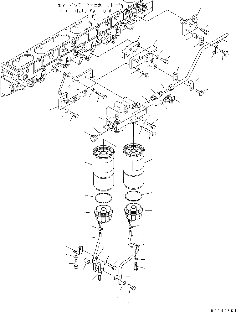
Запчасти Komatsu SAA6D170E-5B-02 ТОПЛИВН. PRE-ФИЛЬТР. И КРЕПЛЕНИЕ(№7-) ДВИГАТЕЛЬ

Схема запчастей Komatsu SAA6D170E-5B-02 - ТОПЛИВН. PRE-ФИЛЬТР. И КРЕПЛЕНИЕ(№7-) ДВИГАТЕЛЬ
1
2
2
3
3
4
4
5
6
7
7
8
9
10
11
11
12
13
14
15
16
16
17
18
19
20
21
22
23
24
25
26
27
28
29
30
31
32
33
34
34
35
35
36
37
38
39
40
41
42
43
44
45
45
46
47
48
FIT
1:1
100%

Артикул

Название

Примечание

Количество

1

6245-71-6110

HEAD,PRE-FILTER

SN: 510017-UP

1шт.

|$3

600-311-4500

FILTER ASS'Y

SN: 510766-UP

2шт.

|$4

0

FILTER ASS'Y

SN: 510017-510765

2шт.

2

0

CARTRIDGE (1-1/4),(SEE FIG.A4159-A6A1)

SN: 510766-UP

1шт.

2

0

CARTRIDGE (1-1/4),(SEE FIG.A4159-A6A1)

SN: 510017-510765

1шт.

3

600-311-3220

CAP

SN: 510017-UP

1шт.

4

600-311-3230

SEAL

SN: 510017-UP

1шт.

5

01010-81295

BOLT

SN: 510017-UP

3шт.

6

01011-81255

BOLT

SN: 510017-UP

1шт.

7

01643-31232

WASHER

SN: 510017-UP

4шт.

8

6245-71-5890

BRACKET

SN: 510017-UP

1шт.

9

01010-81030

BOLT

SN: 510017-UP

5шт.

10

01011-81075

BOLT

SN: 510017-UP

2шт.

11

01643-31032

WASHER

SN: 510017-UP

7шт.

12

6245-71-5880

BRACKET

SN: 510017-UP

1шт.

13

6245-51-5220

PLATE

SN: 510017-UP

1шт.

14

01010-81030

BOLT

SN: 510017-UP

2шт.

15

01010-81060

BOLT

SN: 510017-UP

4шт.

16

01643-31032

WASHER

SN: 510017-UP

6шт.

17

6245-71-5810

TUBE

SN: 510017-UP

1шт.

18

6245-71-5920

UNION

SN: 510017-UP

1шт.

19

02896-11015

O-RING

SN: 510017-UP

1шт.

20

07002-12434

O-RING

SN: 510017-UP

1шт.

21

02782-10628

ELBOW

SN: 510017-UP

1шт.

22

07002-12434

O-RING

SN: 510017-UP

1шт.

23

07040-12412

PLUG

SN: 510017-UP

2шт.

24

07002-12434

O-RING

SN: 510017-UP

2шт.

25

6240-71-6530

CLAMP

SN: 510017-UP

1шт.

26

6240-71-6540

CLAMP

SN: 510017-UP

1шт.

27

01435-01040

BOLT

SN: 510017-UP

1шт.

28

6240-71-6530

CLAMP

SN: 510017-UP

1шт.

29

6240-71-6540

CLAMP

SN: 510017-UP

1шт.

30

01435-01065

BOLT

SN: 510017-UP

1шт.

31

6128-21-6730

SPACER

SN: 510017-UP

1шт.

32

6245-71-5870

BRACKET

SN: 510017-UP

1шт.

33

01435-01055

BOLT

SN: 510017-UP

3шт.

34

07270-40810

TUBE

SN: 510017-UP

2шт.

35

07285-00125

CLIP

SN: 510017-UP

2шт.

36

04434-51510

CLIP

SN: 510017-UP

1шт.

37

01010-81025

BOLT

SN: 510017-UP

1шт.

38

01643-31032

WASHER

SN: 510017-UP

1шт.

39

6934-71-5860

BRACKET

SN: 510017-UP

1шт.

40

01010-81025

BOLT

SN: 510017-UP

1шт.

41

01643-31032

WASHER

SN: 510017-UP

1шт.

42

04434-51510

CLIP

SN: 510017-UP

1шт.

43

01010-81025

BOLT

SN: 510017-UP

1шт.

44

01643-31032

WASHER

SN: 510017-UP

1шт.

45

04434-51510

CLIP

SN: 510017-UP

2шт.

46

01010-81050

BOLT

SN: 510017-UP

1шт.

47

01643-31032

WASHER

SN: 510017-UP

1шт.

48

6128-21-6730

SPACER

SN: 510017-UP

1шт.

Выбрано товаров: 51