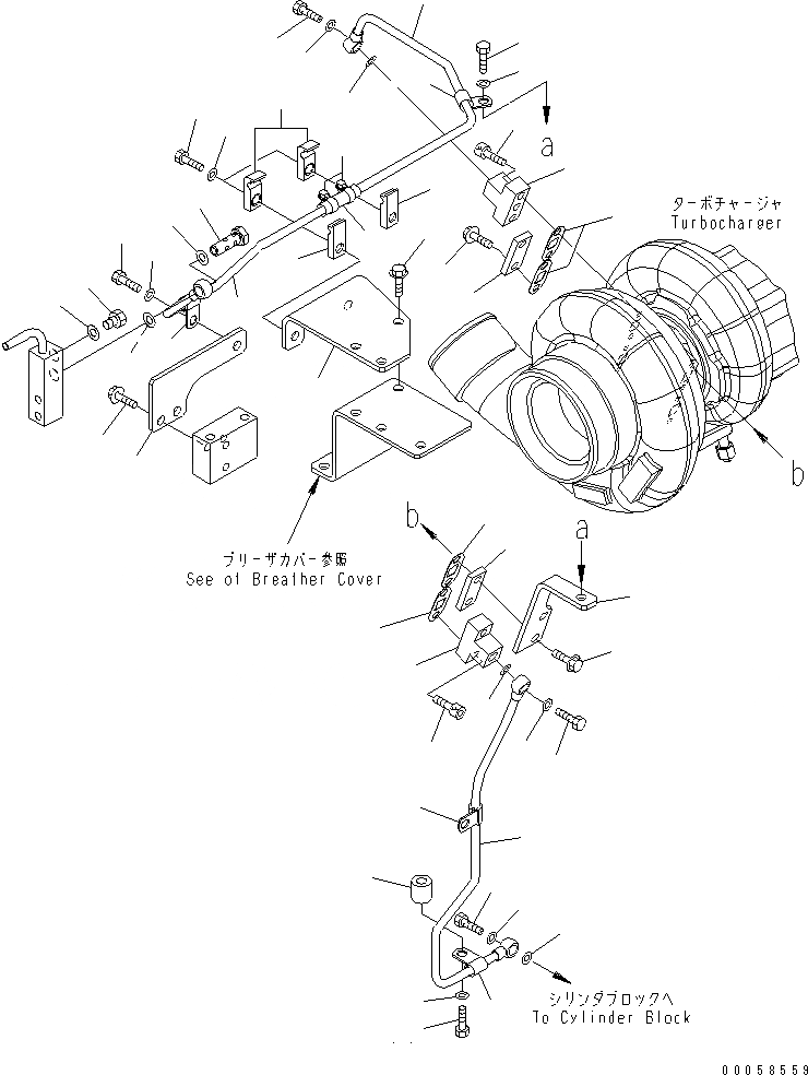
Запчасти Komatsu SAA6D170E-5B-R2 ТУРБОНАГНЕТАТЕЛЬ ВОДН. ГИДРОЛИНИЯ(№-) ДВИГАТЕЛЬ

Схема запчастей Komatsu SAA6D170E-5B-R2 - ТУРБОНАГНЕТАТЕЛЬ ВОДН. ГИДРОЛИНИЯ(№-) ДВИГАТЕЛЬ
1
1
2
3
3
4
4
5
5
6
7
8
8
9
9
9
9
10
11
12
13
14
15
16
17
17
18
19
20
21
22
23
24
24
25
26
27
28
29
30
31
32
33
33
34
35
36
37
38
39
40
FIT
1:1
100%

Артикул

Название

Примечание

Количество

1

6162-63-8570

JOINT,WATER

SN: 610002-UP

2шт.

2

6164-62-8241

GASKET

SN: 610002-UP

2шт.

3

01252-31035

BOLT

SN: 610002-UP

4шт.

4

6164-62-8230

PLATE

SN: 610002-UP

2шт.

5

6164-62-8241

GASKET

SN: 610002-UP

2шт.

6

01435-01020

BOLT

SN: 610002-UP

2шт.

7

6245-61-6850

TUBE,INLET

SN: 610002-UP

1шт.

8

07206-31014

BOLT,JOINT

SN: 610002-UP

2шт.

9

07003-01419

GASKET

SN: 610002-UP

4шт.

10

6151-53-8280

CLIP

SN: 610002-UP

1шт.

11

01010-81055

BOLT

SN: 610002-UP

1шт.

12

01643-31032

WASHER

SN: 610002-UP

1шт.

13

6144-81-6680

SPACER

SN: 610002-UP

1шт.

14

6151-53-8280

CLIP

SN: 610002-UP

1шт.

15

6245-61-6860

TUBE,RETURN

SN: 610002-UP

1шт.

16

07206-31014

BOLT,JOINT

SN: 610002-UP

1шт.

17

07003-01419

GASKET

SN: 610002-UP

2шт.

18

6151-53-8280

CLIP

SN: 610002-UP

1шт.

19

01010-81020

BOLT

SN: 610002-UP

1шт.

20

01643-31032

WASHER

SN: 610002-UP

1шт.

21

6245-61-6880

BRACKET

SN: 610002-UP

1шт.

22

01435-01025

BOLT

SN: 610002-UP

2шт.

23

6240-51-8340

CLAMP

SN: 610002-UP

2шт.

24

6240-51-8350

CLAMP

SN: 610002-UP

2шт.

25

01010-81040

BOLT

SN: 610002-UP

2шт.

26

01643-31032

WASHER

SN: 610002-UP

2шт.

27

6245-61-7110

BRACKET

SN: 610002-UP

1шт.

28

01435-01025

BOLT

SN: 610002-UP

3шт.

29

6245-61-6790

HOSE

SN: 610002-UP

1шт.

30

07281-00197

CLAMP

SN: 610002-UP

2шт.

31

6245-61-6870

TUBE,RETURN

SN: 610002-UP

1шт.

32

6127-71-5710

BOLT,JOINT

SN: 610002-UP

1шт.

33

07005-01412

GASKET

SN: 610002-UP

2шт.

34

07040-11612

PLUG

SN: 610002-UP

1шт.

35

07005-01612

GASKET

SN: 610002-UP

1шт.

36

6151-53-8280

CLIP

SN: 610002-UP

1шт.

37

01010-81030

BOLT

SN: 610002-UP

1шт.

38

01643-31032

WASHER

SN: 610002-UP

1шт.

39

6245-61-7120

PLATE

SN: 610002-UP

1шт.

40

01435-01020

BOLT

SN: 610002-UP

2шт.

Выбрано товаров: 40