Запчасти Komatsu SAA6D170E-5B-R2 КРЕПЛЕНИЕ СТАРТЕРА (7.KW)(№-) ДВИГАТЕЛЬ

Схема запчастей Komatsu SAA6D170E-5B-R2 - КРЕПЛЕНИЕ СТАРТЕРА (7.KW)(№-) ДВИГАТЕЛЬ
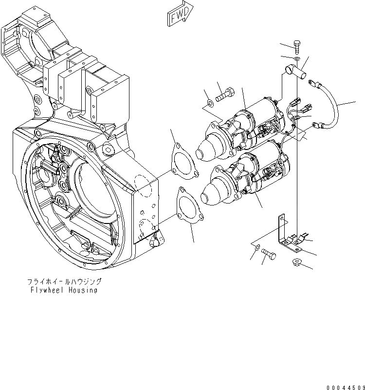
1
1
2
2
3
4
5
6
7
8
9
10
11
12
13
14
15
FIT
1:1
100%

Артикул

Название

Примечание

Количество

1

600-813-7152

STARTING MOTOR ASS'Y,(7.5KW) (SEE FIG.A6210-B6E5)

SN: 610002-UP

2шт.

2

6221-81-6810

GASKET

SN: 610002-UP

2шт.

3

01010-81645

BOLT

SN: 610002-UP

6шт.

4

01643-31645

WASHER

SN: 610002-UP

6шт.

5

08028-73035

CABLE

SN: 610002-UP

1шт.

6

08038-00035

CAP

SN: 610002-UP

1шт.

7

6245-81-6120

BRACKET

SN: 610002-UP

1шт.

8

01010-81030

BOLT

SN: 610002-UP

1шт.

9

01643-31032

WASHER

SN: 610002-UP

1шт.

10

600-051-2080

CLIP

SN: 610002-UP

1шт.

11

08193-20010

CLIP

SN: 610002-UP

1шт.

12

01010-81025

BOLT

SN: 610002-UP

1шт.

13

01643-31032

WASHER

SN: 610002-UP

1шт.

14

01584-01008

NUT

SN: 610002-UP

1шт.

15

6218-81-8470

BAND

SN: 610002-UP

2шт.

Выбрано товаров: 15