Запчасти Komatsu SAA6D170E-5B КРЫШКА ГОЛОВКИ КОМПОНЕНТЫ (№7-) КРЫШКА ГОЛОВКИ КОМПОНЕНТЫ, PROVISION ДЛЯ СТРАН ЕС БЕЗОПАСН. REGULATION, ПЕРИОДИЧ. ОБСЛУЖ. SERVICE СОЕДИН-ЕS

Схема запчастей Komatsu SAA6D170E-5B - КРЫШКА ГОЛОВКИ КОМПОНЕНТЫ (№7-) КРЫШКА ГОЛОВКИ КОМПОНЕНТЫ, PROVISION ДЛЯ СТРАН ЕС БЕЗОПАСН. REGULATION, ПЕРИОДИЧ. ОБСЛУЖ. SERVICE СОЕДИН-ЕS
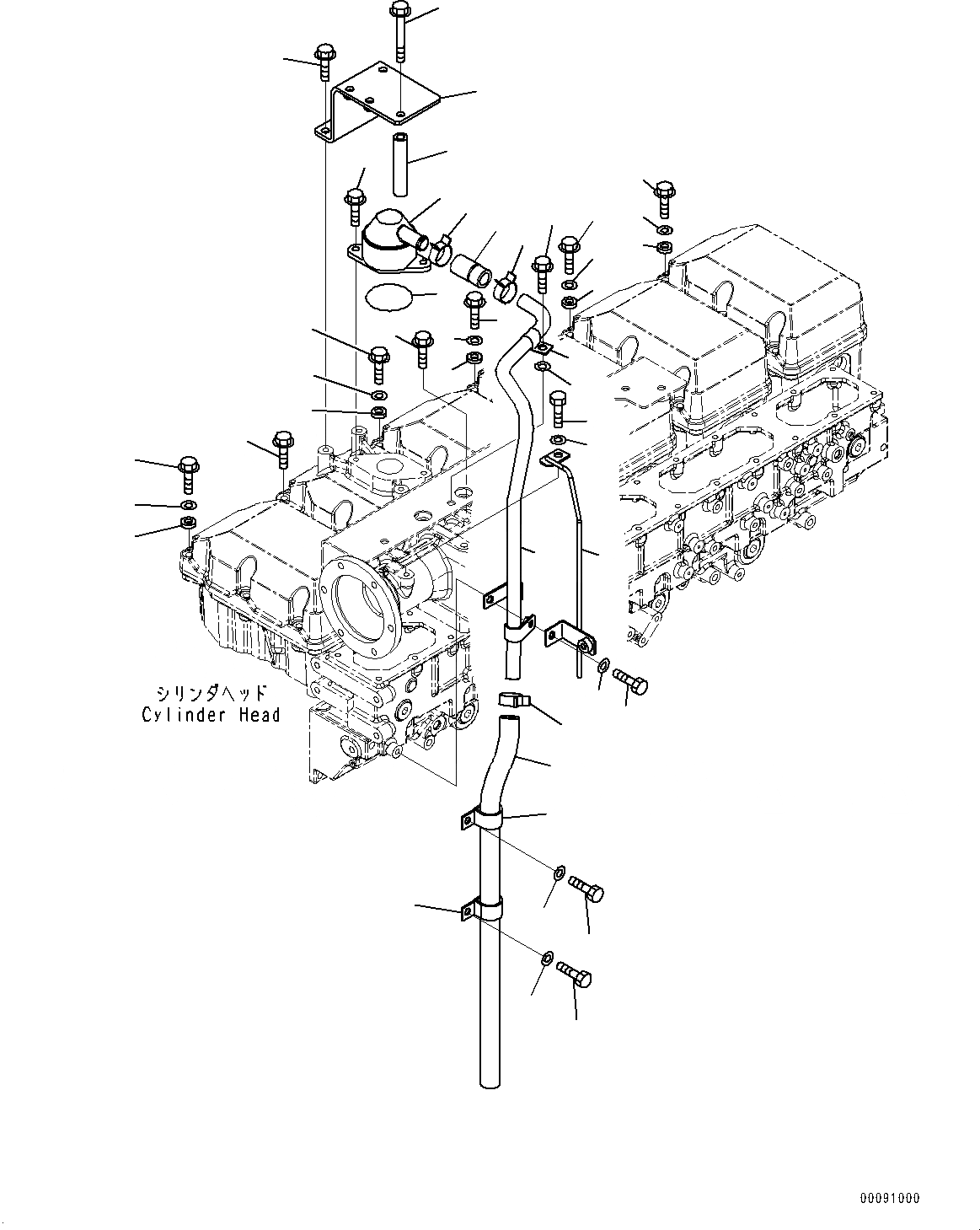
1
2
3
4
5
6
7
8
9
10
11
12
18
19
20
21
22
3
4
9
4
1
3
4
1
1
4
3
3
1
1
27
26
25
27
26
25
24
23
16
17
15
14
13
FIT
1:1
100%

Артикул

Название

Примечание

Количество

1

01435-01045

Bolt

SN: 511703-UP

35шт.

2

01435-01070

Bolt

SN: 511703-UP

1шт.

3

01640-21016

Washer

SN: 511703-UP

30шт.

4

6150-11-8820

Rubber

SN: 511703-UP

30шт.

5

6210-21-8711

Breather

SN: 511703-UP

1шт.

6

07000-72060

O-ring

SN: 511703-UP

1шт.

7

01435-01025

Bolt

SN: 511703-UP

2шт.

8

6245-21-8830

Hose

SN: 511703-UP

1шт.

9

07285-00260

Clip, Hose

SN: 513137-UP

2шт.

9

07285-00280

Clip

SN: 511703-513136

2шт.

10

6245-21-8770

Tube

SN: 511703-UP

1шт.

11

112-946-4170

Clip

SN: 511703-UP

1шт.

12

01435-01030

Bolt

SN: 511703-UP

1шт.

13

01643-31032

Washer

SN: 511703-UP

1шт.

14

6245-81-5140

Bracket

SN: 511703-UP

1шт.

15

01010-81020

Bolt

SN: 511703-UP

1шт.

16

01643-31032

Washer

SN: 511703-UP

1шт.

17

01010-81025

Bolt

SN: 511703-UP

1шт.

18

01643-31032

Washer

SN: 511703-UP

1шт.

19

6245-21-7120

Bracket

SN: 511703-UP

1шт.

20

01435-01020

Bolt

SN: 511703-UP

2шт.

21

01436-01030

Bolt

SN: 511703-UP

1шт.

22

6206-81-9870

Spacer

SN: 511703-UP

1шт.

23

07287-01912

Hose

SN: 511703-UP

1шт.

24

07285-00220

Clip

SN: 511703-UP

1шт.

25

04434-52511

Clip

SN: 511703-UP

2шт.

26

01010-81020

Bolt

SN: 511703-UP

2шт.

27

01643-31032

Washer

SN: 511703-UP

2шт.

Выбрано товаров: 28