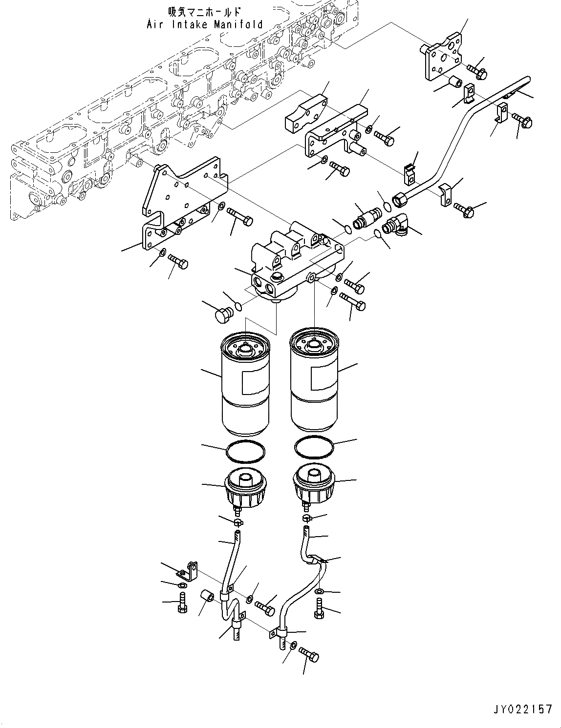
Запчасти Komatsu SAA6D170E-5B ТОПЛИВН. ФИЛЬТР. И ТРУБЫ, PREФИЛЬТР. И КРЕПЛЕНИЕ (№7-) ТОПЛИВН. ФИЛЬТР. И ТРУБЫ, PROVISION ДЛЯ BAD ТОПЛИВН. И ПЛОХ. ТОПЛИВО СПЕЦ-ЯIFICATION, ВОДН.+DUST, TURKEY, ЕС БЕЗОПАСН. REGULATION

Схема запчастей Komatsu SAA6D170E-5B - ТОПЛИВН. ФИЛЬТР. И ТРУБЫ, PREФИЛЬТР. И КРЕПЛЕНИЕ (№7-) ТОПЛИВН. ФИЛЬТР. И ТРУБЫ, PROVISION ДЛЯ BAD ТОПЛИВН. И ПЛОХ. ТОПЛИВО СПЕЦ-ЯIFICATION, ВОДН.+DUST, TURKEY, ЕС БЕЗОПАСН. REGULATION
15
19
18
14
17
16
3
2
4
8
7
6
5
12
13
10
11
9
20
22
23
21
24
25
26
27
33
31
34
32
30
28
29
35
36
44
43
42
41
40
39
37
38
38
37
3
45
47
46
48
48
51
50
49
4
1
2
FIT
1:1
100%

Артикул

Название

Примечание

Количество

1

6245-71-6111

Head, Prefilter

SN: 511703-UP

1шт.

|$1

600-311-4500

Filter Assembly, (1-1/4)

SN: 511703-UP

2шт.

2

Cartridge, (1-1/4)

SN: 511703-UP

1шт.

3

600-311-3220

Cap

SN: 511703-UP

1шт.

4

600-311-3230

Seal

SN: 511703-UP

1шт.

5

01010-81290

Bolt

SN: 511703-UP

3шт.

6

01643-31232

Washer

SN: 511703-UP

3шт.

7

01011-81255

Bolt

SN: 511703-UP

1шт.

8

01643-31232

Washer

SN: 511703-UP

1шт.

9

6245-71-5890

Bracket

SN: 511703-UP

1шт.

10

01010-81030

Bolt

SN: 511703-UP

5шт.

11

01643-31032

Washer

SN: 511703-UP

5шт.

12

01011-81075

Bolt

SN: 511703-UP

2шт.

13

01643-31032

Washer

SN: 511703-UP

2шт.

14

6245-71-5880

Bracket

SN: 511703-UP

1шт.

15

6245-51-5220

Plate

SN: 511703-UP

1шт.

16

01010-81030

Bolt

SN: 511703-UP

2шт.

17

01643-31032

Washer

SN: 511703-UP

2шт.

18

01010-81060

Bolt

SN: 511703-UP

4шт.

19

01643-31032

Washer

SN: 511703-UP

4шт.

20

6245-71-5810

Tube

SN: 511703-UP

1шт.

21

6245-71-5920

Union

SN: 511703-UP

1шт.

22

02896-11015

O-ring

SN: 511703-UP

1шт.

23

07002-12434

O-ring

SN: 511703-UP

1шт.

24

02782-10628

Elbow

SN: 511703-UP

1шт.

25

07002-12434

O-ring

SN: 511703-UP

1шт.

26

07040-12412

Plug

SN: 511703-UP

2шт.

27

07002-12434

O-ring

SN: 511703-UP

2шт.

28

6240-71-6530

Clamp

SN: 511703-UP

1шт.

29

6240-71-6540

Clamp

SN: 511703-UP

1шт.

30

01435-01040

Bolt

SN: 511703-UP

1шт.

31

6240-71-6530

Clamp

SN: 511703-UP

1шт.

32

6240-71-6540

Clamp

SN: 511703-UP

1шт.

33

01435-01065

Bolt

SN: 511703-UP

1шт.

34

6128-21-6730

Spacer

SN: 511703-UP

1шт.

35

6245-71-5870

Bracket

SN: 511703-UP

1шт.

36

01435-01055

Bolt

SN: 511703-UP

3шт.

37

07270-40810

Tube

SN: 511703-UP

2шт.

38

07285-00125

Clip

SN: 511703-UP

2шт.

39

04434-51810

Clip

SN: 511703-UP

1шт.

40

01010-81025

Bolt

SN: 511703-UP

1шт.

41

01643-31032

Washer

SN: 511703-UP

1шт.

42

6934-71-5860

Bracket

SN: 511703-UP

1шт.

43

01010-81025

Bolt

SN: 511703-UP

1шт.

44

01643-31032

Washer

SN: 511703-UP

1шт.

45

04434-51810

Clip

SN: 511703-UP

1шт.

46

01010-81025

Bolt

SN: 511703-UP

1шт.

47

01643-31032

Washer

SN: 511703-UP

1шт.

48

04434-51810

Clip

SN: 511703-UP

2шт.

49

01010-81050

Bolt

SN: 511703-UP

1шт.

50

01643-31032

Washer

SN: 511703-UP

1шт.

51

6128-21-6730

Spacer

SN: 511703-UP

1шт.

Выбрано товаров: 52