Запчасти Komatsu SAA6D170E-5B ЭЛЕМЕНТЫ БЛОКА ЦИЛИНДРОВ, ТЕМПЕРАТУРН. ДАТЧИК И ДАТЧИК ДАВЛЕНИЯ (№8-) ЭЛЕМЕНТЫ БЛОКА ЦИЛИНДРОВ, МОРОЗОУСТОЙЧИВ. СПЕЦИФ-Я (-DEG C)

Схема запчастей Komatsu SAA6D170E-5B - ЭЛЕМЕНТЫ БЛОКА ЦИЛИНДРОВ, ТЕМПЕРАТУРН. ДАТЧИК И ДАТЧИК ДАВЛЕНИЯ (№8-) ЭЛЕМЕНТЫ БЛОКА ЦИЛИНДРОВ, МОРОЗОУСТОЙЧИВ. СПЕЦИФ-Я (-DEG C)
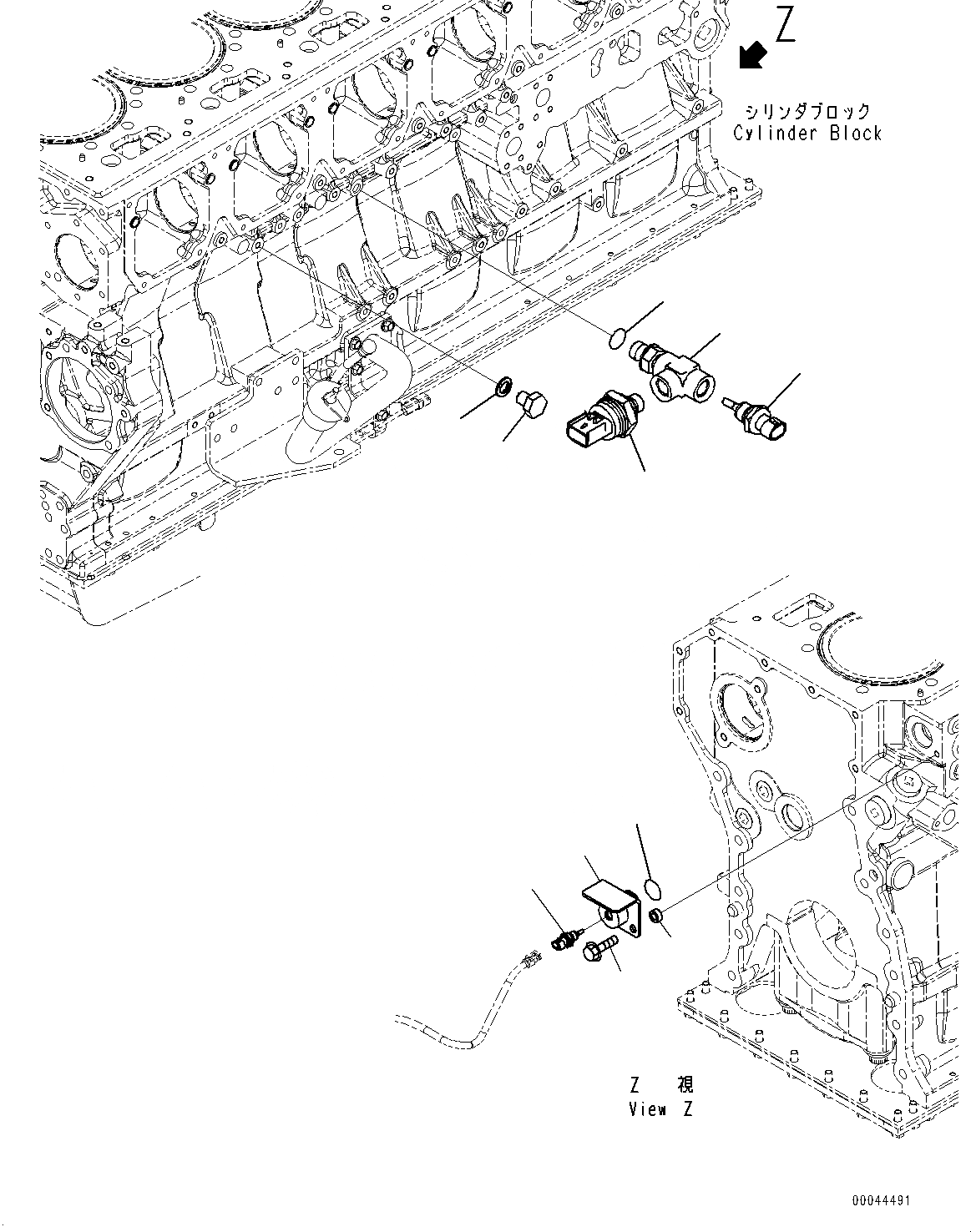
8
11
10
9
5
6
3
4
2
1
7
FIT
1:1
100%

Артикул

Название

Примечание

Количество

1

6245-21-6810

Adapter

SN: 511668-UP

1шт.

2

6240-61-6370

O-ring

SN: 511668-UP

1шт.

3

01435-01025

Bolt

SN: 511668-UP

1шт.

4

417-823-1460

Spacer

SN: 511668-UP

1шт.

5

6261-81-6901

Sensor Assembly, Water Temperature

SN: 511668-UP

1шт.

5

6216-84-9740

Seal

SN: 511668-UP

1шт.

6

01050-51012

Bolt

SN: 511668-UP

1шт.

7

07005-01012

Seal, Washer

SN: 511668-UP

1шт.

8

6219-81-1961

Sensor Assembly, Oil Pressure

SN: 511668-UP

1шт.

8

6219-81-1991

O-ring

SN: 511668-UP

1шт.

9

6261-81-6901

Sensor Assembly, Oil Temperature

SN: 511668-UP

1шт.

9

6216-84-9740

Seal

SN: 511668-UP

1шт.

10

6245-71-5930

Tee

SN: 511668-UP

1шт.

11

07002-21423

O-ring

SN: 511668-UP

1шт.

Выбрано товаров: 14