Запчасти Komatsu SAA6D170E-5BR КРЫШКАДЛЯ ВЫПУСКН. GAS RE-CIRCULATION (EGR) LESS (№-) КРЫШКАДЛЯ ВЫПУСКН. GAS RE-CIRCULATION (EGR) LESS

Схема запчастей Komatsu SAA6D170E-5BR - КРЫШКАДЛЯ ВЫПУСКН. GAS RE-CIRCULATION (EGR) LESS (№-) КРЫШКАДЛЯ ВЫПУСКН. GAS RE-CIRCULATION (EGR) LESS
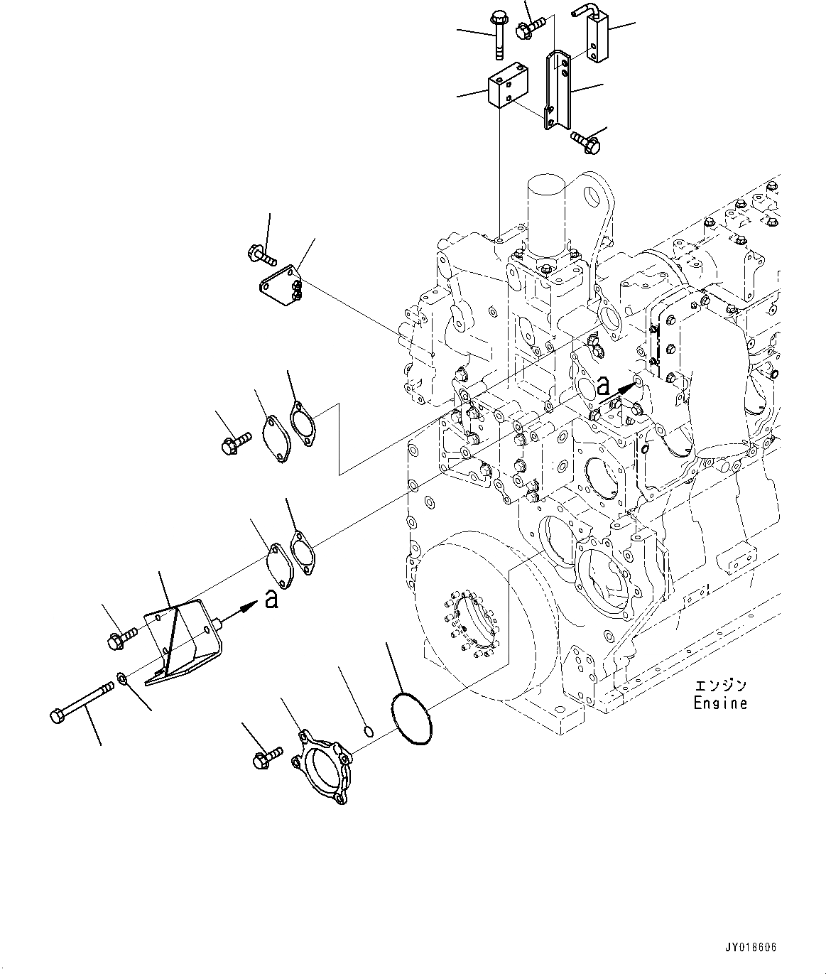
16
17
1
2
3
5
6
4
7
9
8
19
20
21
18
15
11
10
13
12
14
FIT
1:1
100%

Артикул

Название

Примечание

Количество

1

6245-11-4220

Cover

SN: 612616-UP

1шт.

2

6166-61-6341

Gasket

SN: 612616-UP

1шт.

3

01435-01025

Bolt

SN: 612616-UP

2шт.

4

6245-81-9440

Cover

SN: 612616-UP

1шт.

5

6245-11-4220

Cover

SN: 612616-UP

1шт.

6

6166-61-6341

Gasket

SN: 612616-UP

1шт.

7

01435-01030

Bolt

SN: 612616-UP

2шт.

8

01011-81255

Bolt

SN: 612616-UP

1шт.

9

01643-31232

Washer

SN: 612616-UP

1шт.

10

6245-61-6320

Block

SN: 612616-UP

1шт.

11

01435-01020

Bolt

SN: 612616-UP

2шт.

12

6245-61-6390

Bracket

SN: 612616-UP

1шт.

13

01435-01020

Bolt

SN: 612616-UP

2шт.

14

6245-61-6380

Block

SN: 612616-UP

1шт.

15

01435-01075

Bolt

SN: 612616-UP

2шт.

16

6245-61-3810

Plate

SN: 612616-UP

1шт.

17

01435-01020

Bolt

SN: 612616-UP

2шт.

18

6245-51-9130

Cover

SN: 612616-UP

1шт.

19

07000-72110

O-ring

SN: 612616-UP

1шт.

20

07000-72018

O-ring

SN: 612616-UP

1шт.

21

01435-01020

Bolt

SN: 612616-UP

4шт.

Выбрано товаров: 0