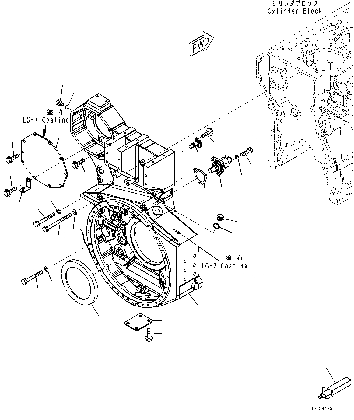
Запчасти Komatsu SAA6D170E-5BR КАРТЕР МАХОВИКА, (№8-79) КАРТЕР МАХОВИКА

Схема запчастей Komatsu SAA6D170E-5BR - КАРТЕР МАХОВИКА, (№8-79) КАРТЕР МАХОВИКА
7
25
24
23
22
21
17
8
7
6
5
4
3
2
1
18
20
19
9
10
11
12
13
14
15
16
FIT
1:1
100%

Артикул

Название

Примечание

Количество

1

6245-21-4140

Housing, Flywheel

SN: 610861-@

1шт.

2

01011-81215

Bolt

SN: 610861-@

5шт.

3

01643-31232

Washer

SN: 610861-@

5шт.

4

6245-21-4220

Bolt

SN: 610861-@

2шт.

5

208-27-52341

Bolt

SN: 610861-@

2шт.

6

01011-61810

Bolt

SN: 610861-@

9шт.

7

01643-21845

Washer

SN: 610861-@

11шт.

8

6162-25-4251

Seal

SN: 610861-@

1шт.

9

6204-21-5190

Plug, Bolt

SN: 610861-@

1шт.

10

07005-02216

Seal, Washer

SN: 610861-@

1шт.

11

6162-23-4500

Gear Assembly

SN: 610861-@

1шт.

11

Case

SN: 610861-@

1шт.

11

Shaft

SN: 610861-@

1шт.

11

Gear

SN: 610861-@

1шт.

11

Spring

SN: 610861-@

1шт.

11

6162-23-4531

Pin, Snap

SN: 610861-@

1шт.

11

07016-00306

Seal, Dust

SN: 610861-@

1шт.

12

6162-23-4941

Gasket

SN: 610861-@

1шт.

13

01010-81030

Bolt

SN: 610861-@

3шт.

14

01643-31032

Washer

SN: 610861-@

3шт.

15

6261-81-2902

Sensor Assembly

SN: 610896-@

1шт.

15

6261-81-2901

Sensor Assembly, Speed

SN: 610861-610895

1шт.

15

Sensor

SN: 610861-@

1шт.

15

6271-81-9220

O-ring

SN: 610861-@

1шт.

16

01435-00816

Bolt

SN: 610861-612479

1шт.

17

6245-21-4150

Plate

SN: 610861-@

1шт.

18

01435-01020

Bolt

SN: 610861-@

9шт.

19

6136-61-8850

Bracket

SN: 610861-@

1шт.

20

01435-01020

Bolt

SN: 610861-@

1шт.

21

07040-12412

Plug

SN: 610861-@

1шт.

22

07002-22434

O-ring

SN: 610861-@

1шт.

23

6240-21-4310

Plate

SN: 610861-@

1шт.

24

01435-01220

Bolt

SN: 610861-@

4шт.

25

09920-00150

Liquid gasket, LG-7, 150G

SN: 610861-@

-2шт.

Выбрано товаров: 34