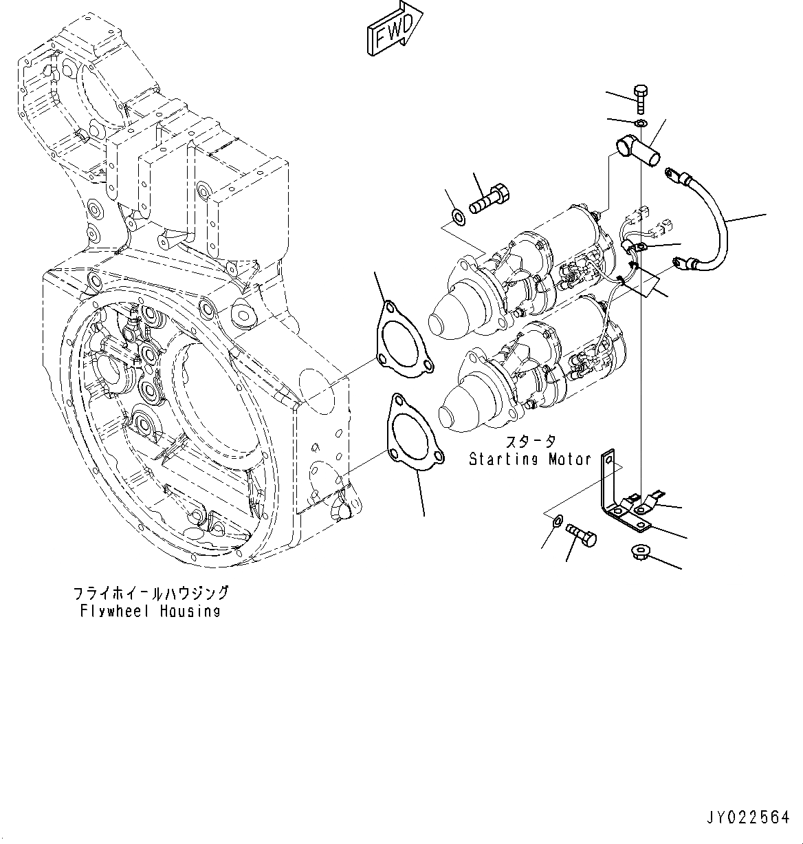
Запчасти Komatsu SAA6D170E-5BR СТАРТЕР, МОТОР КРЕПЛЕНИЕ (№8-) СТАРТЕР, 7.KW

Схема запчастей Komatsu SAA6D170E-5BR - СТАРТЕР, МОТОР КРЕПЛЕНИЕ (№8-) СТАРТЕР, 7.KW
2
3
4
5
9
11
12
14
1
7
8
10
13
6
1
FIT
1:1
100%

Артикул

Название

Примечание

Количество

1

6221-81-6810

Gasket

SN: 610861-UP

2шт.

2

01010-81645

Bolt

SN: 610861-UP

6шт.

3

01643-31645

Washer

SN: 610861-UP

6шт.

4

08028-73035

Cable

SN: 610861-UP

1шт.

5

08038-00035

Cap, Terminal

SN: 610861-UP

1шт.

6

6245-81-6120

Bracket

SN: 610861-UP

1шт.

7

01010-81030

Bolt

SN: 610861-UP

1шт.

8

01643-31032

Washer

SN: 610861-UP

1шт.

9

600-051-2080

Clip

SN: 610861-UP

1шт.

10

08193-20010

Clip

SN: 610861-UP

1шт.

11

01010-81025

Bolt

SN: 610861-UP

1шт.

12

01643-31032

Washer

SN: 610861-UP

1шт.

13

01584-01008

Nut

SN: 610861-UP

1шт.

14

6218-81-8470

Band

SN: 610861-UP

2шт.

Выбрано товаров: 14