Качественные детали и логистика
Оригинальные и аналоговые запчасти с доставкой по России, Казахстану и Беларуси
©2022 PartSell ООО "Система" ИНН 2463123282 ОГРН 1212400004838
Центральный офис: г. Красноярск, Академика Киренского, д.87, пом.4
Телефон: 8 (800) 777-65-74 Email: zakaz@partsell.ru
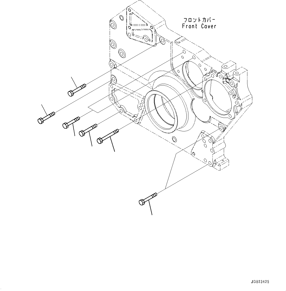
ПЕРЕДН. КРЫШКАКРЕПЛЕНИЕ (№8-)
№
Артикул
Название
Примечание
Количество
1
01010-81275
Bolt
SN: 610861-UP
14шт.
2
01010-81270
1шт.
3
01010-81265
2шт.
4
01011-81215
Выбрано товаров: 0