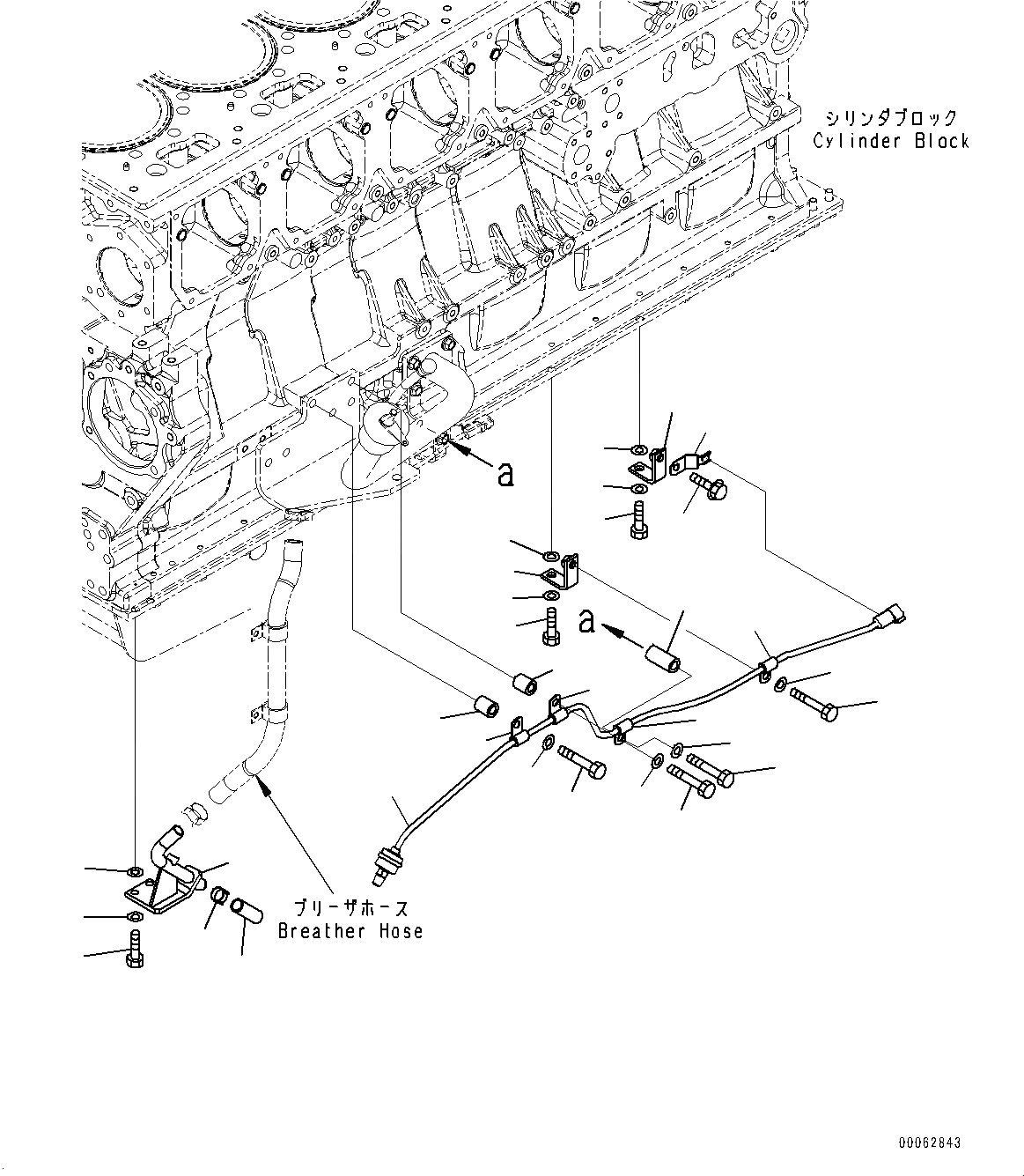
Запчасти Komatsu SAA6D170E-5BR ЭЛЕМЕНТЫ БЛОКА ЦИЛИНДРОВ, ДАТЧИК ПРОРЫВА ГАЗОВ (№8-) ЭЛЕМЕНТЫ БЛОКА ЦИЛИНДРОВ, С ПОДДОН ДВИГ-ЛЯ И ПОДОГРЕВАТЕЛЬ ХЛАДАГЕНТА, ДЛЯ EXTREME ХОЛОДН. AREA СПЕЦ-ЯIFICATION (- DEG C)

Схема запчастей Komatsu SAA6D170E-5BR - ЭЛЕМЕНТЫ БЛОКА ЦИЛИНДРОВ, ДАТЧИК ПРОРЫВА ГАЗОВ (№8-) ЭЛЕМЕНТЫ БЛОКА ЦИЛИНДРОВ, С ПОДДОН ДВИГ-ЛЯ И ПОДОГРЕВАТЕЛЬ ХЛАДАГЕНТА, ДЛЯ EXTREME ХОЛОДН. AREA СПЕЦ-ЯIFICATION (- DEG C)
1
2
3
4
13
14
15
19
8
9
10
6
7
27
28
30
31
32
29
18
17
22
21
26
25
20
24
23
12
16
5
11
FIT
1:1
100%

Артикул

Название

Примечание

Количество

1

6218-81-4111

Sensor Assembly, Blowby

SN: 610861-UP

1шт.

2

6245-21-6220

Tube

SN: 610861-UP

1шт.

3

01010-81050

Bolt

SN: 610861-UP

2шт.

4

01643-31032

Washer

SN: 610861-UP

2шт.

5

01643-31032

Washer

SN: 610861-UP

2шт.

6

08193-20010

Clip

SN: 610861-UP

1шт.

7

01435-01016

Bolt

SN: 610861-UP

1шт.

8

6934-71-5860

Bracket

SN: 610861-UP

1шт.

9

01010-81055

Bolt

SN: 610861-UP

1шт.

10

01643-31032

Washer

SN: 610861-UP

1шт.

11

01643-31032

Washer

SN: 610861-UP

1шт.

12

600-051-2100

Clip

SN: 610861-UP

1шт.

13

01010-81050

Bolt

SN: 610861-UP

1шт.

14

01643-31032

Washer

SN: 610861-UP

1шт.

15

6128-21-6730

Spacer

SN: 610861-UP

1шт.

16

600-051-2100

Clip

SN: 610861-UP

1шт.

17

01010-81050

Bolt

SN: 610861-UP

1шт.

18

01643-31032

Washer

SN: 610861-UP

1шт.

19

6128-21-6730

Spacer

SN: 610861-UP

1шт.

20

600-051-2100

Clip

SN: 610861-UP

1шт.

21

01010-81070

Bolt

SN: 610861-UP

1шт.

22

01643-31032

Washer

SN: 610861-UP

1шт.

23

6152-21-6590

Spacer

SN: 610861-UP

1шт.

24

600-051-2100

Clip

SN: 610861-UP

1шт.

25

01010-81020

Bolt

SN: 610861-UP

1шт.

26

01643-31032

Washer

SN: 610861-UP

1шт.

27

6934-71-5860

Bracket

SN: 610861-UP

1шт.

28

01010-81055

Bolt

SN: 610861-UP

1шт.

29

01643-31032

Washer

SN: 610861-UP

1шт.

30

01643-31032

Washer

SN: 610861-UP

1шт.

31

07286-01960

Hose

SN: 610861-UP

1шт.

32

07285-00220

Clip

SN: 610861-UP

1шт.

Выбрано товаров: 32