Запчасти Komatsu SAA6D170E-5BR-W НАТЯЖЕНИЕ РЕМНЯ И КРЫШКА (ДЛЯ A ГЕНЕРАТОР)(№-) ДВИГАТЕЛЬ

Схема запчастей Komatsu SAA6D170E-5BR-W - НАТЯЖЕНИЕ РЕМНЯ И КРЫШКА (ДЛЯ A ГЕНЕРАТОР)(№-) ДВИГАТЕЛЬ
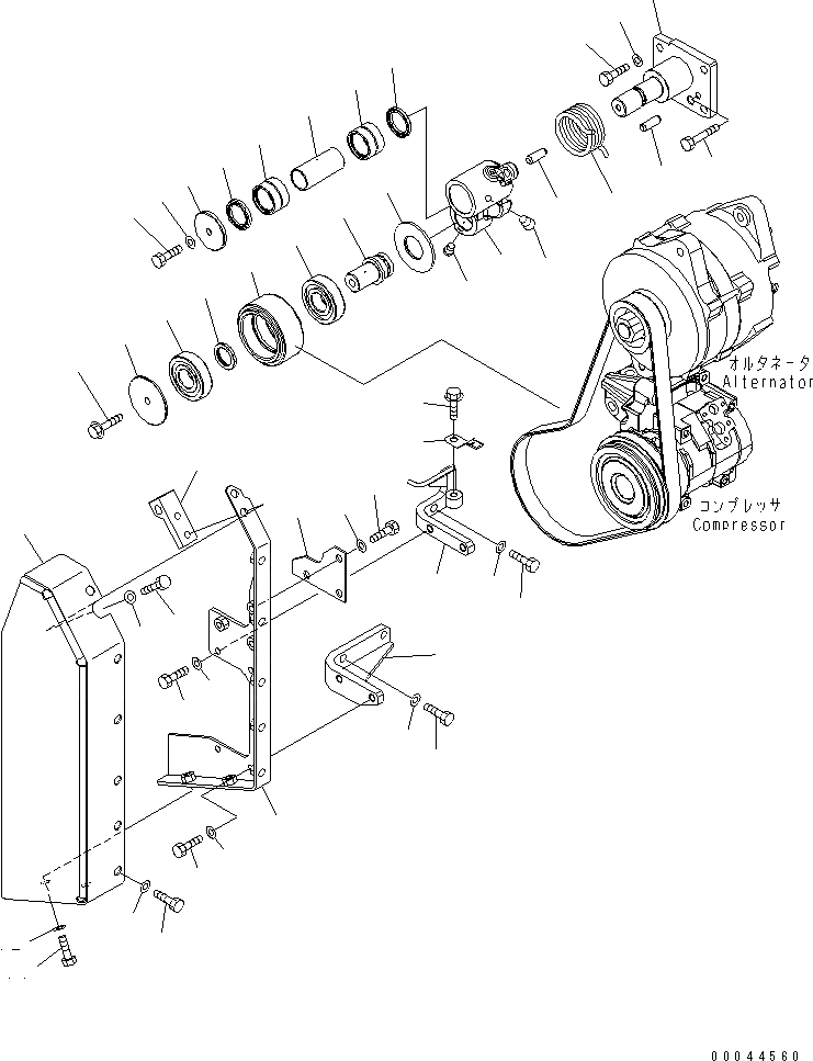
1
2
2
3
4
4
5
6
7
8
9
10
10
11
12
12
13
14
15
16
17
18
19
20
21
22
23
24
25
26
27
28
29
30
31
32
33
33
34
35
36
37
37
38
39
40
41
41
42
42
FIT
1:1
100%

Артикул

Название

Примечание

Количество

|$2

6245-81-6902

TENSION ASS'Y

SN: 610002-UP

1шт.

1

6245-81-6912

BRACKET

SN: 610002-UP

1шт.

2

6162-64-3910

BEARING

SN: 610002-UP

2шт.

3

6245-81-6840

RACE,INNER

SN: 610002-UP

1шт.

4

6162-64-3930

SEAL,DUST

SN: 610002-UP

2шт.

5

6245-81-6941

SHAFT

SN: 610002-UP

1шт.

6

6245-81-6950

SPRING,TENSION

SN: 610002-UP

1шт.

7

6245-81-6961

PLATE

SN: 610002-UP

1шт.

8

01010-81020

BOLT

SN: 610002-UP

1шт.

9

01643-31032

WASHER

SN: 610002-UP

1шт.

10

04022-12035

PIN,DOWEL

SN: 610002-UP

2шт.

11

6245-81-6971

SHAFT

SN: 610002-UP

1шт.

12

06301-06306

BEARING,BALL

SN: 610002-UP

2шт.

13

6245-81-6981

SPACER

SN: 610002-UP

1шт.

14

6245-81-6990

PLATE

SN: 610002-UP

1шт.

15

6245-81-6820

PULLEY,TENSION

SN: 610002-UP

1шт.

16

6245-81-6830

PLATE

SN: 610002-UP

1шт.

17

01435-01020

BOLT

SN: 610002-UP

1шт.

18

07043-00108

PLUG

SN: 610002-UP

3шт.

19

07029-00000

VALVE,RELIEF

SN: 610002-UP

1шт.

20

01010-81090

BOLT

SN: 610002-UP

1шт.

21

01010-81030

BOLT

SN: 610002-UP

4шт.

22

01643-31032

WASHER

SN: 610002-UP

4шт.

23

6245-81-6570

BRACKET

SN: 610002-UP

1шт.

24

6245-81-6280

PLATE

SN: 610002-UP

1шт.

25

01010-81020

BOLT

SN: 610002-UP

3шт.

26

01643-31032

WASHER

SN: 610002-UP

3шт.

27

6245-81-6320

BLOCK

SN: 610002-UP

1шт.

28

01010-81020

BOLT

SN: 610002-UP

1шт.

29

01643-31032

WASHER

SN: 610002-UP

1шт.

30

6245-81-6580

BRACKET

SN: 610002-UP

1шт.

31

01010-81030

BOLT

SN: 610002-UP

1шт.

32

01010-81025

BOLT

SN: 610002-UP

2шт.

33

01643-31032

WASHER

SN: 610002-UP

3шт.

34

6245-81-6640

BRACKET

SN: 610002-UP

1шт.

35

01010-81030

BOLT

SN: 610002-UP

1шт.

36

01010-81025

BOLT

SN: 610002-UP

2шт.

37

01643-31032

WASHER

SN: 610002-UP

3шт.

38

08193-20010

CLIP

SN: 610002-UP

1шт.

39

01435-01016

BOLT

SN: 610002-UP

1шт.

40

6245-81-6660

COVER

SN: 610157-UP

1шт.

40

6245-81-6310

COVER

SN: 610002-610156

1шт.

41

01010-81020

BOLT

SN: 610002-UP

8шт.

42

01643-31032

WASHER

SN: 610002-UP

8шт.

Выбрано товаров: 44