Запчасти Komatsu SAA6D170E-5BR-W ВПУСК ВОЗДУХА СОЕДИН-Е И СЛИВН. ТРУБКА (PM-CLINIC СПЕЦ-Я.)(№-) ДВИГАТЕЛЬ

Схема запчастей Komatsu SAA6D170E-5BR-W - ВПУСК ВОЗДУХА СОЕДИН-Е И СЛИВН. ТРУБКА (PM-CLINIC СПЕЦ-Я.)(№-) ДВИГАТЕЛЬ
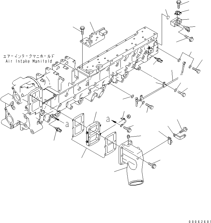
1
2
3
4
5
6
7
8
9
10
11
12
13
14
15
16
17
18
19
20
21
22
22
23
23
23
24
25
26
FIT
1:1
100%

Артикул

Название

Примечание

Количество

1

6245-11-4430

CONNECTOR,AIR INTAKE

SN: 610002-UP

1шт.

2

07042-A0108

PLUG

SN: 610002-UP

1шт.

3

600-815-3811

HEATER,RIBBON

SN: 610002-UP

1шт.

4

01435-01060

BOLT

SN: 610002-UP

6шт.

5

6150-11-4821

GASKET

SN: 610002-UP

2шт.

6

6212-82-4350

WIRE

SN: 610002-UP

1шт.

7

01435-01016

BOLT

SN: 610002-UP

1шт.

8

426-06-11570

BRACKET

SN: 610002-UP

1шт.

9

6251-21-5480

BRACKET

SN: 610002-UP

1шт.

10

01435-01030

BOLT

SN: 610002-UP

1шт.

11

6245-11-4240

BRACKET

SN: 610002-UP

1шт.

12

01435-01025

BOLT

SN: 610002-UP

4шт.

13

6261-81-2700

SENSOR ASS'Y,BOOST PRESSURE

SN: 610002-UP

1шт.

13

6261-81-2710

SENSOR

SN: 610002-UP

1шт.

13

6261-81-2720

O-RING

SN: 610002-UP

1шт.

14

01435-00614

BOLT

SN: 610002-UP

2шт.

15

6245-71-5580

BLOCK,SENSOR

SN: 610002-UP

1шт.

16

07000-A2021

O-RING

SN: 610002-UP

1шт.

17

799-101-5160

NIPPLE

SN: 610002-UP

1шт.

18

01435-01055

BOLT

SN: 610002-UP

2шт.

19

6560-61-7300

SENSOR ASS'Y,INTAKE AIR TEMPERATURE

SN: 610002-UP

1шт.

19

6560-61-7310

SENSOR

SN: 610002-UP

1шт.

19

6735-21-1930

O-RING

SN: 610002-UP

1шт.

20

6261-81-6900

SENSOR ASS'Y,FUEL TEMPERATURE

SN: 610002-UP

1шт.

20

6261-81-6910

SENSOR

SN: 610002-UP

1шт.

20

6261-84-9740

O-RING

SN: 610002-UP

1шт.

21

6245-71-5390

TUBE,SPILL

SN: 610002-UP

1шт.

22

07206-30812

BOLT,JOINT

SN: 610002-UP

2шт.

23

07005-01212

SEAL, WASHER

SN: 610002-UP

4шт.

24

6210-51-8320

CLIP

SN: 610002-UP

2шт.

25

01010-81020

BOLT

SN: 610002-UP

2шт.

26

01643-31032

WASHER

SN: 610002-UP

2шт.

Выбрано товаров: 32