Запчасти Komatsu SAA6D170E-5BR-W ЭЛЕМЕНТЫ БЛОКА ЦИЛИНДРОВ (/) (ЗАГЛУШКА) (ПОДОГРЕВАТЕЛЬ ХЛАДАГЕНТА СПЕЦ-Я.)(№-) ДВИГАТЕЛЬ

Схема запчастей Komatsu SAA6D170E-5BR-W - ЭЛЕМЕНТЫ БЛОКА ЦИЛИНДРОВ (/) (ЗАГЛУШКА) (ПОДОГРЕВАТЕЛЬ ХЛАДАГЕНТА СПЕЦ-Я.)(№-) ДВИГАТЕЛЬ
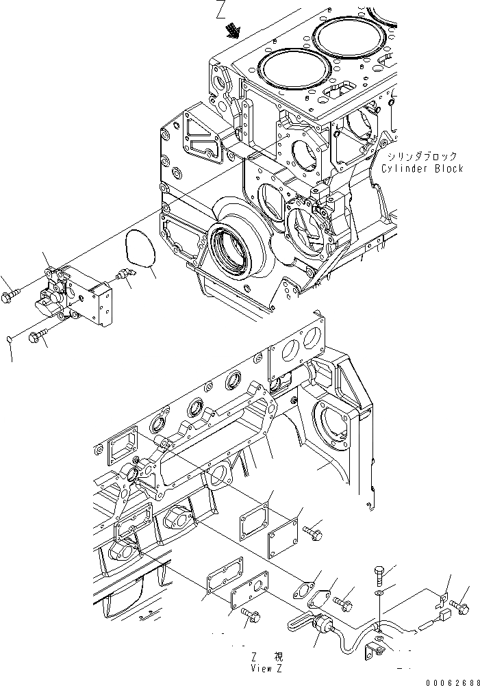
1
2
3
4
5
6
7
8
9
10
11
12
13
14
15
16
17
18
19
20
21
21
FIT
1:1
100%

Артикул

Название

Примечание

Количество

1

6162-23-6530

PLATE

SN: 610002-UP

1шт.

2

6127-51-6822

GASKET

SN: 610002-UP

1шт.

3

01435-01020

BOLT

SN: 610002-UP

1шт.

4

6245-81-6130

BLOCK

SN: 610002-UP

1шт.

5

07000-72115

O-RING

SN: 610002-UP

1шт.

6

01435-01235

BOLT

SN: 610002-UP

1шт.

7

01435-01250

BOLT

SN: 610002-UP

5шт.

8

07020-00675

FITTING,GREASE

SN: 610002-UP

1шт.

9

07000-72014

O-RING

SN: 610002-UP

1шт.

10

6240-21-1960

PLATE

SN: 610002-UP

1шт.

11

6210-21-1971

GASKET

SN: 610002-UP

1шт.

12

01435-01020

BOLT

SN: 610002-UP

3шт.

13

6162-63-6630

PLATE

SN: 610002-UP

1шт.

14

6162-63-6731

GASKET

SN: 610002-UP

1шт.

15

01435-00820

BOLT

SN: 610002-UP

6шт.

16

600-815-9350

HEATER,BLOCK

SN: 610002-UP

1шт.

17

08193-20010

CLIP

SN: 610002-UP

1шт.

18

01435-01020

BOLT

SN: 610002-UP

1шт.

19

600-051-2080

CLIP

SN: 610002-UP

1шт.

20

01010-81025

BOLT

SN: 610002-UP

1шт.

21

01643-31032

WASHER

SN: 610002-UP

2шт.

Выбрано товаров: 21