Запчасти Komatsu SAA6D170E-5BR-W ЭЛЕМЕНТЫ БЛОКА ЦИЛИНДРОВ (/) (ДАТЧИК ПРОРЫВА ГАЗОВ) (ХЛАДАГЕНТ ПОДОГРЕВ СПЕЦ-Я.)(№-) ДВИГАТЕЛЬ

Схема запчастей Komatsu SAA6D170E-5BR-W - ЭЛЕМЕНТЫ БЛОКА ЦИЛИНДРОВ (/) (ДАТЧИК ПРОРЫВА ГАЗОВ) (ХЛАДАГЕНТ ПОДОГРЕВ СПЕЦ-Я.)(№-) ДВИГАТЕЛЬ
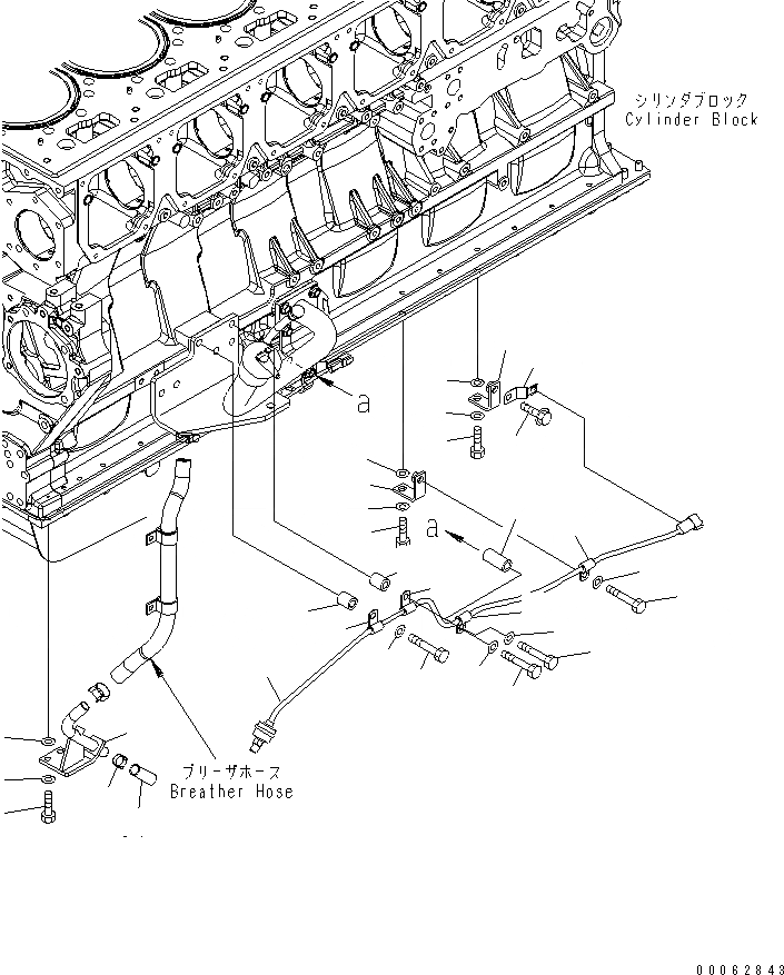
1
2
3
4
5
6
7
8
9
10
11
12
13
14
15
16
17
18
19
20
21
22
23
24
25
26
27
28
29
30
31
32
FIT
1:1
100%

Артикул

Название

Примечание

Количество

1

6218-81-4111

SENSOR ASS'Y,BLOWBY

SN: 610002-UP

1шт.

2

6245-21-6220

TUBE

SN: 610002-UP

1шт.

3

01010-81050

BOLT

SN: 610002-UP

2шт.

4

01643-31032

WASHER

SN: 610002-UP

2шт.

5

01643-31032

WASHER

SN: 610002-UP

2шт.

6

08193-20010

CLIP

SN: 610002-UP

1шт.

7

01435-01016

BOLT

SN: 610002-UP

1шт.

8

6934-71-5860

BRACKET

SN: 610002-UP

1шт.

9

01010-81055

BOLT

SN: 610002-UP

1шт.

10

01643-31032

WASHER

SN: 610002-UP

1шт.

11

01643-31032

WASHER

SN: 610002-UP

1шт.

12

600-051-2100

CLIP

SN: 610829-UP

1шт.

12

600-051-2080

CLIP

SN: 610002-610828

1шт.

13

01010-81050

BOLT

SN: 610002-UP

1шт.

14

01643-31032

WASHER

SN: 610002-UP

1шт.

15

6128-21-6730

SPACER

SN: 610002-UP

1шт.

16

600-051-2100

CLIP

SN: 610829-UP

1шт.

16

600-051-2080

CLIP

SN: 610002-610828

1шт.

17

01010-81050

BOLT

SN: 610002-UP

1шт.

18

01643-31032

WASHER

SN: 610002-UP

1шт.

19

6128-21-6730

SPACER

SN: 610002-UP

1шт.

20

600-051-2100

CLIP

SN: 610829-UP

1шт.

20

600-051-2080

CLIP

SN: 610002-610828

1шт.

21

01010-81070

BOLT

SN: 610002-UP

1шт.

22

01643-31032

WASHER

SN: 610002-UP

1шт.

23

6152-21-6590

SPACER

SN: 610002-UP

1шт.

24

600-051-2100

CLIP

SN: 610829-UP

1шт.

24

600-051-2080

CLIP

SN: 610002-610828

1шт.

25

01010-81020

BOLT

SN: 610002-UP

1шт.

26

01643-31032

WASHER

SN: 610002-UP

1шт.

27

6934-71-5860

BRACKET

SN: 610002-UP

1шт.

28

01010-81055

BOLT

SN: 610002-UP

1шт.

29

01643-31032

WASHER

SN: 610002-UP

1шт.

30

01643-31032

WASHER

SN: 610002-UP

1шт.

31

07286-01960

HOSE

SN: 610002-UP

1шт.

32

07285-00220

CLIP

SN: 610002-UP

1шт.

Выбрано товаров: 36