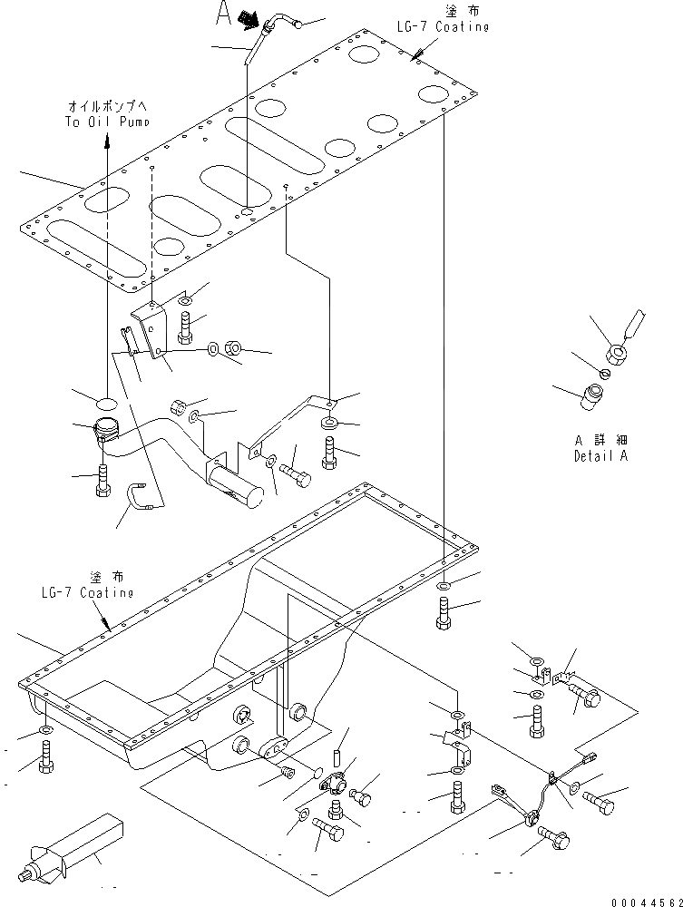
Запчасти Komatsu SAA6D170E-5BR-W МАСЛЯНЫЙ ПОДДОН И ВСАСЫВАЮЩИЙ ПАТРУБОК(№-) ДВИГАТЕЛЬ

Схема запчастей Komatsu SAA6D170E-5BR-W - МАСЛЯНЫЙ ПОДДОН И ВСАСЫВАЮЩИЙ ПАТРУБОК(№-) ДВИГАТЕЛЬ
1
2
3
4
5
5
6
7
8
9
10
11
12
13
14
15
16
17
18
19
20
21
22
23
24
25
25
26
27
28
29
30
31
31
32
33
34
35
36
37
38
39
40
40
41
42
43
44
45
46
47
48
FIT
1:1
100%

Артикул

Название

Примечание

Количество

1

6245-21-5111

PAN,OIL

SN: 610002-UP

1шт.

2

6240-21-5290

PLATE,UNDER

SN: 610002-UP

1шт.

3

01010-81035

BOLT

SN: 610002-UP

19шт.

4

01010-81045

BOLT

SN: 610002-UP

26шт.

5

01640-21016

WASHER

SN: 610002-UP

45шт.

6

02720-41616

PLUG

SN: 610002-UP

2шт.

|$10

6693-22-5600

VALVE ASS'Y,OIL DRAIN

SN: 610002-UP

1шт.

7

0

BODY

SN: 610002-UP

1шт.

8

0

VALVE,OIL DRAIN

SN: 610002-UP

1шт.

9

07040-02412

PLUG

SN: 610002-UP

1шт.

10

04020-00514

PIN,DOWEL

SN: 610002-UP

1шт.

11

07000-73028

O-RING

SN: 610002-UP

1шт.

12

01010-81025

BOLT

SN: 610002-UP

2шт.

13

01640-21016

WASHER

SN: 610002-UP

2шт.

14

6150-21-5920

COLLAR

SN: 610002-UP

1шт.

15

6150-21-5930

NUT

SN: 610002-UP

1шт.

16

6150-21-5910

BUSHING

SN: 610002-UP

1шт.

17

6245-21-5310

GAUGE,OIL LEVEL

SN: 610002-UP

1шт.

18

6245-21-5730

GUIDE,OIL GAUGE

SN: 610002-UP

1шт.

19

6741-81-9220

SENSOR,OIL LEVEL

SN: 610002-UP

1шт.

19

7861-91-4220

O-RING

SN: 610002-UP

1шт.

20

01435-00612

BOLT

SN: 610002-UP

3шт.

21

08193-20010

CLIP

SN: 610002-UP

1шт.

22

01435-01016

BOLT

SN: 610002-UP

1шт.

23

6934-71-5860

BRACKET

SN: 610002-UP

1шт.

24

01010-81055

BOLT

SN: 610002-UP

1шт.

25

01643-31032

WASHER

SN: 610002-UP

2шт.

26

6240-81-4431

CLIP

SN: 610002-UP

1шт.

27

01010-81020

BOLT

SN: 610002-UP

1шт.

28

01643-31032

WASHER

SN: 610002-UP

1шт.

29

6934-71-5860

BRACKET

SN: 610002-UP

2шт.

30

01010-81060

BOLT

SN: 610002-UP

1шт.

31

01643-31032

WASHER

SN: 610002-UP

2шт.

32

6245-51-6310

TUBE,SUCTION

SN: 610002-UP

1шт.

33

07000-E2060

O-RING

SN: 610002-UP

1шт.

34

01010-81030

BOLT

SN: 610002-UP

1шт.

35

6245-51-6320

BRACKET

SN: 610002-UP

1шт.

36

01010-81030

BOLT

SN: 610002-UP

1шт.

37

6110-23-6490

SPACER

SN: 610002-UP

1шт.

38

01010-81025

BOLT

SN: 610002-UP

1шт.

39

01580-01008

NUT

SN: 610002-UP

1шт.

40

01643-31032

WASHER

SN: 610002-UP

2шт.

41

6245-51-6330

BRACKET

SN: 610002-UP

1шт.

42

01010-81030

BOLT

SN: 610002-UP

1шт.

43

01643-31032

WASHER

SN: 610002-UP

1шт.

44

07283-36163

CLIP

SN: 610002-UP

1шт.

45

6240-51-6391

PLATE

SN: 610002-UP

1шт.

46

01597-01009

NUT

SN: 610002-UP

2шт.

47

01643-31032

WASHER

SN: 610002-UP

2шт.

48

09920-00150

LIQUID GASKET,LG-7, 150G

SN: 610002-UP

-2шт.

Выбрано товаров: 50