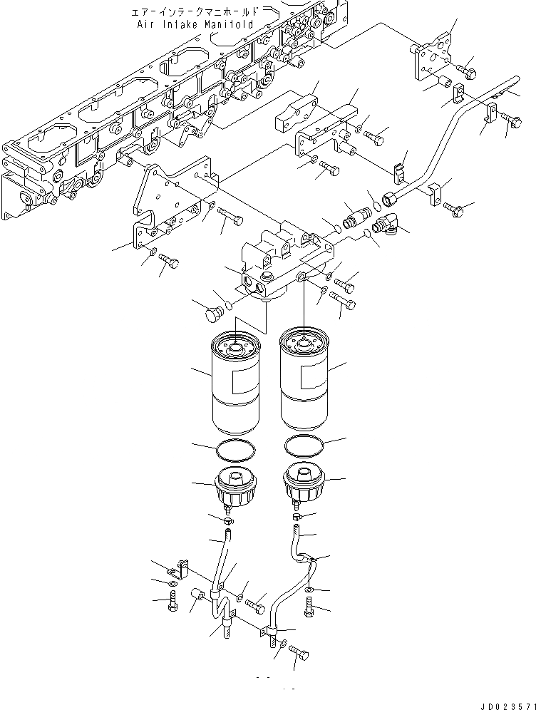
Запчасти Komatsu SAA6D170E-5BR-W ТОПЛИВН. PRE-ФИЛЬТР. И КРЕПЛЕНИЕ(№9-) ДВИГАТЕЛЬ

Схема запчастей Komatsu SAA6D170E-5BR-W - ТОПЛИВН. PRE-ФИЛЬТР. И КРЕПЛЕНИЕ(№9-) ДВИГАТЕЛЬ
1
2
2
3
3
4
4
5
6
7
8
9
10
11
12
13
14
15
16
17
18
19
20
21
22
23
24
25
26
27
28
29
30
31
32
33
34
35
36
37
37
38
38
39
40
41
42
43
44
45
46
47
48
48
49
50
51
FIT
1:1
100%

Артикул

Название

Примечание

Количество

1

6245-71-6111

HEAD

SN: 610924-UP

1шт.

|$3

600-311-4500

FILTER ASS'Y

SN: 610924-UP

2шт.

2

0

CARTRIDGE (1-1/4),(SEE FIG.A4159-A6A1)

SN: 610924-UP

2шт.

3

600-311-3220

CAP

SN: 610924-UP

1шт.

4

600-311-3230

SEAL

SN: 610924-UP

1шт.

5

01010-81290

BOLT

SN: 610924-UP

3шт.

6

01643-31232

WASHER

SN: 610924-UP

3шт.

7

01011-81255

BOLT

SN: 610924-UP

1шт.

8

01643-31232

WASHER

SN: 610924-UP

1шт.

9

6245-71-5890

BRACKET

SN: 610924-UP

1шт.

10

01010-81030

BOLT

SN: 610924-UP

5шт.

11

01643-31032

WASHER

SN: 610924-UP

1шт.

12

01011-81075

BOLT

SN: 610924-UP

2шт.

13

01643-31032

WASHER

SN: 610924-UP

2шт.

14

6245-71-5880

BRACKET

SN: 610924-UP

1шт.

15

6245-51-5220

PLATE

SN: 610924-UP

1шт.

16

01010-81030

BOLT

SN: 610924-UP

2шт.

17

01643-31032

WASHER

SN: 610924-UP

2шт.

18

01010-81060

BOLT

SN: 610924-UP

4шт.

19

01643-31032

WASHER

SN: 610924-UP

4шт.

20

6245-71-5810

TUBE

SN: 610924-UP

1шт.

21

6245-71-5920

UNION

SN: 610924-UP

1шт.

22

02896-11015

O-RING

SN: 610924-UP

1шт.

23

07002-12434

O-RING

SN: 610924-UP

1шт.

24

02782-10628

ELBOW

SN: 610924-UP

1шт.

25

07002-12434

O-RING

SN: 610924-UP

1шт.

26

07040-12412

PLUG

SN: 610924-UP

2шт.

27

07002-12434

O-RING

SN: 610924-UP

2шт.

28

6240-71-6530

CLAMP

SN: 610924-UP

1шт.

29

6240-71-6540

CLAMP

SN: 610924-UP

1шт.

30

01435-01040

BOLT

SN: 610924-UP

1шт.

31

6240-71-6530

CLAMP

SN: 610924-UP

1шт.

32

6240-71-6540

CLAMP

SN: 610924-UP

1шт.

33

01435-01065

BOLT

SN: 610924-UP

1шт.

34

6128-21-6730

SPACER

SN: 610924-UP

1шт.

35

6245-71-5870

BRACKET

SN: 610924-UP

1шт.

36

01435-01055

BOLT

SN: 610924-UP

3шт.

37

07270-40810

TUBE

SN: 610924-UP

2шт.

38

07285-00125

CLIP

SN: 610924-UP

2шт.

39

04434-51810

CLIP

SN: 610924-UP

1шт.

40

01010-81025

BOLT

SN: 610924-UP

1шт.

41

01643-31032

WASHER

SN: 610924-UP

1шт.

42

6934-71-5860

BRACKET

SN: 610924-UP

1шт.

43

01010-81025

BOLT

SN: 610924-UP

1шт.

44

01643-31032

WASHER

SN: 610924-UP

1шт.

45

04434-51810

CLIP

SN: 610924-UP

1шт.

46

01010-81025

BOLT

SN: 610924-UP

1шт.

47

01643-31032

WASHER

SN: 610924-UP

1шт.

48

04434-51810

CLIP

SN: 610924-UP

2шт.

49

01010-81050

BOLT

SN: 610924-UP

1шт.

50

01643-31032

WASHER

SN: 610924-UP

1шт.

51

6128-21-6730

SPACER

SN: 610924-UP

1шт.

Выбрано товаров: 52