Запчасти Komatsu SAA6D170E-5C-01 МАСЛОНАЛИВНОЙ ПАТРУБОК(№7-) ДВИГАТЕЛЬ

Схема запчастей Komatsu SAA6D170E-5C-01 - МАСЛОНАЛИВНОЙ ПАТРУБОК(№7-) ДВИГАТЕЛЬ
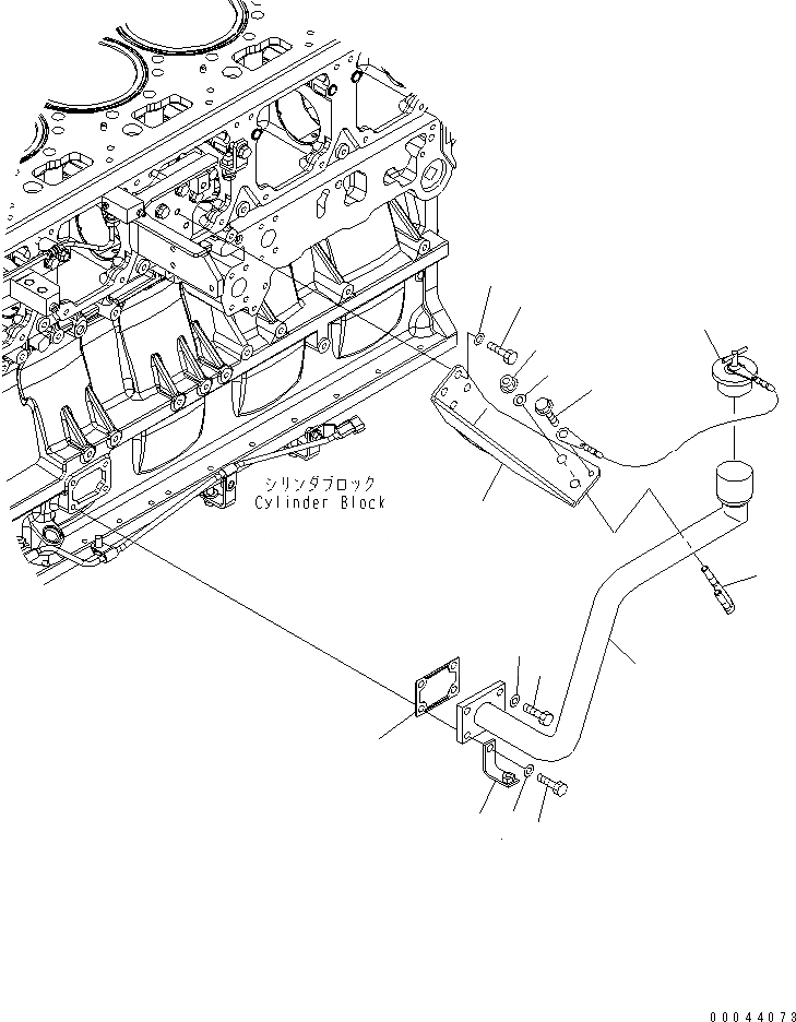
1
2
3
4
5
5A
6
7
8
9
10
11
12
13
14
FIT
1:1
100%

Артикул

Название

Примечание

Количество

1

6245-21-7610

FILLER,OIL

SN: 510037-UP

1шт.

2

07025-00100

CAP,OIL FILLER

SN: 510037-UP

1шт.

3

01435-00816

BOLT

SN: 510037-UP

1шт.

4

6206-21-6871

GASKET

SN: 510037-UP

1шт.

5

01010-81030

BOLT

SN: 510037-UP

3шт.

5A

01643-31032

WASHER

SN: 510037-UP

3шт.

6

01010-81035

BOLT

SN: 510037-UP

1шт.

7

01643-31032

WASHER

SN: 510037-UP

1шт.

8

6934-71-5860

BRACKET

SN: 510037-UP

1шт.

9

6245-21-7630

BRACKET

SN: 510037-UP

1шт.

10

01010-81025

BOLT

SN: 510037-UP

4шт.

11

01643-31032

WASHER

SN: 510037-UP

4шт.

12

07283-34346

CLIP

SN: 510037-UP

1шт.

13

01643-31032

WASHER

SN: 510037-UP

2шт.

14

01597-01009

NUT

SN: 510037-UP

2шт.

Выбрано товаров: 15