Запчасти Komatsu SAA6D170E-5C-R1 КАРТЕР МАХОВИКА ДВИГАТЕЛЬ

Схема запчастей Komatsu SAA6D170E-5C-R1 - КАРТЕР МАХОВИКА ДВИГАТЕЛЬ
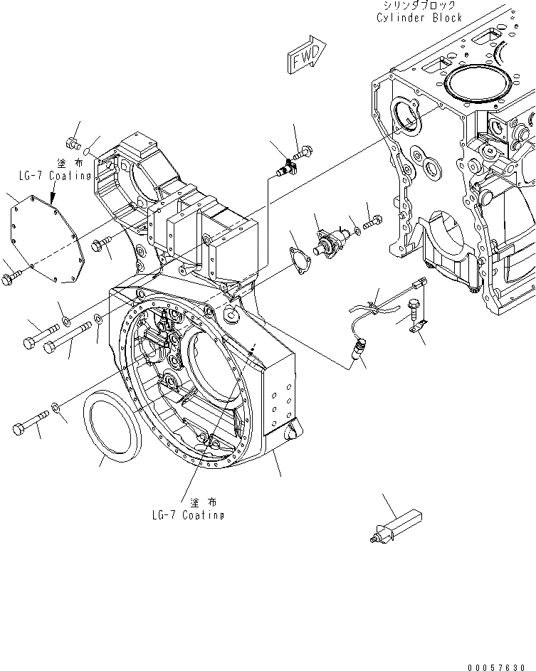
1
2
3
4
5
6
7
7
8
9
10
11
12
13
14
15
16
17
18
19
20
21
22
23
FIT
1:1
100%

Артикул

Название

Примечание

Количество

1

6245-21-4140

HOUSING,FLYWHEEL

SN: 610001-UP

1шт.

2

01011-81215

BOLT

SN: 610001-UP

5шт.

3

01643-31232

WASHER

SN: 610001-UP

5шт.

4

6245-21-4220

BOLT

SN: 610001-UP

2шт.

5

208-27-52341

BOLT

SN: 610001-UP

2шт.

6

01011-61810

BOLT

SN: 610001-UP

9шт.

7

01643-21845

WASHER

SN: 610001-UP

11шт.

8

6240-21-4250

SEAL¤ REAR

SN: 610001-UP

1шт.

9

7861-93-2330

SENSOR,REVOLUTION

SN: 610001-UP

1шт.

10

08193-20010

CLIP

SN: 610001-UP

1шт.

11

01435-01016

BOLT

SN: 610001-UP

1шт.

12

6218-81-8480

BAND

SN: 610001-UP

1шт.

13

6162-23-4500

BARING DIVICE ASS'Y

SN: 610001-UP

1шт.

|13

6162-23-4520

CASE

SN: 610001-UP

1шт.

|13

6162-23-4510

SHAFT

SN: 610001-UP

1шт.

|13

6162-23-4930

GEAR

SN: 610001-UP

1шт.

|13

565-62-11320

SPRING

SN: 610001-UP

1шт.

|13

6162-23-4530

PIN

SN: 610001-UP

1шт.

|13

07016-00306

SEAL

SN: 610001-UP

1шт.

14

6162-23-4941

GASKET

SN: 610001-UP

1шт.

15

01010-81030

BOLT

SN: 610001-UP

3шт.

16

01643-01032

WASHER

SN: 610001-UP

3шт.

17

6261-81-2901

SENSOR,REVOLUTION

SN: 610001-UP

1шт.

|17

6261-81-2911

SENSOR

SN: 610001-UP

1шт.

|17

6271-81-9220

O-RING

SN: 610001-UP

1шт.

18

01435-00816

BOLT

SN: 610001-UP

1шт.

19

6245-21-4150

PLATE

SN: 610001-UP

1шт.

20

01435-01020

BOLT

SN: 610001-UP

10шт.

21

07040-12412

PLUG

SN: 610001-UP

1шт.

22

07002-22434

O-RING

SN: 610001-UP

1шт.

23

09920-00150

LIQUID GASKET,LG-7¤150G

SN: 610001-UP

-2шт.

Выбрано товаров: 31