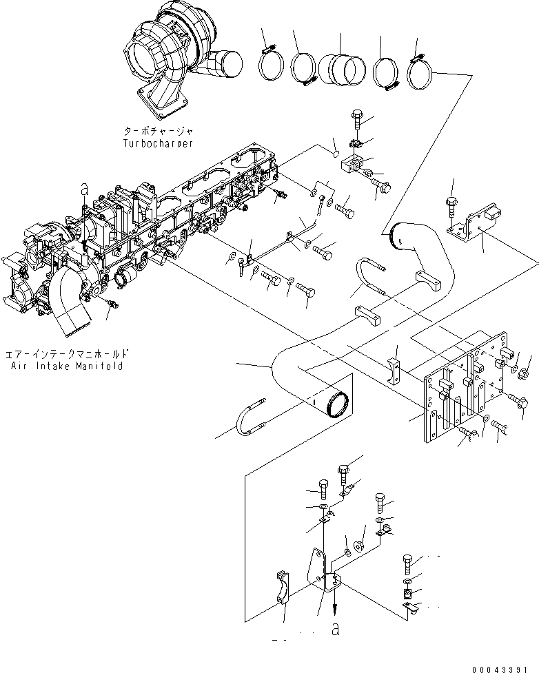
Запчасти Komatsu SAA6D170E-5C ВОЗДУХОВОД ДВИГАТЕЛЬ

Схема запчастей Komatsu SAA6D170E-5C - ВОЗДУХОВОД ДВИГАТЕЛЬ
1
2
3
4
5
6
7
8
9
10
11
11
11
11
12
13
13
14
15
16
17
17
18
18
19
19
20
20
21
22
23
24
25
26
27
28
29
30
31
32
33
34
35
36
36
37
37
37
38
38
39
39
40
40
FIT
1:1
100%

Артикул

Название

Примечание

Количество

1

6245-11-4360

TUBE,AIR

SN: 510037-UP

1шт.

2

07283-31087

CLIP

SN: 510037-UP

3шт.

3

01643-31232

WASHER

SN: 510037-UP

6шт.

4

01597-01211

NUT

SN: 510037-UP

6шт.

5

6245-11-4331

BRACKET

SN: 510037-UP

1шт.

6

01435-01025

BOLT

SN: 510037-UP

4шт.

7

6245-11-4390

SEAT

SN: 510037-UP

3шт.

8

01010-81025

BOLT

SN: 510037-UP

6шт.

9

01643-31032

WASHER

SN: 510037-UP

6шт.

10

6212-11-4410

HOSE

SN: 510037-UP

1шт.

11

6162-14-4750

CLAMP

SN: 510037-UP

4шт.

12

6245-11-4240

BRACKET

SN: 510037-UP

1шт.

13

01435-01025

BOLT

SN: 510037-UP

7шт.

14

6245-11-4370

PLATE

SN: 510037-UP

1шт.

15

01010-81240

BOLT

SN: 510037-UP

1шт.

16

01643-31232

WASHER

SN: 510037-UP

1шт.

17

426-06-11570

BRACKET

SN: 510037-UP

2шт.

18

01010-81240

BOLT

SN: 510037-UP

2шт.

19

01643-31232

WASHER

SN: 510037-UP

2шт.

20

426-06-11570

BRACKET

SN: 510037-UP

2шт.

21

08193-20010

CLIP

SN: 510037-UP

1шт.

22

01435-01016

BOLT

SN: 510037-UP

1шт.

23

07283-31087

CLIP

SN: 510037-UP

1шт.

24

01643-31232

WASHER

SN: 510037-UP

2шт.

25

01597-01211

NUT

SN: 510037-UP

2шт.

26

6218-11-4971

SEAT

SN: 510037-UP

1шт.

27

6261-81-2700

SENSOR ASS'Y

SN: 510037-UP

1шт.

|27

6261-81-2710

SENSOR,BOOST PRESSURE

SN: 510037-UP

1шт.

|27

6261-81-2720

O-RING

SN: 510037-UP

1шт.

28

01435-00614

BOLT

SN: 510037-UP

2шт.

29

6245-71-5580

BLOCK

SN: 510037-UP

1шт.

30

07000-A2021

O-RING (K1)

SN: 510037-UP

1шт.

31

07042-A0108

PLUG

SN: 510037-UP

1шт.

32

01435-01055

BOLT

SN: 510037-UP

2шт.

33

6560-61-7300

SENSOR ASS'Y

SN: 510037-UP

1шт.

|33

6560-61-7310

SENSOR,BOOST TEMPERATURE

SN: 510037-UP

1шт.

|33

6735-21-1930

O-RING

SN: 510037-UP

1шт.

34

6261-81-6900

SENSOR ASS'Y

SN: 510037-UP

1шт.

|34

6261-81-6910

SENSOR,FUEL TEMPERATURE

SN: 510037-UP

1шт.

|34

6261-84-9740

O-RING

SN: 510037-UP

1шт.

35

6245-71-5390

TUBE

SN: 510037-UP

1шт.

36

07206-30812

BOLT,JOINT

SN: 510037-UP

2шт.

37

07005-01212

GASKET (K1)

SN: 510037-UP

4шт.

38

6210-51-8320

CLIP

SN: 510037-UP

2шт.

39

01010-81020

BOLT

SN: 510037-UP

2шт.

40

01643-31032

WASHER

SN: 510037-UP

2шт.

Выбрано товаров: 46